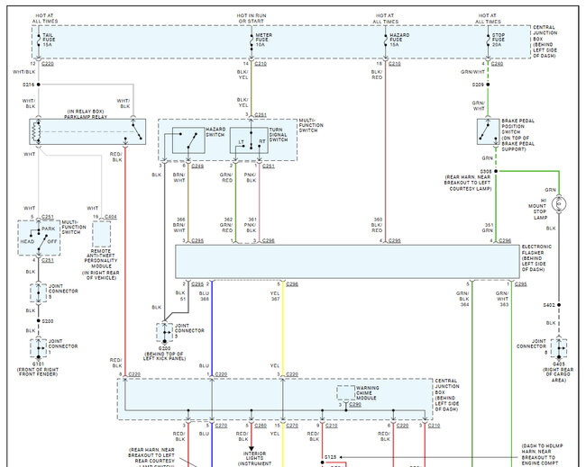
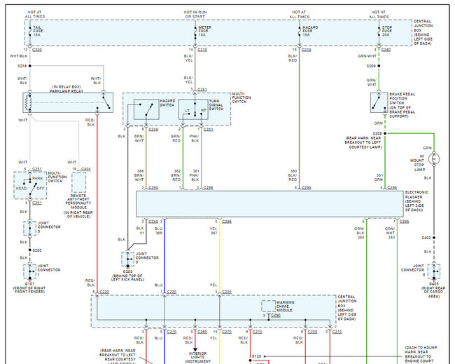
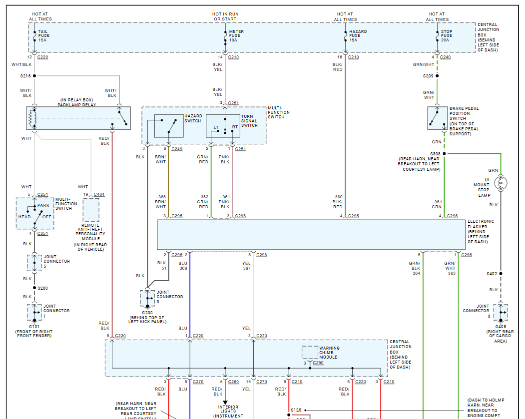
I have a 1999 escort zx2 and the brake lights do not work, I have replaced the brake light switch the fuse and the bulbs and still no brake lights. The turn signals work the tail lights work and the hazard lights work.
Jan 12, 2015 at 2:35 PM


