☰
Login
Join
×
Home
Answered Questions
Repair Topics
Repair & Service Guides
Popular Questions
Warning Lights
Trouble Codes
How It Works
Testing / Diagnostics
Symptoms
Videos
Login
Become a Member
Home
Ford
Five Hundred
Fuel System
Tank
Replace/Remove
Fuel tank on 1999 Ford Taurus
1999 FORD FIVE HUNDRED
6 CYL
MAXW1441
MEMBER
2 POSTS
FOLLOW
1999 Ford Taurus need to replace the pan mounted below the gas tank, but don't know what it is called so I can order one.
Jun 5, 2011 at 6:21 PM
Advertisement
RASMATAZ
CERTIFIED EXPERT
75,992 POSTS
Sounds like you're talking about a skid or protective plate for the fuel tank-
Jun 5, 2011 at 6:30 PM
MAXW1441
MEMBER
2 POSTS
Thank you I'll try to locate the part with that description.
Jun 5, 2011 at 6:42 PM
Advertisement
BMRFIXIT
CERTIFIED EXPERT
19,053 POSTS
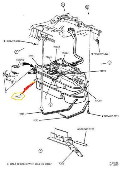
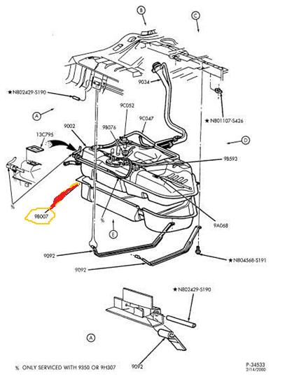
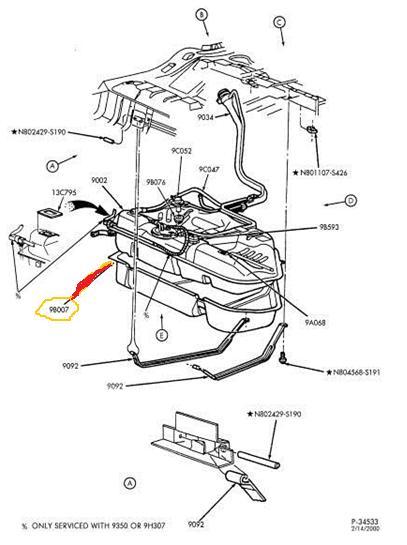
Part Number 9B007
Description Fuel Pump Shield
Image (Click to enlarge)
Jun 7, 2011 at 10:34 AM