Headlight issues

1999 PONTIAC FIREBIRD
60,000 MILES • 5.7L • V8 • 2WD • AUTOMATIC
Avatar
1999FIREHAWK
  • MEMBER
  • 4 POSTS
1.When the light switch is turned to Parking lights the headlight doors open, they should not.
2. when the switch is turned to headlights the driver side low beam lights up normal but the high beam lights up dim and both passenger side lights light up dim.
3. when the high beams are turned on the drivers side lights both bulbs normal but neither passenger side lights come on.
Aug 27, 2020 at 2:38 PM
Advertisement
Avatar
4DRTOM
  • CERTIFIED EXPERT
  • 467 POSTS
Hello Firehawk, I'm Tom I can give you a hand.

It sounds a lot like a bad ground somewhere probably right at one of the lights. Follow the wires leading from the from headlight to the plug they go into and make sure there is not broken wires or corrosion.Look for a wire running to the fender or frame a ground will have a bolt holding a ring for its attachment to the ground there. It's common for that spot to corrode and brake away. Seeing that you have dim lights that means the wire is still connected but beginning to fall off. Start at the side with the most dimming lights.
Let me know if you find a bad ground.
Tom
Aug 27, 2020 at 7:34 PM
Avatar
1999FIREHAWK
  • MEMBER
  • 4 POSTS
4DRTOM, I will definitely check those. Thank you. I did leave out that the gears are also grinding even when I use the fob to lock/unlock the doors or turn the lights off. It only happens when they go down. The fob makes the headlight doors wink, quick up then down. Do you think this is or may be the grounding as well?
Aug 27, 2020 at 7:43 PM
Advertisement
Avatar
4DRTOM
  • CERTIFIED EXPERT
  • 467 POSTS
Hi,

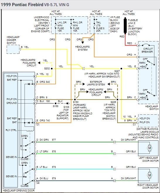
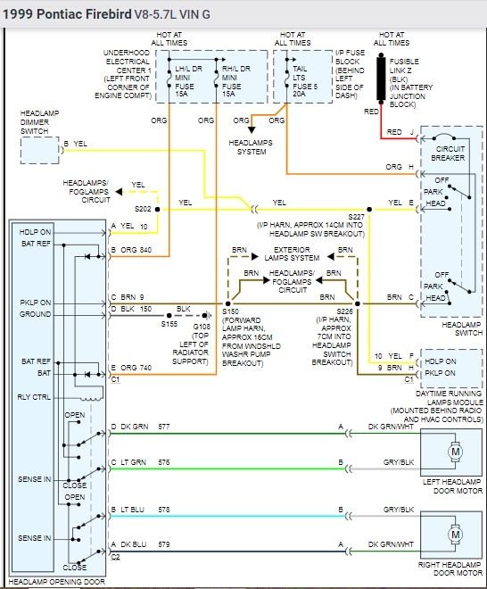
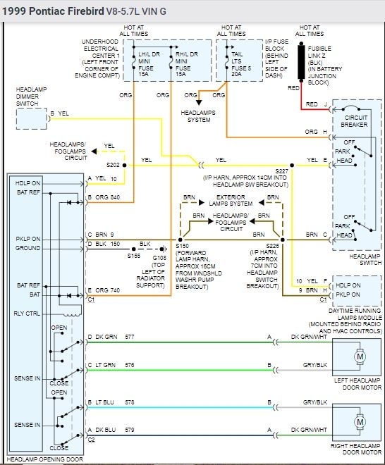
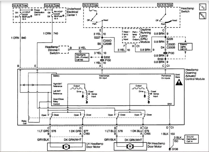
Here are the diagrams for the circuit. I included the daytime running light dimmer. They tie together in the system. How did this problem begin or is the car new to you? No fender benders or car washes? Any water get around the lights lately. I have seen out bulbs in backwards and the symptoms you have are exhibited. So check all of them with the grounds as well.
Let me know,
Tom.
Aug 27, 2020 at 7:56 PM
Avatar
4DRTOM
  • CERTIFIED EXPERT
  • 467 POSTS
Looking closer at your pics notice on the third one with the one light super bright? All the energy that want to go through the bad ground is back tracking through the headlight that super bright. You problem most likely on the passenger side, definitely check that all the bulbs are in correctly and not either swapped with another bulb or in backwards. If one is in wrong it will be more difficult to pull out than normal.

Yes, a ground and/or both a bulb in the wrong position too. That up and down window thing I have seen happen on a low voltage situation. You are having stray electricity running around the system that can cause strange things to happen. When you say grinding, what do you mean, the window motor?
Let me know,
Tom
Tom
Aug 27, 2020 at 8:01 PM
Avatar
1999FIREHAWK
  • MEMBER
  • 4 POSTS
4DRTOM, I checked the grounds, even cleaned them up, but the lights are the same. I've had the car for 4 years with no accidents or water issues.the problem came out of the blue.
Sep 2, 2020 at 4:57 PM
Avatar
4DRTOM
  • CERTIFIED EXPERT
  • 467 POSTS
Hello Firehawk,

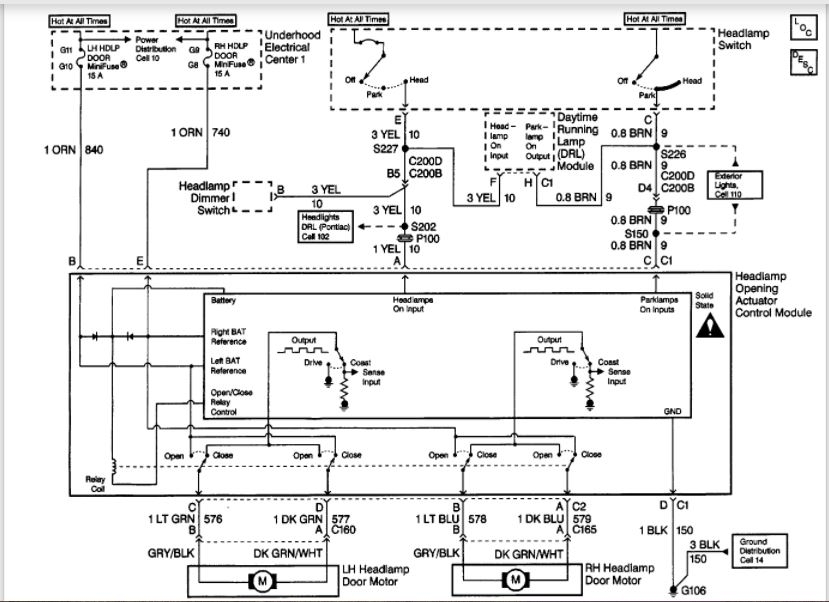
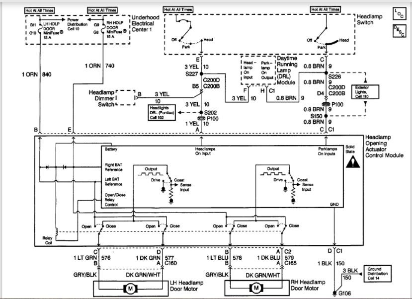
The door circuit is connected to the headlight system. Do you have a test light? Here is the diagram for the circuit. You could have a problem with the headlamp control module go through and test the connections, fuses, grounds and the inputs. Look for the obvious things; like bad wires, corrosion and things of the sort. I have seen bulbs short out as well. it's a long shot but try. swapping the bulbs and see if you get a change.These diagrams should help out.
Let me know what you come up with.
Tom
Sep 2, 2020 at 8:42 PM