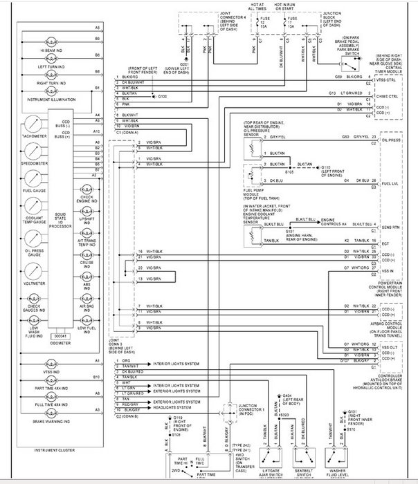
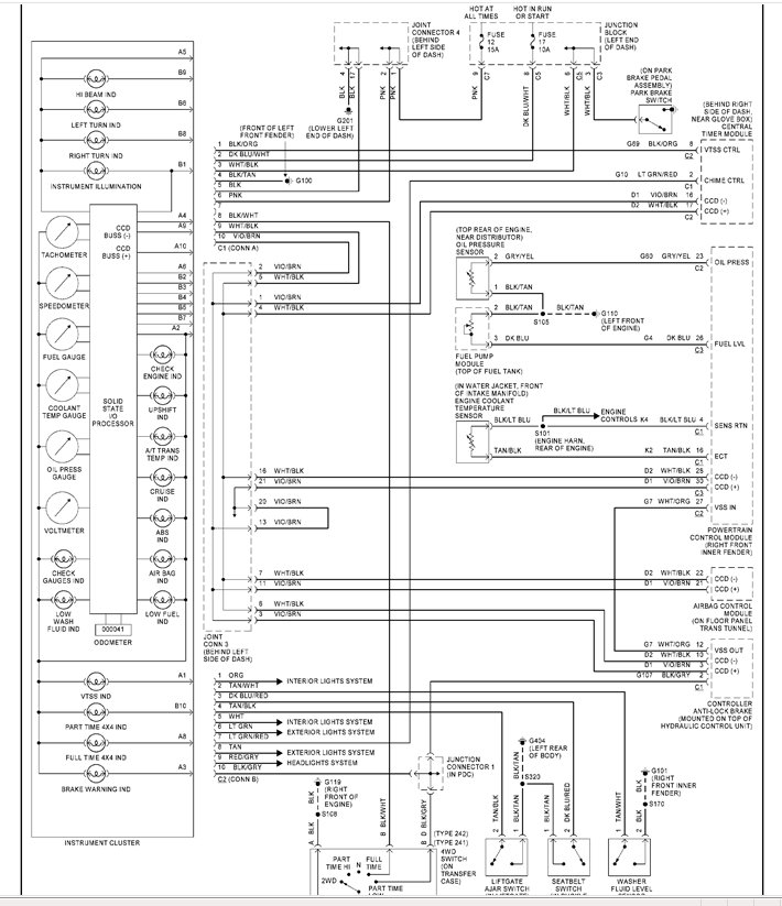
i changed speedsensor and the cluster but if i starte testing the wires to the vss and the speedometer puls the computer. the manule for the suv doesnt show the wire patern
Nov 12, 2011 at 11:57 PM
