1999 Dodge Durango heater core

1999 DODGE DURANGO
17,000 MILES • 0.8L • V8 • 4WD • AUTOMATIC
Avatar
JEN-BRATTIN
  • MEMBER
  • 1 POST
When heater is on it blows this white smoke and has a sweet smell. When looking under hood noticed the heater line was cut and running back into engine. When reconnecting we don't know if we connected these right. Top hose is in the male aluminum tube closest to the fire wall and the bottom hose is in the aluminum male part closest to the radiator. Is this correct and why this smoke and sweet smell?
Nov 15, 2014 at 6:19 PM
Advertisement
Avatar
CJ MEDEVAC
  • CERTIFIED EXPERT
  • 11,004 POSTS
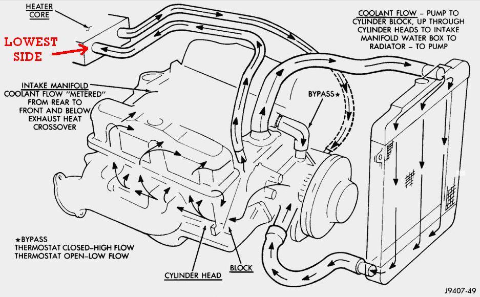
USUALLY THE HEATER CORE "FEEDS" FROM THE BOTTOM AND FLOWS UPWARD BEFORE IT EXITS OUT OF THE TOP CONNECTION

SEE THE DIAGRAM I INSTALLED AT THE BOTTOM

AS FAR AS THE SMOKE/ SMELL

THIS IS PROBABLY MR. HEATER CORE DONE SPRUNG A LEAK

(THIS MAY BE WHY IT WAS ALL BYPASSED OFF)

OR MAYBE YOUR HOSE CONNECTIONS TO IT ARE DRIBBLING AND GETTING RADIATOR JUICE ON IT

IT MIGHT BE THAT YOU MUST SPEND MANY HOURS AND TEARING YOUR DASH APART JUST TO GET TO IT, TO REPLACE IT

MAYBE YOU HAVE ONE OTHER "GET BY" OPTION, INSTEAD OF REPLACEMENT

WITH THE SYSTEM ALL HOOKED UP CORRECTLY AND READY TO RUN, INSTALL A BOTTLE OF ALUMINUM "STOP LEAK" ("BARS" IS ONE MFG) THIS STUFF LOOKS LIKE SILVER GLITTER IN A LIQUID. FOLLOW THE DIRECTIONS AND YOU MIGHT GAIN A LITTLE MORE TIME!

WHATCHU THINK?

THE MEDIC

Nov 15, 2014 at 7:24 PM
Avatar
WRENCHTECH
  • CERTIFIED EXPERT
  • 20,761 POSTS
I DO NOT recommend installing ay kind of sealer in the system. There is no such thing as "Mechanic in a Can". The only one that benefits from those additives are the people that sold it to you. All you will accomplish is plugging up both your heater core and your radiator.

If your heater core is leaking, your only options are to either replace the core and repair it properly or simply bypass the core and live without heat.
Nov 16, 2014 at 4:24 AM
Advertisement