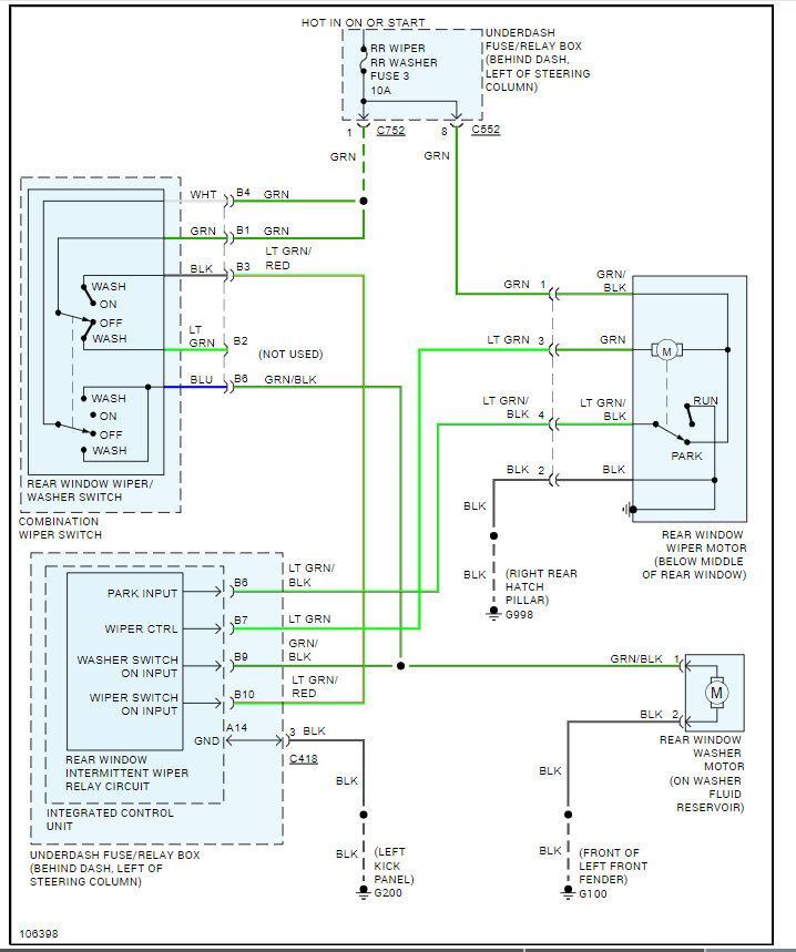
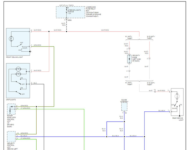
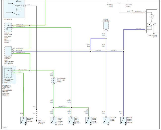
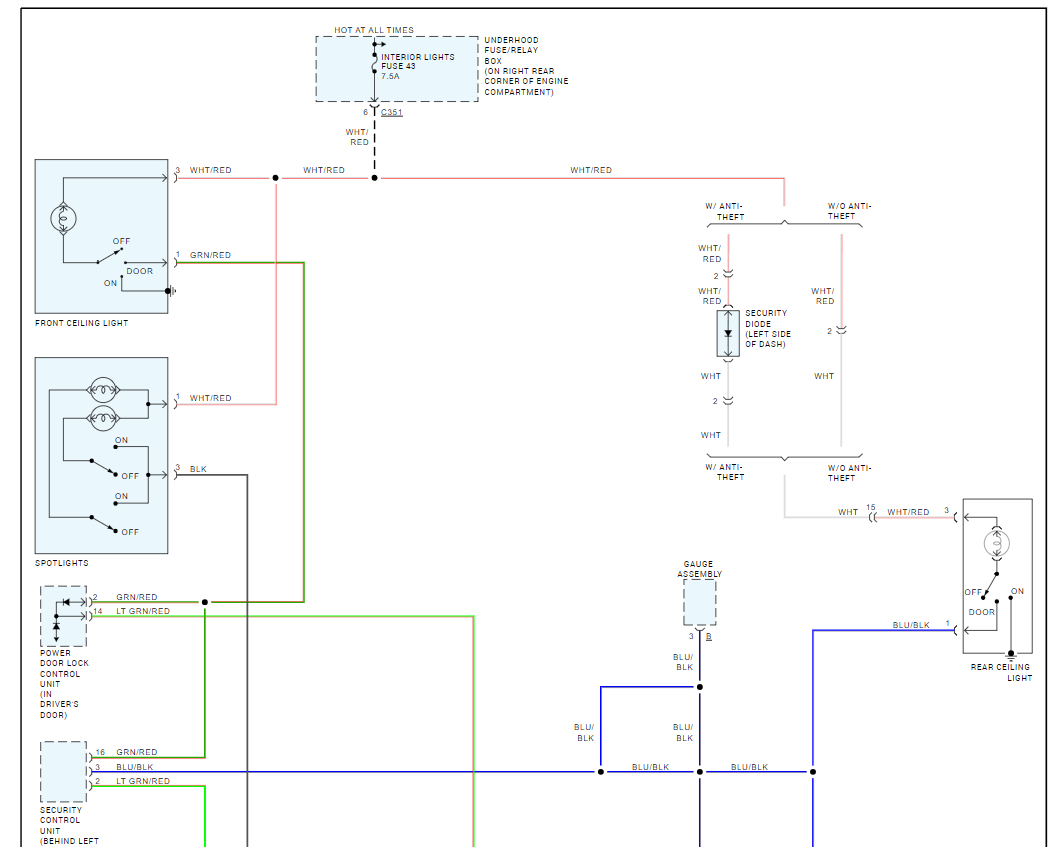
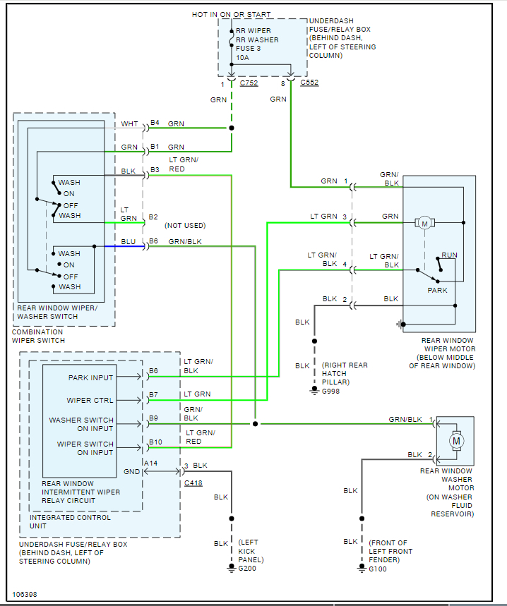
No dome/map light, rear wiper, key chime or key illumination, everything as far as I know. Checked the rear wiper fuse and under hood dome light fuse. Rear wiper and washer on same fuse and the rear washer work. Any ideas?
Sep 1, 2024 at 8:42 AM











