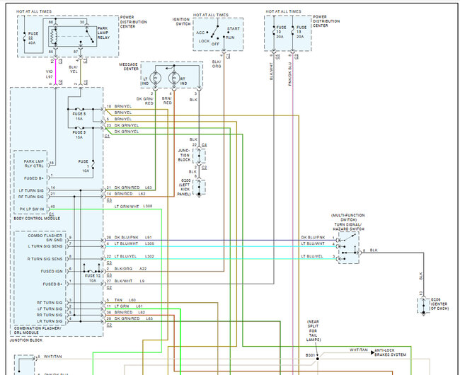
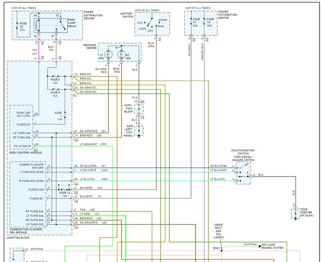
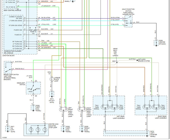
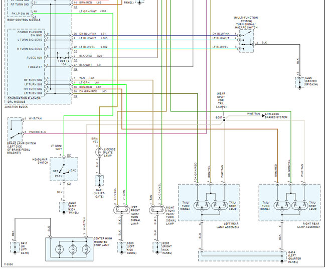
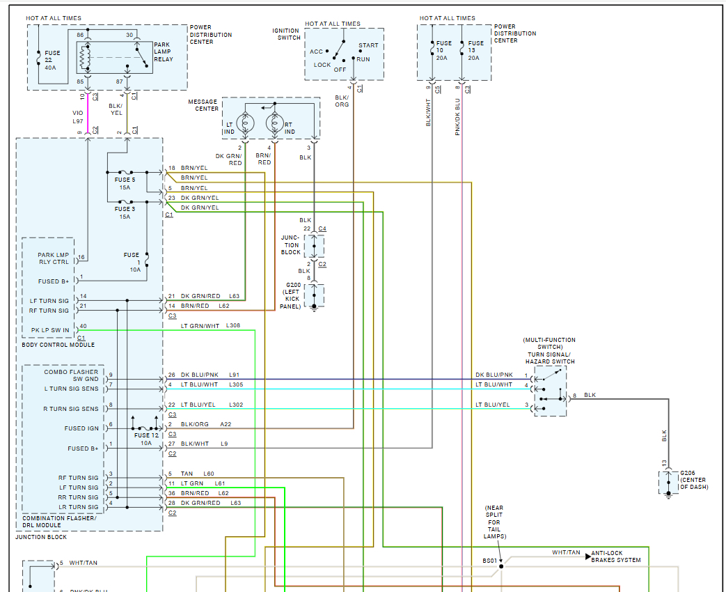
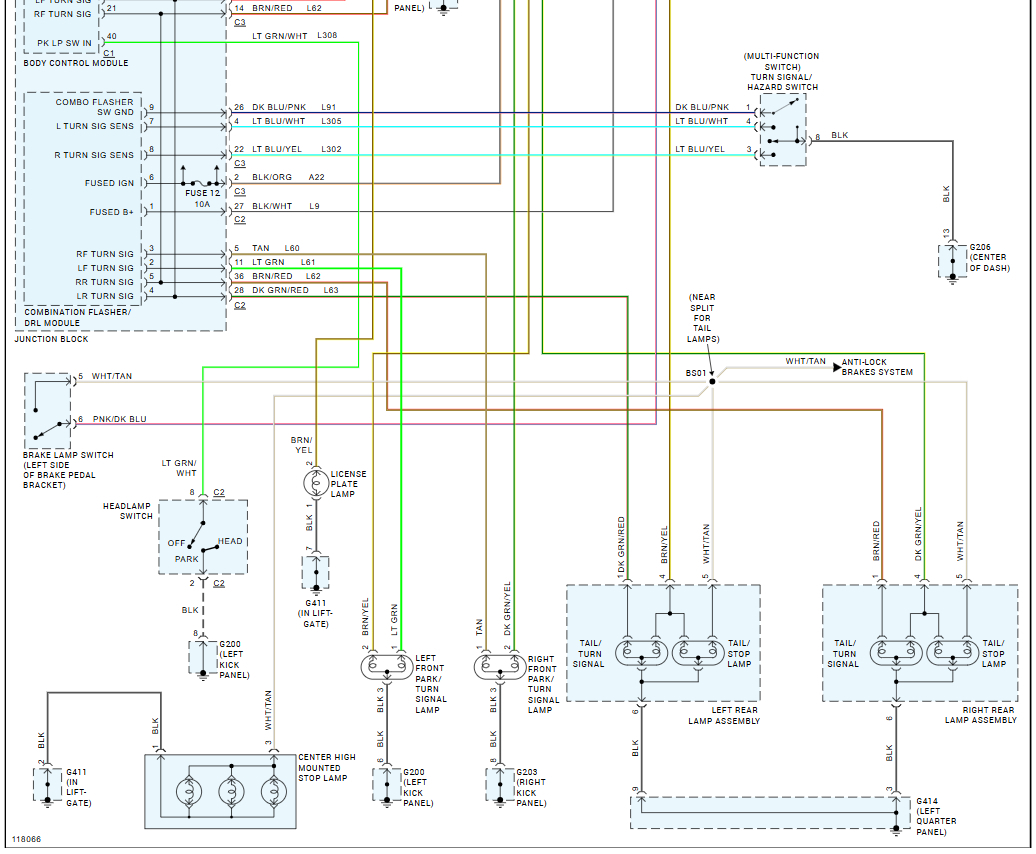
i have a 99 chrysler townand country my turn signals and hazard light dont work i channged all the fuses the bulbs turn signal switch and wiring harness what else is here
Jan 23, 2011 at 1:54 PM


