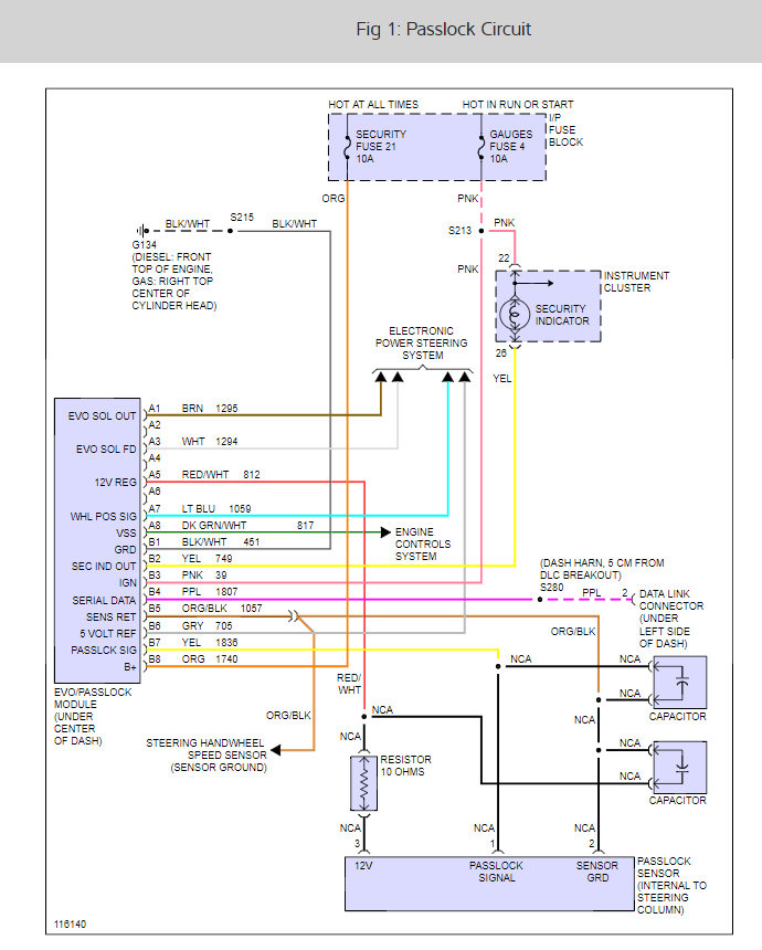
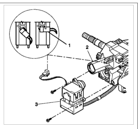
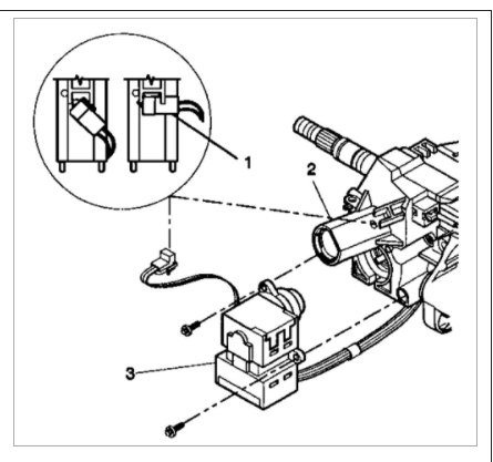
where is the sensor for key pass-lock ...in the key tumbler or housing for key lock??? i'm trying to decide where all components for pass-lock security system are located to check connections before purchasing the bypass from new rockies. security light stays on all the time while driving now it wont start anymore, no codes with scanner! Thanks Paul.
Oct 20, 2011 at 8:18 PM



