engine won't crank

1999 CHEVROLET S-10
130,000 MILES
Avatar
JOGA
  • MEMBER
  • 1 POST
1999 Chevy S10 LS. 2.2L 2WD.

Starting/Ignition Problem - starter less than 3 months old, battery less than a year.

When starting, the engine won't crank or make noises. The engine doesn't respond whatsoever. The pre-starting sequence seems to be normal. On the "on" position, the dash lights seem to light-up as normal and I can hear the typical noises (fuel pump?) that the truck makes prior to starting. On the "start" position, most of the dash lights and the radio turn off as normal as if it's also expecting the truck to start, but everything remains silent.

The problem happened without warning. One day it just wouldn't start. There are times, however, that it would start like normal. Sometimes, there would be a "pause" before the engine would actually crank and start the truck. Once the truck has started, it runs normal and I can repeatedly turn the truck on and off without fail. Only when it sits for a period of time that I run into this problem. But the length of time the truck sits doesn't seem to hold logic to the problem. I was able to successfully start the truck after it has sat for two days but can't get it going after it has only sat for about 4-8 hrs.

Lastly, in an attempt to just get the truck started, since it runs fine when once it's started, my father wired together a direct starter switch under the assumption that the problem may be due to the ignition's electrical system. The starter switch did the job for a while but it too stopped working! We're trying to fix the problem ourselves as much as possible to save costs but we're at a loss as to which direction to go from here. Currently, we think it might be the security features of the ignition system but were not entirely sure. Any help is much appreciated. Thanks in advance.
Dec 15, 2012 at 4:29 PM
Advertisement
Avatar
HMAC300
  • CERTIFIED EXPERT
  • 48,601 POSTS
Hello,

It sounds like you have a neutral safety switch that is going out or if you did not replace you starter with an AC Delco unit the starter could be bad. Cheaper rebuilds are just that but to be sure lets test for power at the trigger wire of the starter when a helper is holding the key to the crank position.

https://www.2carpros.com/articles/how-to-use-a-test-light-circuit-tester

Use a test light to confirm the power is getting to the starter.

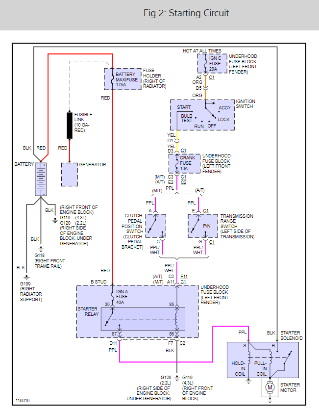
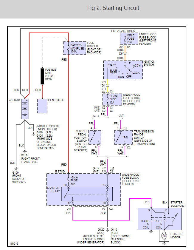
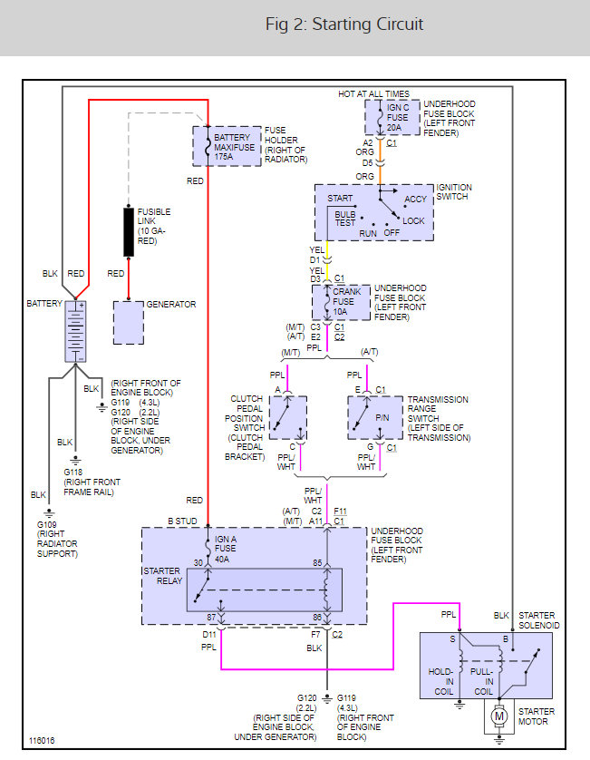
Here is a wiring diagram to help you also check the starter relay and the fuse and starter relay locations

Check out the diagrams (Below)

Please let us know what you find. We are interested to see what it is.

Cheers
Dec 15, 2012 at 5:04 PM
Avatar
STRAILER
  • CERTIFIED EXPERT
  • 53,854 POSTS
Hey JOGA,

Here is a starter replacement and test guide. Please check it out, Also of the starter is not an AC Delco unit it is probably bad.

https://www.2carpros.com/articles/how-to-replace-a-starter-motor

Please let us know happens so it will help others.

Best, Ken
Dec 14, 2016 at 8:00 PM
Advertisement
Avatar
BDC COKRELL
  • MEMBER
  • 1 POST
Yep, It was the starter relay Once I replaced it the starter works great thanks guys!
Aug 8, 2017 at 4:52 PM