Tail lights won't work

1999 CHEVROLET LUMINA
166,000 MILES • 3.1L • FWD • AUTOMATIC
Avatar
DCRAB
  • MEMBER
  • 1 POST
Tail lights don't work after replacing turn signal switch? Was told it could be a 2-way bulb that is used for the tail/break lights. does that sound correct?
Jun 18, 2014 at 7:42 AM
Advertisement
Avatar
HMAC300
  • CERTIFIED EXPERT
  • 48,601 POSTS
You may have caused another issue when changing the switch, if they worked before.
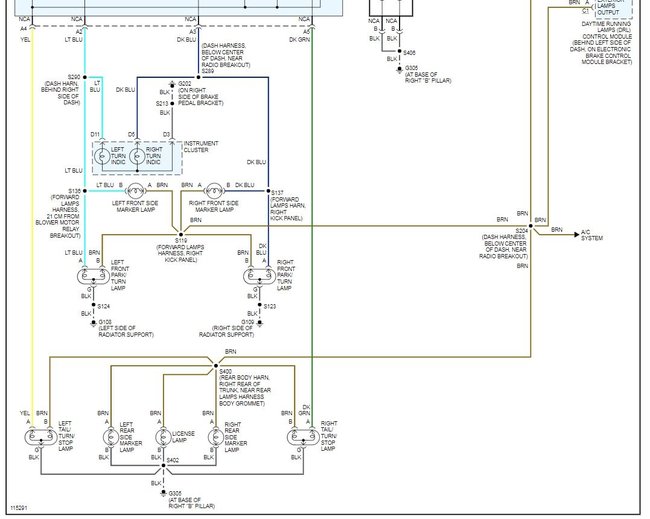
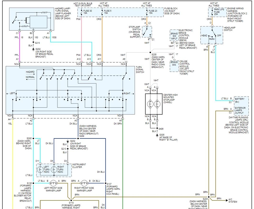
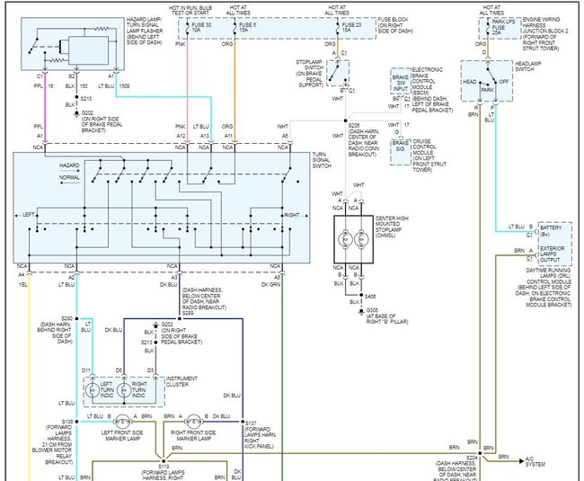
This vehicle does use a dual element bulb for running/turn lights

See the guide below on testing wiring, it will help

https://www.2carpros.com/articles/how-to-check-wiring

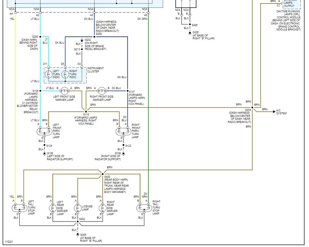
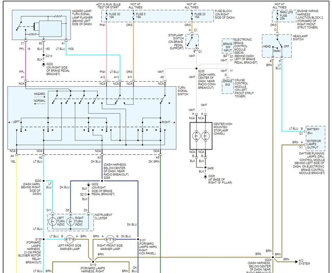
The wiring diagrams for your exterior lights are attached below
Jun 19, 2014 at 6:21 AM
Avatar
MATRIARCHMOM
  • MEMBER
  • 1 POST
Just recently I've noticed my dashboard lights do not function, if you turn the car off and leave the lights on, the warning bell does not work and tail lights do not work when headlights are turned on. I have checked for a bad fuse but cannot find one that looks bad. I no longer have an owners manual to check for this problem.
Nov 12, 2018 at 8:16 AM (Merged)
Advertisement
Avatar
JDL
  • CERTIFIED EXPERT
  • 16,098 POSTS
Welcome to the forum. Check park lamps fuse 15 amp. Use a testlite, check that the fuse circuit has voltage. If that checks out, get at the headlite switch connector. Orange wire is hot all the time, brown wire carries voltage to the tail lites. Maybe a problem with the headlamp switch?
Nov 12, 2018 at 8:16 AM (Merged)
Avatar
N9NTTCHUCK
  • MEMBER
  • 3 POSTS
my 95 luminas tail lights and instrument lights stopped working i checked the fuse it is ok what do i do now
Nov 12, 2018 at 8:16 AM (Merged)
Avatar
RASMATAZ
  • CERTIFIED EXPERT
  • 75,992 POSTS
Check and test the headlamp switch-start here
Nov 12, 2018 at 8:16 AM (Merged)
Avatar
N9NTTCHUCK
  • MEMBER
  • 3 POSTS
but the headlights work
Nov 12, 2018 at 8:16 AM (Merged)
Avatar
N9NTTCHUCK
  • MEMBER
  • 3 POSTS
and how do you test it
Nov 12, 2018 at 8:16 AM (Merged)
Avatar
TJREIBER
  • MEMBER
  • 1 POST
Do not have tail lights or any dash lights but all other lights work on the car can not find the problem. What could it be?
Nov 12, 2018 at 8:16 AM (Merged)
Avatar
LP48322
  • MEMBER
  • 2 POSTS
I have same problem.
I have checked the fuse (the fuse was under the hood - driver side 25A just beside the hore fuse), but it's OK.
I tried different headlight switch. Taking instrument panel was not easy, but was able to take it out.
Unpluging (taking out) headlamp switch was hard, and the two metal clamps were bent and had been fallen out of the switch, but recovered.
With new switch (Duralast brand from autozone), there was no luck.

Now I found some one who had similar problem with 1997 Mazda 626 was answered by some one mentioning combo switch. For mazda, it sounded simple relay, but for the lumina, it means the turn signal lever which is mounted on the steering column and I am afreaid of touching it.

There are so many people struggling with this problem. However, no one seems resloved yet.

Lee
Nov 12, 2018 at 8:16 AM (Merged)
Avatar
WSWJONES08
  • MEMBER
  • 38 POSTS
actually i have, i had the same problem. Check the contacts in the fuse box itself. Mine was corroded, so i had to cut the wires and connect it to a new fuse (holder? dont know what to call it). turn the headlights on, and then find the fuse (under the hood, drivers side) and wiggle it around. when you push it in a certain direction, the lights should work, hence it being corroded.
Nov 12, 2018 at 8:16 AM (Merged)
Avatar
ARIELLIFSCHITZ
  • MEMBER
  • 1 POST
Wwjones08-

I'm having the same problem you had, tail lights and dash lights on a 96 lumina are not working.

That went on for a while, now the brake lights (left and right) don't work either, but the center one in the window does.

Mechanic tells me it's due to the contacts in the Driver's side under the hood Fuse block being corroded. Problem is, he's looked everywhere, even checked hardware stores, GM dealers, and can't find replacement contacts! (he calls them "female ends for the maxi fuses". )

When he ordered a new Fuse block from the GM dealership, he got just the plastic honeycomb, no contacts inside. He needs the ones specifically for the maxi fuses he says.

Where did you buy or find the contacts? We've looked at some junkyard parts (get the fuse block with wires still attached) but the contacts are just as corroded!

Any clues would be MUCH appreciated, it's either find the contacts or junk the car at this point for me.

Thanks!!!
Nov 12, 2018 at 8:16 AM (Merged)
Avatar
WSWJONES08
  • MEMBER
  • 38 POSTS
Obviously you probably fixed this by now, sorry for the late (only a year.. ha) response. But for anyone else who may experience this, I purchased a separate holder for the fuse (can purchase at lowes or home depot). I found the wires that ran to the corroded contacts (be very careful to not cut the wrong ones) and cut the two. Used a crimp to attach the wires to the fuse holder and voila, fixed.
Nov 12, 2018 at 8:16 AM (Merged)
Avatar
J.A.P.
  • MEMBER
  • 1 POST
where can I find the fuse for the dash lights and the tail lights . thanks
Nov 12, 2018 at 8:16 AM (Merged)
Avatar
JDL
  • CERTIFIED EXPERT
  • 16,098 POSTS
Under the hood, driver side, electrical center, park/lamps fuse. Not only check the fuse, check that the circuit is hot, where the fuse plugs in.

Your tail-lites get voltage through the headlite switch.
Nov 12, 2018 at 8:16 AM (Merged)
Avatar
ASS9R
  • MEMBER
  • 1 POST
listen i had same problem all i did was loop wire labelled n and o together at the plug in doing this i completed the circuit only when you turn on the light switch in park light and headlight the dashlights came on with the chime it also turns back off when switch is turned off
Nov 12, 2018 at 8:16 AM (Merged)
Avatar
JOHNLEWIS50
  • MEMBER
  • 1 POST
tail lights and dashboard lights not working on 1991 lumina
Nov 12, 2018 at 8:16 AM (Merged)
Avatar
JDL
  • CERTIFIED EXPERT
  • 16,098 POSTS
Did you check applicable fuses? There is a taillamp fuse and panel fuse also. Use a voltage tester, check for voltage. At the headlamp swwitch, brown wire is voltage for taillamps, I believe gray wire is voltage for instrument cluster.
Nov 12, 2018 at 8:16 AM (Merged)
Avatar
IHATEQUINN10
  • MEMBER
  • 1 POST
Electrical problem
1995 Chevy Lumina 6 cyl Front Wheel Drive Automatic

the turn signals and tail lights are working but only the 3rd brake light is working when you push the brakes fuses and bulbs are new and tail light assemblys are new i was wondering if i could just run the brake light wire from the main spot that it starts and run it to the back tail lights but i cant find where it starts so if you could please help me with some advice on this project
Nov 12, 2018 at 8:16 AM (Merged)
Avatar
JACOBANDNICKOLAS
  • CERTIFIED EXPERT
  • 110,175 POSTS
Hi:

If the 3rd brake light is working, you must have a broken wore near or around the rear tail lights. It could be a power supply, or the ground wire may have broken or corroded. Take a look at the wiring back there and let me know what you find.

Joe
Nov 12, 2018 at 8:16 AM (Merged)
Avatar
N2DUBES
  • MEMBER
  • 3 POSTS
Had same problem on mine. Seems this is a common Lumina problem. If you pull back just the slightest on your directional signal and push on the brakes I bet all the lights will come on. It seems that the brake lights were wired through the directional signal so that when you step on the brake the cruise will go off. You will need to replace the directional switch inside the column or just remove it and straighten out the pins.
Nov 12, 2018 at 8:16 AM (Merged)
Avatar
SOUNSTOPPABLE
  • MEMBER
  • 1 POST
Electrical problem
1997 Chevy Lumina Front Wheel Drive Automatic

i got my lumina from my mom last year. shes had the car for ten previously. one night im driving with my i pod charger in the lighter outlet and i turn the car off. when i go to turn the car back on my dash and tail lights do not come on. when i go to brake the tail lights work. so i checked the fuses and there fine. how can i fix my wireing myself without payin a heavy auto fee?
Nov 12, 2018 at 8:16 AM (Merged)
Avatar
INTERNETMECHANIC
  • CERTIFIED EXPERT
  • 700 POSTS
I'd have to check voltage circuit, to and from the headlamp switch. Orange wire is hot all the time, brown wire carries voltage to tali-lamps, when switch is activated. You need a voltage tester, testlite or digital multimeter. Any fuse you check, you need to check for voltage on the circuit, even if the fuse is good, if no voltage, the circuit is dead.


https://www.2carpros.com/forum/automotive_pictures/512072_lumina_headlamp_switch_1.jpg

Nov 12, 2018 at 8:16 AM (Merged)
Avatar
ALICEINVIRTUALREALITY@GMA
  • MEMBER
  • 1 POST
Electrical problem
1999 Chevy Lumina

need to know how to look for wires connecting to the brake lights. intermittently turns on than off. More off than on.
Nov 12, 2018 at 8:16 AM (Merged)
Avatar
JALOPYPAPA
  • MEMBER
  • 467 POSTS
I would first check the brake light switch, which is up under the dash contacting the brake pedal arm. It can get out of alignment, stick or wear out.
Nov 12, 2018 at 8:16 AM (Merged)
Avatar
GOPHER4
  • MEMBER
  • 6 POSTS
Lately my turn signals only work if I hold them halfway down. I have tried the turn signal fuze and all other fuzes related to the turn signal. I have also checked the bulbs in each of the lights. When the turn signal is depressed all the way, it does not blink at all.

Someone mentioned there may be a short, but what is the best way to diagnose this issue without tearing into my steering column? Could there be a short in my signal tree? Also, when depressed, the hazards work sometimes, but not all the time.

Any help is appreciated!
John
Nov 12, 2018 at 8:16 AM (Merged)
Avatar
BLUELIGHTNIN6
  • CERTIFIED EXPERT
  • 16,542 POSTS
Inspect your flasher. It runs both the turn signals and the hazards in your vehicle. It is located behind the left hand side of the instrument panel, mounted in the bulkhead. Let me know results of replacing this and I will follow up.


Thanks for using 2CarPros.com!
Nov 12, 2018 at 8:16 AM (Merged)
Avatar
GOPHER4
  • MEMBER
  • 6 POSTS
Hey bluelightnin6,

Thanks for the quick response! I have tried swapping out the flasher before and that does not remedy the problem. Signals still only work when I hold down the turn signal switch, about halfway.
-If I go to far or not far enough, they blink twice as fast.
-If they are all the way down, they don't blink at all.

Any other thoughts?
Nov 12, 2018 at 8:16 AM (Merged)
Avatar
BLUELIGHTNIN6
  • CERTIFIED EXPERT
  • 16,542 POSTS
Is the hazard switch located on the turn signal switch? If so then the switch may be faulty.
Nov 12, 2018 at 8:16 AM (Merged)
Avatar
GOPHER4
  • MEMBER
  • 6 POSTS
The hazards are located on the top of the steering column and the turn signal tree is to the left of the steering column. So I assume that they are independent. Do you think taking off the top part of the column is a good place to start?
Nov 12, 2018 at 8:16 AM (Merged)
Avatar
BLUELIGHTNIN6
  • CERTIFIED EXPERT
  • 16,542 POSTS
Since the hazards and the turn signal are separate and are both having issues then ,yes, I would suspect some faulty wiring in the column. Is your vehicle equipped with tilt steering? If it is, and used often, this sometimes causes binding issues with the wiring and starts to break the isolation rubber off then causes shorts. Let me know how the wiring looks and I will follow up.




Thanks for using 2CarPros.com!
Nov 12, 2018 at 8:16 AM (Merged)
Avatar
GOPHER4
  • MEMBER
  • 6 POSTS
Thanks for the info. It does have tilt steering so I will look at that to see if anything is binding or pinched loose. Sorry it has been awhile....just spent the weekend moving and email was down for awhile!

I will follow up when I have a chance to look things over.
Nov 12, 2018 at 8:16 AM (Merged)
Avatar
KRICH
  • MEMBER
  • 1 POST
I had the same problem with the dashboard lights and tail lights all not working. After reading all the questions and responses on this page, I took the dash apart and got at the switch. When you remove the plug from the switch body in the back, you can access the terminals. I stripped the half-inch off the ends of two 18 gauge wires and slip them into the plug, one each to the red and brown wire terminals then put the switch back together.. The terminals on a switch body actually hold the wires in place. At the other end of those two wires I put a switch to turn them on and off. I just mounted the switch to the right of the trunk release. As this vehicle has 250k miles, I was hesitant to put $90 toward my cost for a switch.
Nov 25, 2019 at 4:40 AM