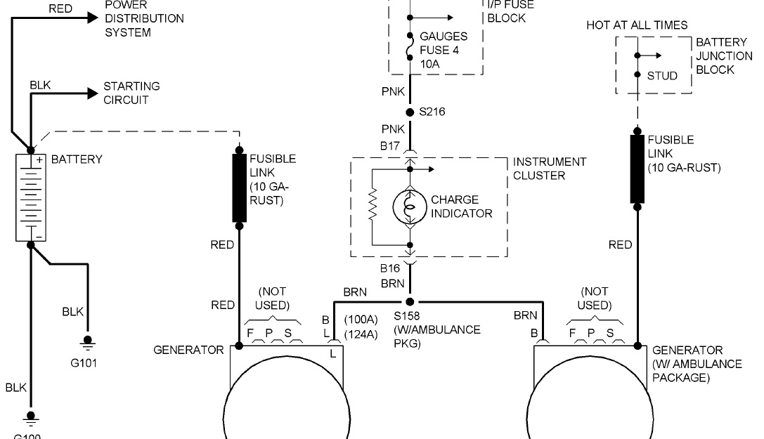
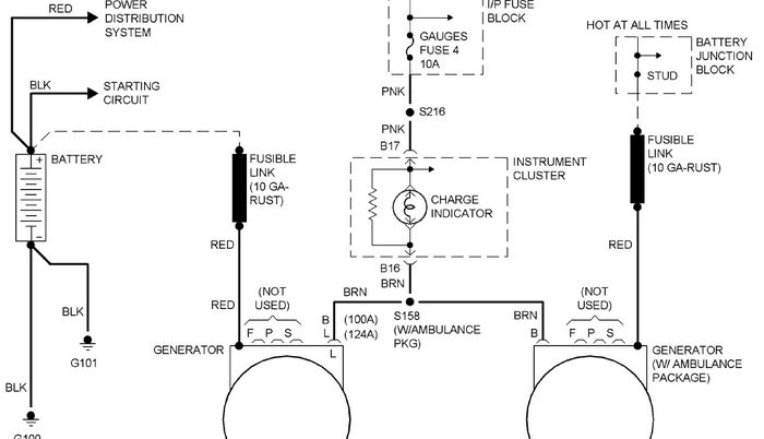
I'm having problems with my charging system. I recently, as of June 2012, replaced the alternator (New, not rebuilt) and the battery on my van. Everything worked well for about 3 months and the battery died. Since the battery was warranteed I was able to replace it, and just after replacing it, the new battery began losing juice also. It seems my alternator is only pushing out 11.5 volts out of the battery cables. Could there be a problem with these cables? If so, how could I know?
Oct 26, 2012 at 4:27 PM
