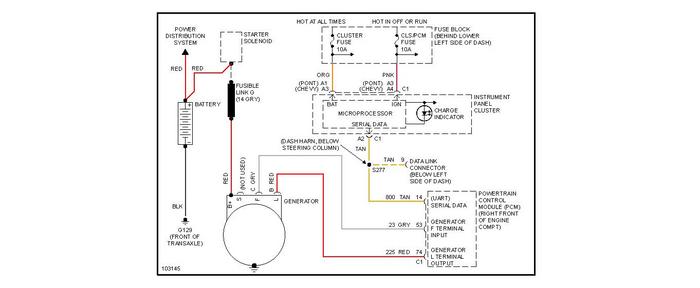
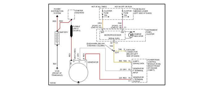
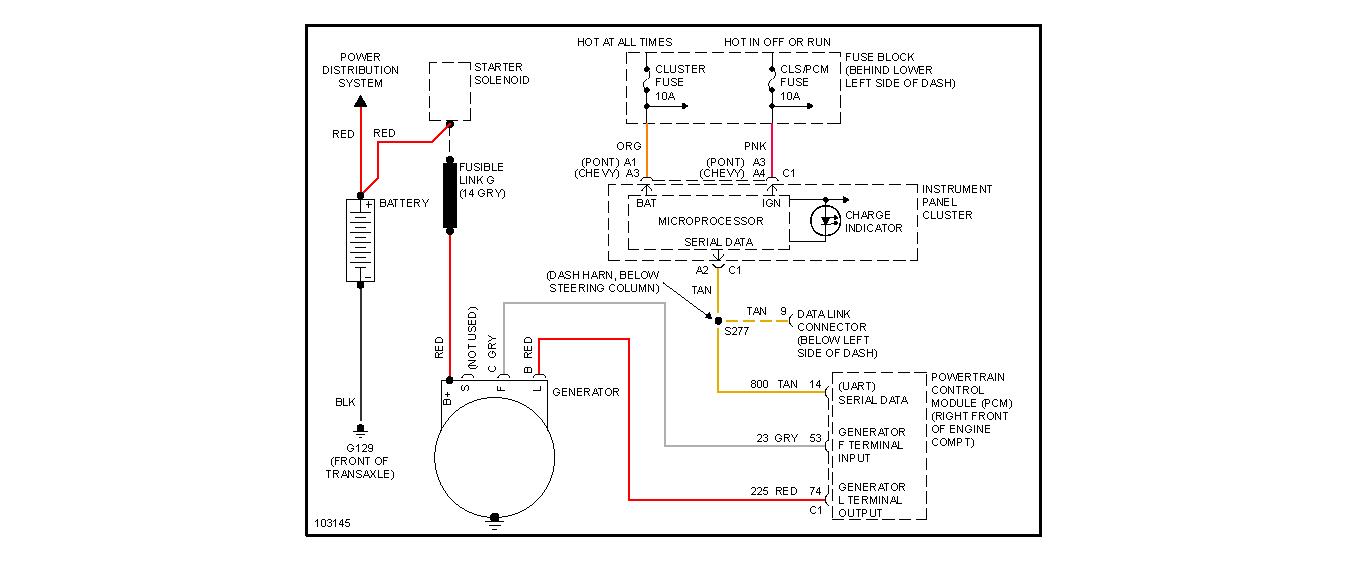
I have a 99 Chevy Cavalier Z24 with 114,000 miles. The battery light comes on when I start the car and occiassionally, getting more frequent, when I'm driving. I've had a load test done on the battery done, cables cleaned, alternator checked and fan belt. No one seems to know why it keeps coming on. Where should I check next. Thanks. Sandi
Dec 1, 2010 at 7:18 PM
