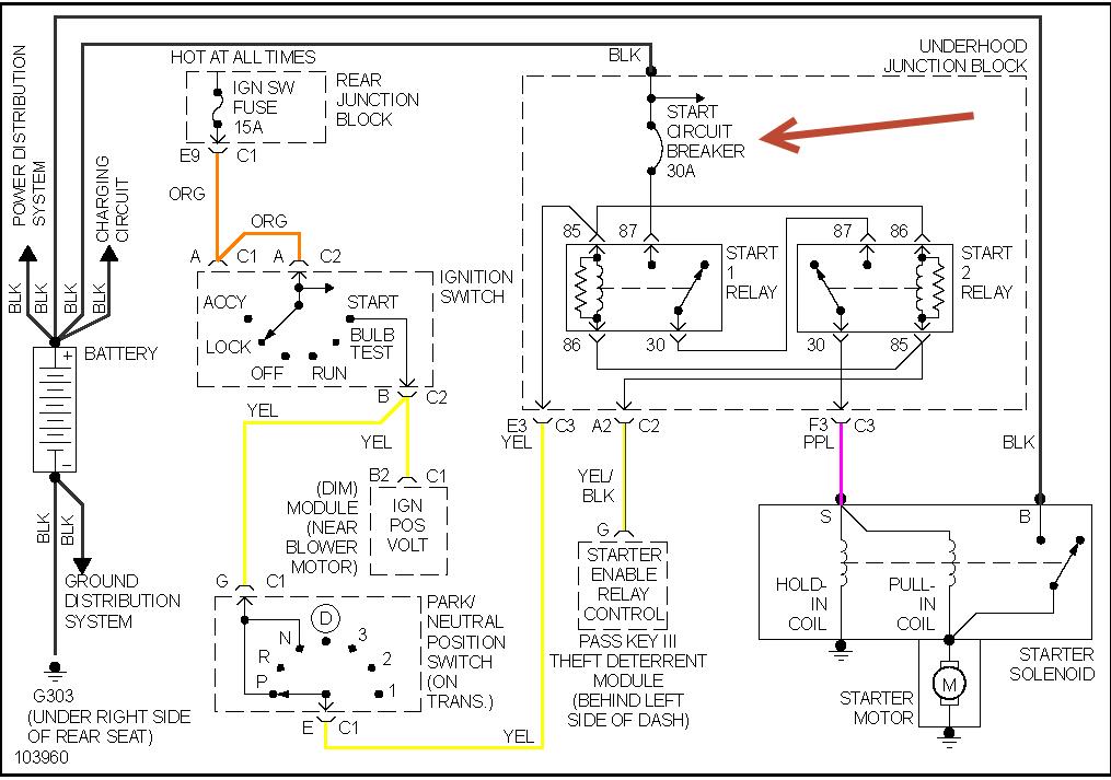
I have a no crank no start issue and I have had the battery replaced, cables checked, ignition switch replaced, and starter checked. I also have checked all of my fuses and relays. I think it may be a grounding issue but I have checked the battery ground and I do not know where the ground is that controls the starter. What would be my next step?
Oct 19, 2013 at 10:15 AM
