tai lights aren't working

1999 CADILLAC ESCALADE
Avatar
LARNEYBUSH
  • MEMBER
  • 1 POST
My tail lights will not come on when all the lights are on. The brake and the hazzard lights both work, but the rear park light will not come on. Checked all fuses and the are all good. What can be the problem then the fix?
Sep 22, 2011 at 3:41 AM
Advertisement
Avatar
JACOBANDNICKOLAS
  • CERTIFIED EXPERT
  • 110,175 POSTS
Make sure the bulbs are good. They are a duel element bulb. One could work and the other be bad. After that, you need to check for power to the socket. If there is no power, you need to check wiring. Remember, the power to the lights goes through the headlight switch. It could be bad.

Read the guide below on how to use a test light, it will help

https://www.2carpros.com/articles/how-to-use-a-test-light-circuit-tester


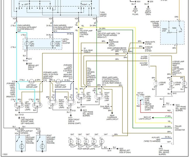
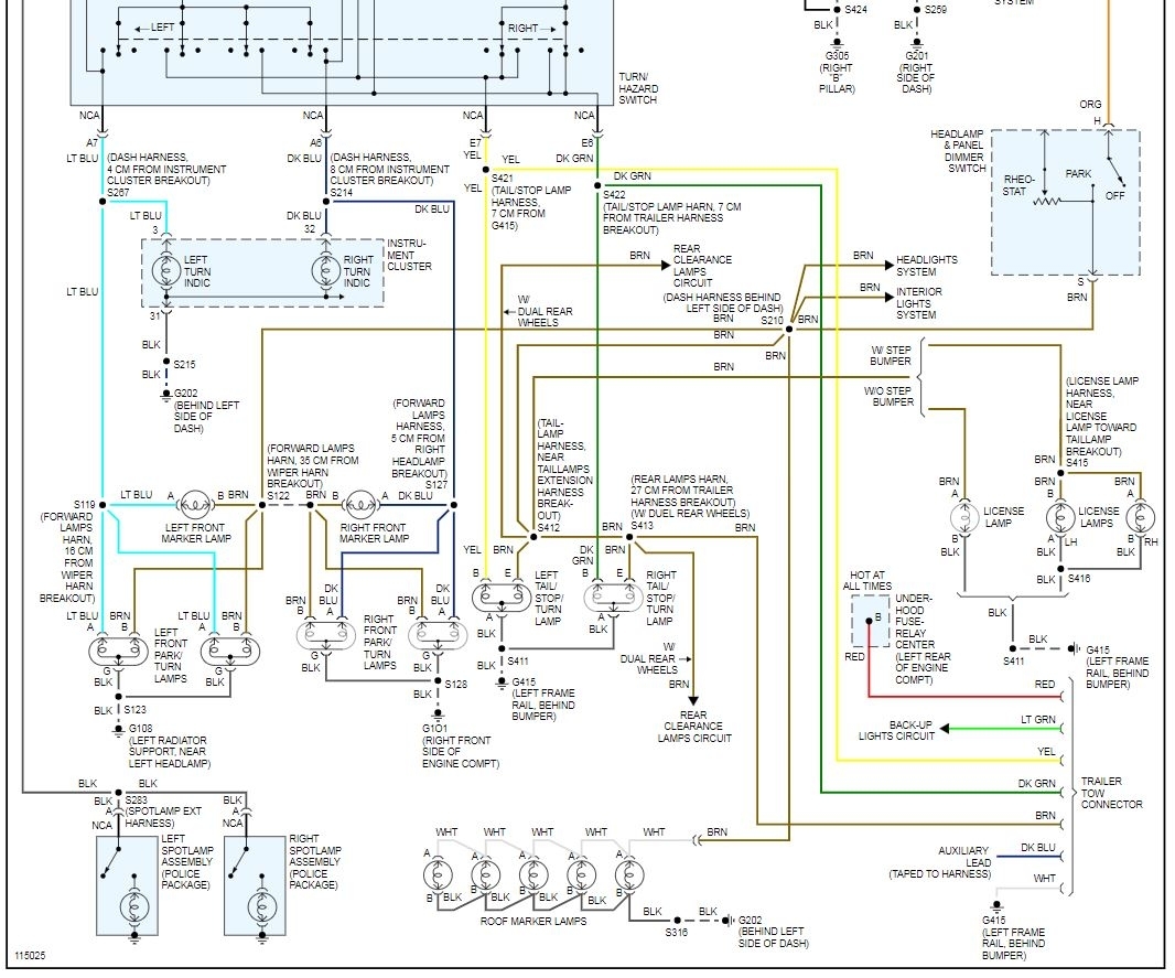
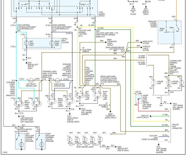
Attached below are the wiring diagrams for you rear lights
Sep 22, 2011 at 3:50 AM