1999 Cadillac Deville Derrick

1999 CADILLAC DEVILLE
180,000 MILES • 3.2L • V8 • 2WD • AUTOMATIC
Avatar
DERRICK TYSON
  • MEMBER
  • 3 POSTS
When I put the 50watt fuse in the battery slot underneath the hood, it automatically starts up without turning the key, and the dash reads may not start, the drive, nuetral, reverse lights up and blinks on and off when I take the 50 watt fuse out underneath the hood
Dec 3, 2013 at 9:23 AM
Advertisement
Avatar
HMAC300
  • CERTIFIED EXPERT
  • 48,601 POSTS
there are 6 50 amp fuses underhood which one? besides it will need to be scanned for codes a pro will need to do it.
Dec 3, 2013 at 12:30 PM
Avatar
DERRICK TYSON
  • MEMBER
  • 3 POSTS
It's the 50watt fuse that goes to the battery underneath the hood on the driver side. It runs the wattage from the battery to the starter. Is it possible to hook the wired up backwards to the starter?
Dec 3, 2013 at 12:38 PM
Advertisement
Avatar
HMAC300
  • CERTIFIED EXPERT
  • 48,601 POSTS
I don't see how that could happen unless it was intentionally disconnected thenn reconnected. the box you talk about there are three 50 amp fuses there. the fuse block wire should go to positive side and negative goes to engine and body.
Dec 3, 2013 at 12:42 PM
Avatar
DERRICK TYSON
  • MEMBER
  • 3 POSTS
The fuse I'm talking about is under the hood on the right hand side on the fuse box, and it's the 3rd fuse from the bottom. It powers the red wire that connect to the starter from the battery. Before I replaced the starter there would be smoke coming from this starter under the manifold when I put that fuse in the battery slot. It's the 3rd fuse from the bottom (50watts) on the right hand side of the fuse box
Dec 3, 2013 at 12:56 PM
Avatar
HMAC300
  • CERTIFIED EXPERT
  • 48,601 POSTS
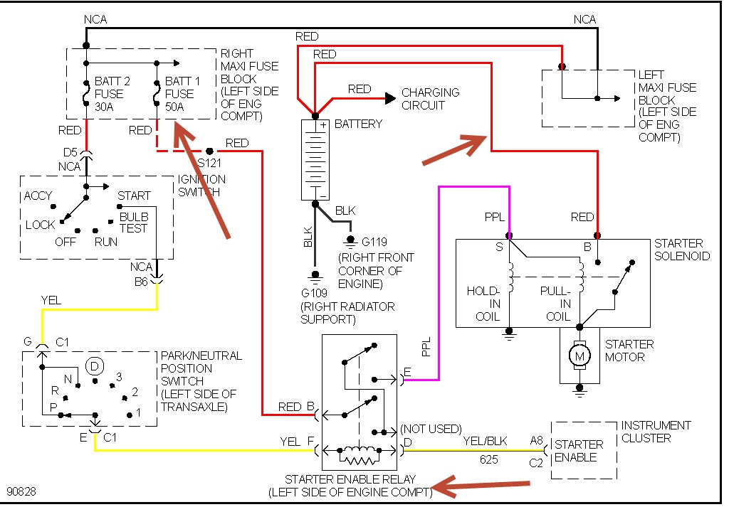
that is the theft deterent relay so it will have something to do with the starter. try another key or try to reset it. here is pic of circuit, check the red wire for being shorted to block or something hitting block. also includedis how to reest anti theft.
Dec 3, 2013 at 1:04 PM