1999 CADILLAC DEVILLE
Avatar
JAMES HALVERSON
  • MEMBER
  • 1 POST
How can i bypass master window switch to drivers side window up untill my new switch gets in?
Mar 4, 2013 at 11:51 PM
Advertisement
Avatar
CARADIODOC
  • CERTIFIED EXPERT
  • 34,306 POSTS
If you unplug the switch assembly, can you determine which two wires go to the window motor? If not, you'll have to remove the door panel and go right to the connector on the motor. Once those two wires are identified, turn on the ignition switch, then test the terminals in the window switch connector to find the one that has 12 volts. You're also going to need a ground. If you're using a voltmeter with two probes, leave the positive probe where you found 12 volts, then move the negative probe to find which terminal again gives 12 volts. Now you've identified the feed and ground wires. If you're using a test light with a big ground clip, you'll have to make a probe out of a stretched-out paper clip.

If you don't find the feed and ground wires to provide 12 volts, there's a broken wire between the door hinges. If the other windows work from the driver's door switch, those wires are okay.

Use a piece of wire to jump the 12 volt feed terminal to one of the window motor terminals. Use another wire to jump the ground terminal to the other window terminal. If the motor tries to run the wrong way, switch the two wires between the two window terminals. That will reverse the polarity to the motor and make it run the other way.

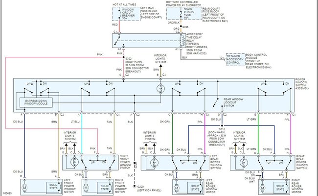
Attached below you will find the wiring diagram for the power windows, it will show you which wires to apply power/ground to
Mar 5, 2013 at 12:50 AM