Just to get you started. For the ac, does the ac compressor under the hood, engage?
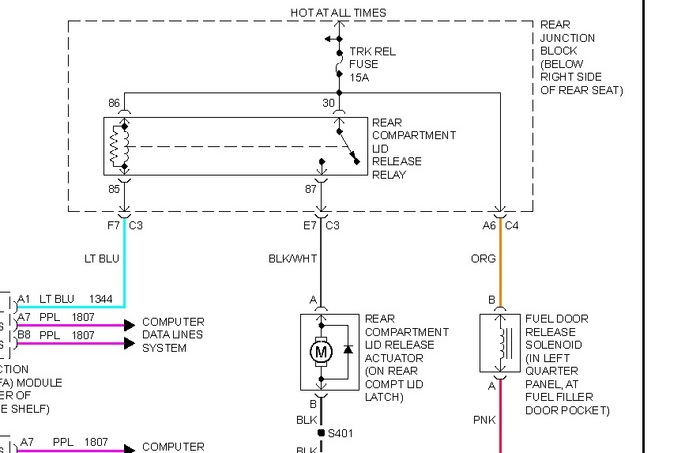
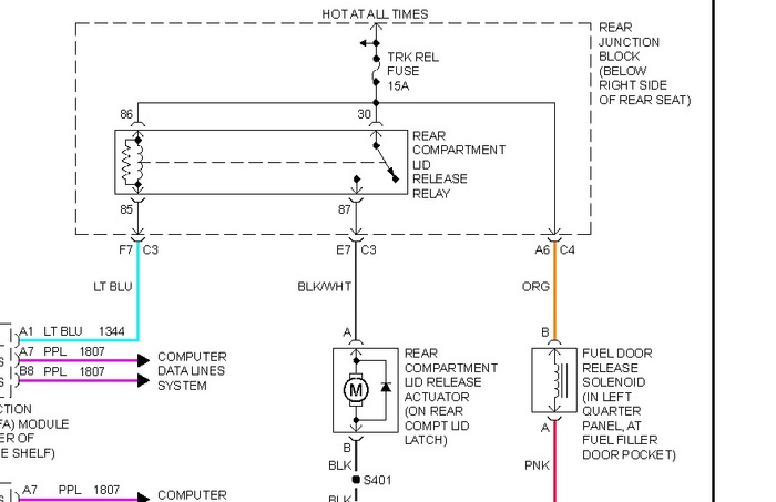
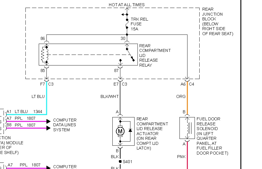
Do you have a key for the trunk, check the release mechanism and wiring circuit.
If your saying the gas gage doesn't work, you may have a problem with sending unit in the gas tank. Sometimes, you can use a couple of resisters at the fuel gage sending unit, at the fuel pump connector. If the gage reacts properly to the two different size resistors, everything from the test point forward should be ok.
Jun 23, 2011 at 2:02 PM