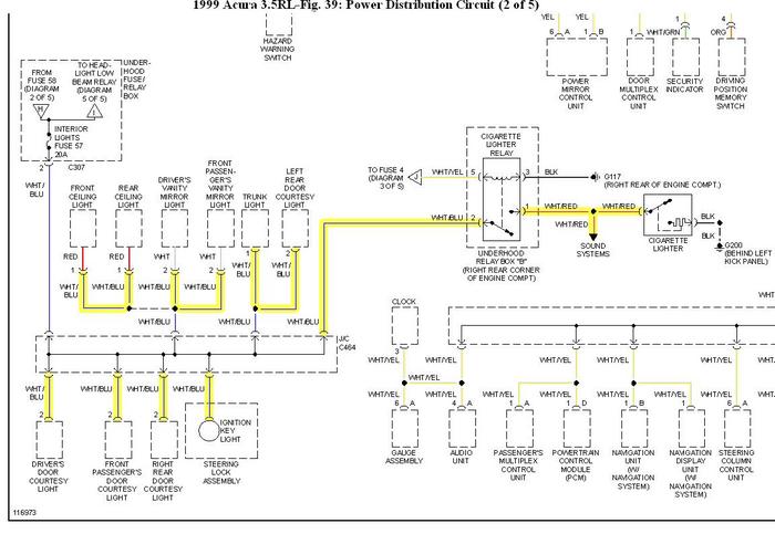
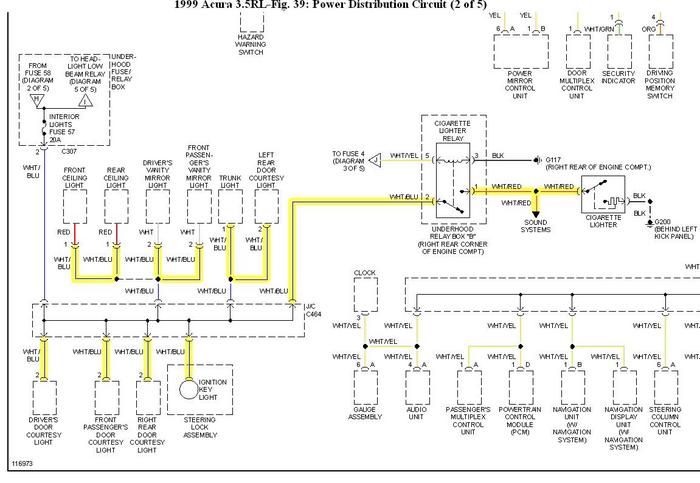
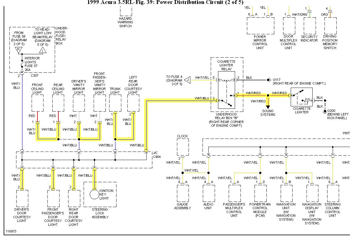
i have a 1999 Acura RL. Power to the radio and interior lights is dead. i checked the interior fuse box but did not see any blown fuse. i checked the under the hood fuse box and saw the interior lights fuse(20A) blown. i replaced the fuse and the interior lights came on. i turned the ignition switch to ACC and the interior lights went out and the fuse blew. what is causing the short? is this also causing the radio malfunction? thx
Nov 18, 2010 at 11:02 PM
