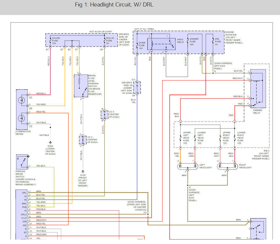
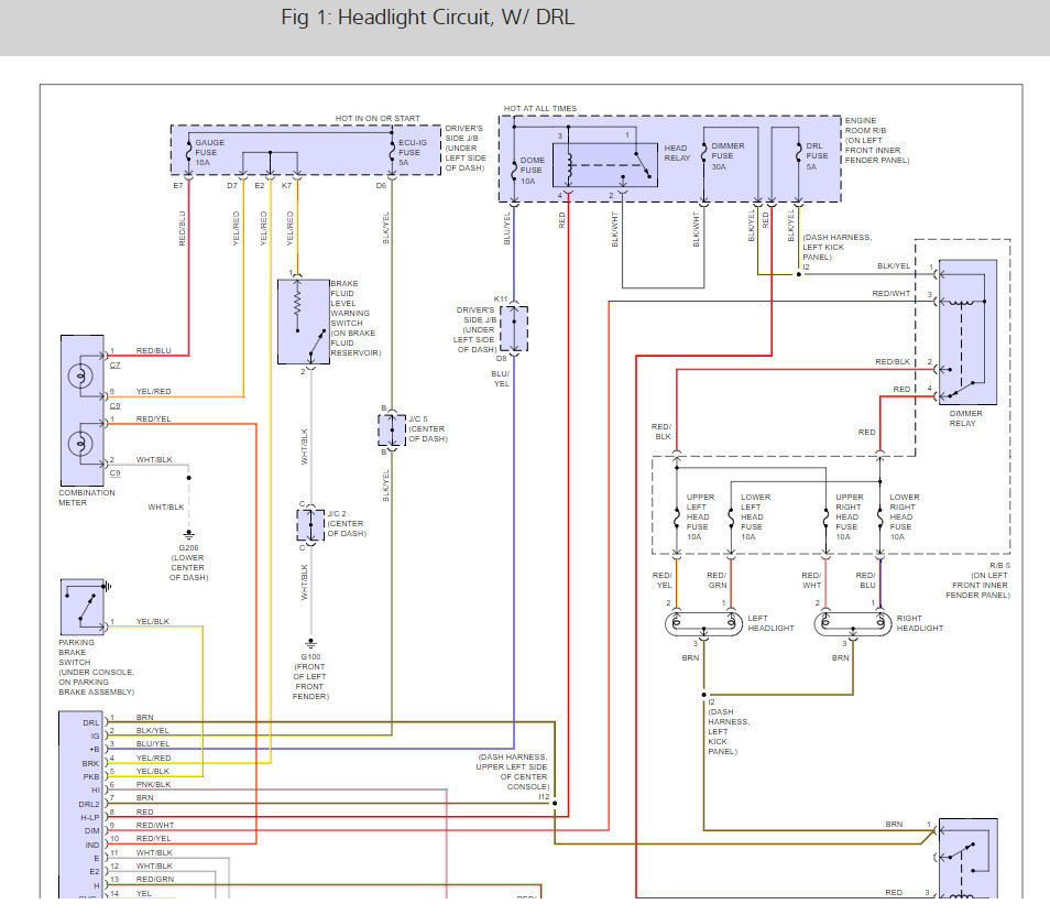
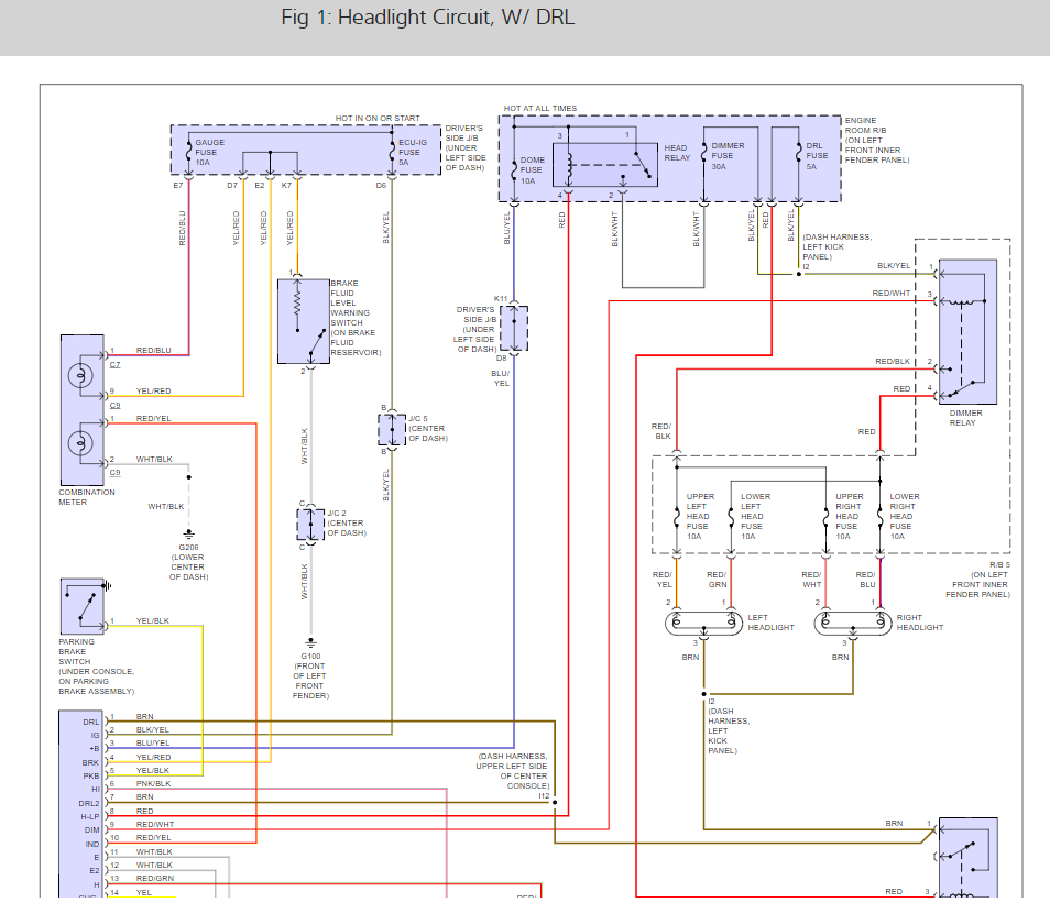
Hi, I seem to have a problem with my headlights, they do not work as they should. It shows that bright sign by the odo meter when I switch them on as if they're on bright but yet they do not go on at all. Only the park lights works. Seems like a switch problem because the bulbs are both still fine. I also checked if the fuse are burnt or something but nothing like that shows, they are fine. THey were working fine until I tried goin out at night, then I realised that they are not working properly. I need urgent advise as what to do because I have to be working till late soon.
Jan 9, 2014 at 3:15 AM





