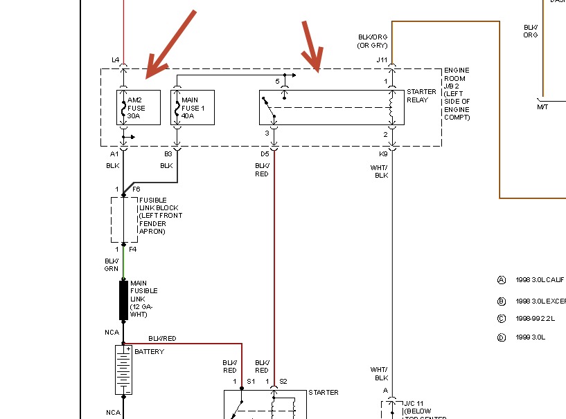
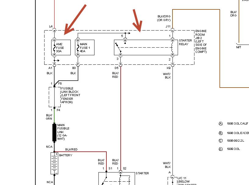
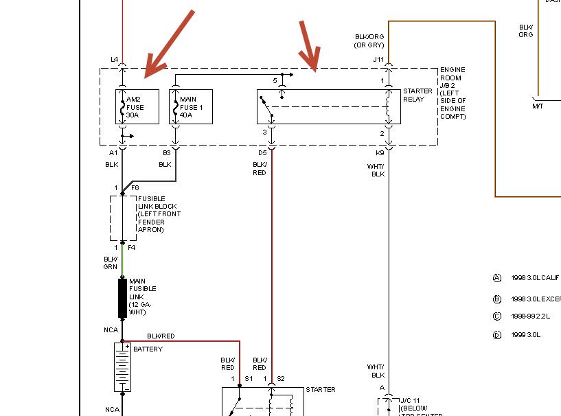
The car has been to many mechies but without success. I managed to get it started after I got the oil pressure sorted out. It only starts at the starter terminals and not with the key. It idles but cuts out when trying to rev it up. So please guys, help me out on this one because the old lady of the car trusts no one els but me to get her car going.
Thnks for your help.
Whilo
Thnks for your help.
Whilo
Sep 28, 2013 at 3:42 AM
