headlights not working, how do you wire a new new socket?

1998 TOYOTA CAMRY
131,500 MILES • 4 CYL • 2WD • AUTOMATIC
Avatar
JUANITA
  • MEMBER
  • 1 POST
how do repair a wire to my right headlight? my bulb is good but i noticed the wire was different from the left one.
Jan 17, 2011 at 10:57 PM
Advertisement
Avatar
KASEKENNY
  • CERTIFIED EXPERT
  • 18,907 POSTS
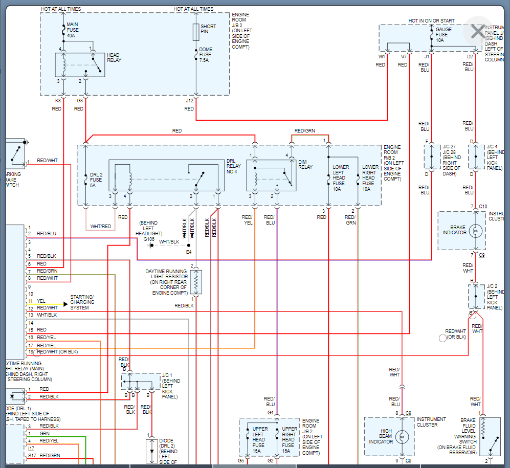
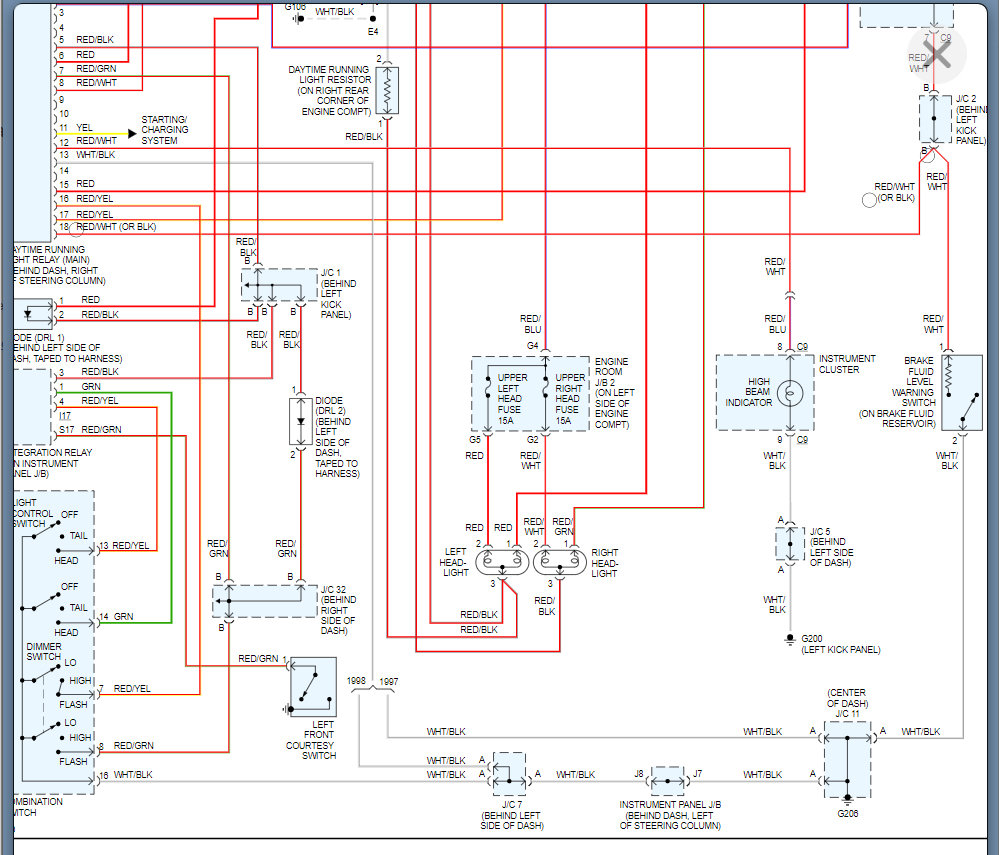
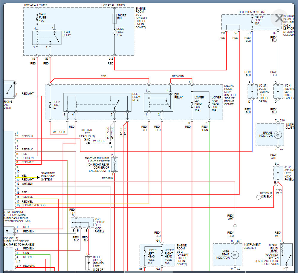
This is correct. The wiring for each headlight is a different color as they are separate circuits.

If you need to wire a new socket, here is an excellent video that will take you step by step on how to do that:

https://www.youtube.com/watch?v=PxA5wczsCVo

Below is a copy of the wiring diagram that will show these circuits which have separate wires. Please run through this info and let me know if you have other questions on this.

Thanks
Jul 27, 2021 at 4:36 PM