Fuel filler tube

1998 SATURN SL2
200,000 MILES • 4 CYL • FWD • AUTOMATIC
Avatar
EMAY_SL2
  • MEMBER
  • 9 POSTS
While fueling, air from fuel tank burbing back into tank fill tube assembly-causes gas pump nozzel to stop gas delivery, thinking tank is full. Can only be filled very slowly.
Dec 12, 2010 at 5:13 AM
Advertisement
Avatar
MHPAUTOS
  • CERTIFIED EXPERT
  • 31,937 POSTS
The fuel tank venting system is not working, get a mechanic to check that the EVAP system is fully functioning.

Mark (mhpautos)
Dec 12, 2010 at 6:33 AM
Avatar
EMAY_SL2
  • MEMBER
  • 9 POSTS
Nothing more I can do? Also what is the device mounted to outside of filler tube, towards the top?
Dec 12, 2010 at 1:50 PM
Advertisement
Avatar
MHPAUTOS
  • CERTIFIED EXPERT
  • 31,937 POSTS
I would have to look at it, if it is a smaller tube, it will be the over fill drain back tube. we do not have these cars in Australia.

mark (mhpautos)
Dec 12, 2010 at 1:56 PM
Avatar
EMAY_SL2
  • MEMBER
  • 9 POSTS
Device is attached to filler tube and has a two wire electrical harness connected to it.
Dec 12, 2010 at 3:09 PM
Avatar
SATURNTECH9
  • CERTIFIED EXPERT
  • 30,869 POSTS
That is what is called your vent solenoid that closes so it can run it's test's for leaking in the evap system.That could be your problem i have also seen spider's build web's blocking the venting system.The first thing i would do is go to a auto part's store and have them scan your car for code's and write down the code number's that would be your starting point.
Dec 12, 2010 at 3:41 PM
Avatar
EMAY_SL2
  • MEMBER
  • 9 POSTS
Will do at first chance.
Dec 12, 2010 at 6:05 PM
Avatar
SATURNTECH9
  • CERTIFIED EXPERT
  • 30,869 POSTS
Alright keep me posted on what code's you have.
Dec 12, 2010 at 8:53 PM
Avatar
EMAY_SL2
  • MEMBER
  • 9 POSTS
Showed a Mfgr. emissions control code of P1404. No further details available from parts store equipment.
Jan 9, 2011 at 8:19 PM
Avatar
SATURNTECH9
  • CERTIFIED EXPERT
  • 30,869 POSTS
That code is for your egr valve and has nothing to do with being able to put gas in your car.Are you still unable to put gas in your car?I also posted the trouble tree for that code and the code description.Does your first name happen to be ED?
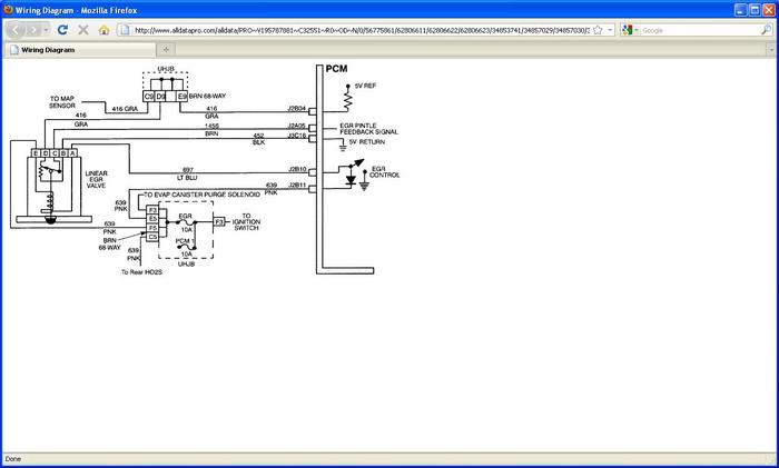
The linear EGR system consists of a linear EGR valve, the PCM and its associated wiring. The EGR valve solenoid is controlled directly by the PCM when certain conditions have been met. The PCM contains a diode feedback circuit which dissipates energy when the valve is cycled Off. When the PCM commands the EGR valve closed, a closed valve position value is learned. If the PCM commands the valve closed and the actual feedback value does not match the learned value, DTC P1404 will set.

DTC PARAMETERS
DTC P1404 win set when the actual closed value does not match the learned closed value within 20 seconds if:

* RPM is below 5000 and the actual vs learned is greater than 0.2 volts, or
* RPM is above 5000 and the actual vs learned is greater than 0.4 volts.

IMPORTANT: When the PCM recognizes that the parameters for setting P1404 have been set, the diagnostic software waits until the EGR cycles open 50% or greater four times and then retests. If after the three cycles the actual vs learned is not within the parameters, the DTC will be stored and the MIL (SERVICE ENGINE SOON) will be commanded On.

IMPORTANT: When this DTC sets, functions will be disabled. When repairs are complete, codes must be cleared and ignition keyed Off for at least 10 seconds to allow proper operation.

DIAGNOSTIC AIDS

* Check for backed out or damaged terminals.
* Check for a stuck open EGR pintle. Inspect EGR pintle valve bore for carbon or debris and remove. Verify that the pintle moves freely and the return spring forces the pintle closed.
* An open in circuit 452 will result in P1404.
* A short to ground in circuit 697 will result in a severe rough idle and driveability complaint and set a P1404.
* Compare learned closed pintle position to actual closed pintle position with key On, engine Off. If voltage differs more than .15 volts, check for backed out, damaged, poor terminal tightness or an intermittent open in circuits 416 or 1456.
Jan 10, 2011 at 5:59 PM