turn signals not working

1998 PONTIAC TRANS AM
12,500 MILES
Avatar
RICHARD98
  • MEMBER
  • 11 POSTS
1998 Pontiac Trans Am lighting issue.
Hi guys,
I need some help. I believe I have some sort of wiring problem. So a little back ground....I have a 98 Pontiac Trans Am ( auto ) thats been converted to a M6 6sp ( I paid a shop to do the change) everything worked as it should ....now 3 yrs later my firewall cracked .. The steering colum was removed to fix the firewall . Now I have the firewall is fixedly , car is running but...now I have some issues and could use input...
1. Rear turn signals work / not the front.
2. Hazard lights work in back/ not in front
3. Front park/ DRL do not come on until I turn on the head light switch to the park light position.
4. The low beam lights come on when I turn the head light switch to park light / my head light do not flip up , as they should not with the switch in the park light position . But my head lamps should not be on also .
5. The low beam light goes off when I switch on the high beam ( the lights are in the park light position )
6. Turn the switch to the light on position (thead lamps pop up ) as stated above the low beams are already on . Switch to high beams and there is no change . No high beams . The indicator light is on for high , but no light.
7. The front turn signal do not work ( only the rear ) the dash indicator light flashes as normal
8. The hazard light only work in the rear indicator light flashes as normal

So is there a way to check the DRL module ?

So , anyone have any idea of what may be the problem ?

Thx
Richard
Apr 24, 2012 at 6:11 PM
Advertisement
Avatar
HMAC300
  • CERTIFIED EXPERT
  • 48,601 POSTS
this sounds like a ground isssue. see if you have a ground wire going from battery to engine, engine to body and battery to body. It may have a wire disconnected from engine to body or steering column to body as that was pulled out. Also see if your ground wires are connected on both sides of rad support.your module cold be bad for the headlight motors but that grounds on therad support so check the body to battery ground
Apr 24, 2012 at 6:57 PM
Avatar
RICHARD98
  • MEMBER
  • 11 POSTS
I have already confirmed all the ground wires for the body- battery- engine
I did not find a ground on the colum & the ground wire on each side of the rad support are good also
The module for the headlight to pop up works
Apr 24, 2012 at 7:52 PM
Advertisement
Avatar
HMAC300
  • CERTIFIED EXPERT
  • 48,601 POSTS
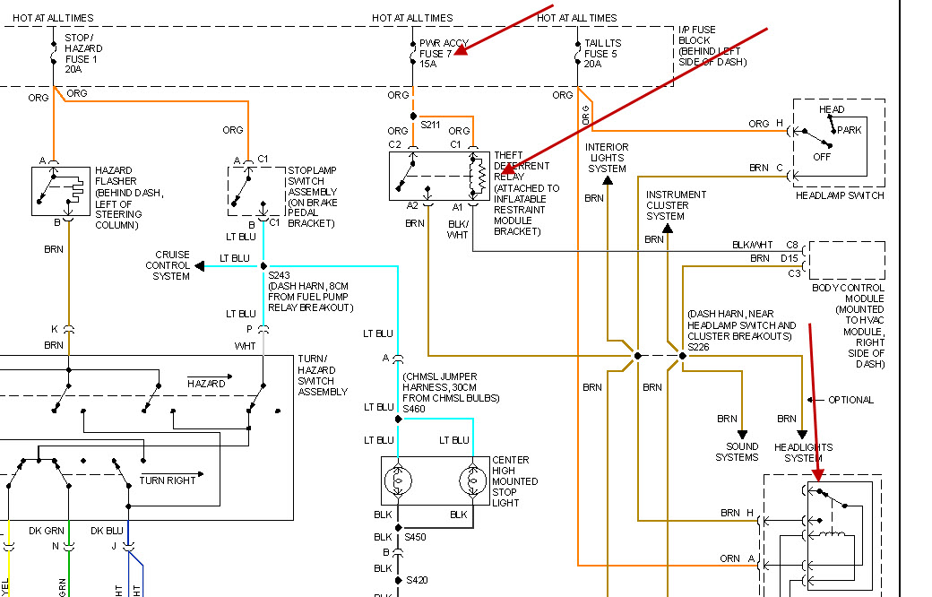
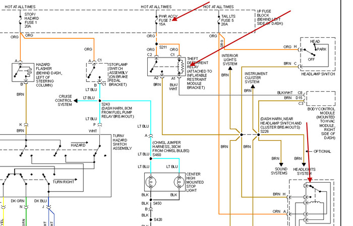
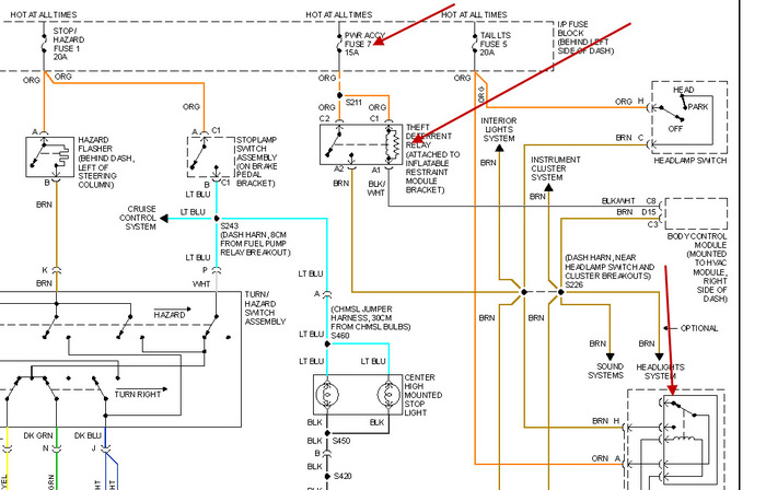
i'm sending a pic along it has 3 arrows to check, one is fuse theother is the power wire going to the drl module to see if and when it gets power. the thrid is the theft deterrent relay as that powers up the drl and headlights. If not then check the multi switch as it may not have a good connection or the pins are loose is about all i can think of without actually seeing this. Esepcially since the coloumn was pulled out of it.
Apr 24, 2012 at 8:10 PM
Avatar
RICHARD98
  • MEMBER
  • 11 POSTS
Thx for your help
I have not received the picture as of yet
Apr 25, 2012 at 2:19 AM
Avatar
HMAC300
  • CERTIFIED EXPERT
  • 48,601 POSTS
sorry i screwed up and didn't send it.
Apr 25, 2012 at 1:41 PM
Avatar
RICHARD98
  • MEMBER
  • 11 POSTS
I did check the pwr accy fuse ... Ok
I did not locate the theft deterrent relay but .... When I arm the car with the remote , the DRL flash and the horn sounds. When the alarm or panic alarm is triggered... The DRL flash and the horn sounds.
I could not tell what the third point is
I checked the mfg location .... Turn out my car is made in Canada 07/97
I did check all fuse in the panel All ok
Apr 26, 2012 at 2:14 AM
Avatar
HMAC300
  • CERTIFIED EXPERT
  • 48,601 POSTS
the third point is the drl modle which if they blink when you alarm the car then there power going to it. the only oother thing i can think of without actually searching physically for this problem is to check the fusible link in the junction block underhood as well as headlight relays in the underhood fuse box. By the way ALL camaros and firebirds durign the 90's were made in St theres quebec canada.
Apr 26, 2012 at 12:40 PM
Avatar
RICHARD98
  • MEMBER
  • 11 POSTS
Checking for issues today .... I noticed my fog light did not flash when I unlocked the car . I confirmed I have power going in/out of the fog light switch. The Fog light do not work. I found the DRL module. On the DRL module , there is a small connector w/8 pins labeled with A,B,C,D,E,F,G,H with B pin location Blank... With power on only pin C has pwr.No other pins has an output.. The lager connector w/8 pins is labeled with A,B,C,D,E,F,G,H.
With power on.. the Lager connector ...pin A & D pwr
with the Rt turn signal on .. pin B & G pwr
with the Lt turn signal on .. pin C & E pwr
with the head lamp switched to park lamp position ....pins A,D,H pwr... I have not located the Fusable Link as of yet.

Thx for your help
Apr 28, 2012 at 5:00 PM
Avatar
HMAC300
  • CERTIFIED EXPERT
  • 48,601 POSTS
the fusible link should be at the junction box underhood, the positive battery lead will go right to it. it may be covered with a red plastic cover that opens. it should be very easy to find.
Apr 28, 2012 at 8:07 PM
Avatar
RICHARD98
  • MEMBER
  • 11 POSTS
so i had my head light switch turned to the park lamp position...
low beam lights on .... park lamps on... fog lamp switch on, but no lights...i turn off the fog light switch..... the head lights and park lights cut off... lol!

Apr 30, 2012 at 3:54 AM
Avatar
RICHARD98
  • MEMBER
  • 11 POSTS
I started at fuse box , followed the red bat wire... Unraveled the black protective tube all the way down to the electric fans. No fuse.
Under the fuse box I did find 3 fusible links
I check power. On each side of fuse ..... OK
May 2, 2012 at 11:46 PM
Avatar
HMAC300
  • CERTIFIED EXPERT
  • 48,601 POSTS
othere than the two pictures im sending i have absolutely no idea what other info or diagnosis to give you. other than to have apro look at it.
May 2, 2012 at 11:58 PM
Avatar
ANDREWJ
  • MEMBER
  • 14 POSTS
my husband put new bulbs in last Weds. and got my car inspected on Thurs. about a hour after that my turn signals quit working he has took the out and checked everything and once the brakes lights stopped working for a few minutes, but the four ways still work right . help, DC
Jan 3, 2018 at 5:50 PM (Merged)
Avatar
ASEMASTER6371
  • CERTIFIED EXPERT
  • 52,796 POSTS
if the 4 ways work then it is either the turn signal flasher or the turn signal switch

Roy
Jan 3, 2018 at 5:50 PM (Merged)
Avatar
TONYWARD
  • MEMBER
  • 2 POSTS
My heat and turn signals stop working at the same time what could this possibility be??
Jan 3, 2018 at 5:50 PM (Merged)
Avatar
JACOBANDNICKOLAS
  • CERTIFIED EXPERT
  • 110,175 POSTS
Have you checked fuses both in the vehicle and under the hood?
Jan 3, 2018 at 5:50 PM (Merged)
Avatar
TONYWARD
  • MEMBER
  • 2 POSTS
Yes I changed all the fues under the hood and in the insides
Jan 3, 2018 at 5:50 PM (Merged)