My 98 2.2 sunfire
First oil light when at operating temperature
Idles at 590-600
Then battery/alternator light comes on and off at random times hit the rpm up to 4000 rpms or so and the light goes off
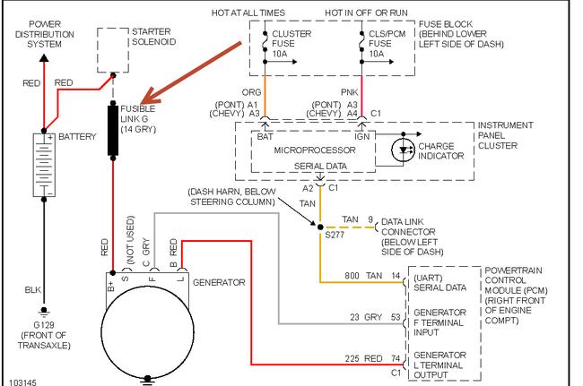
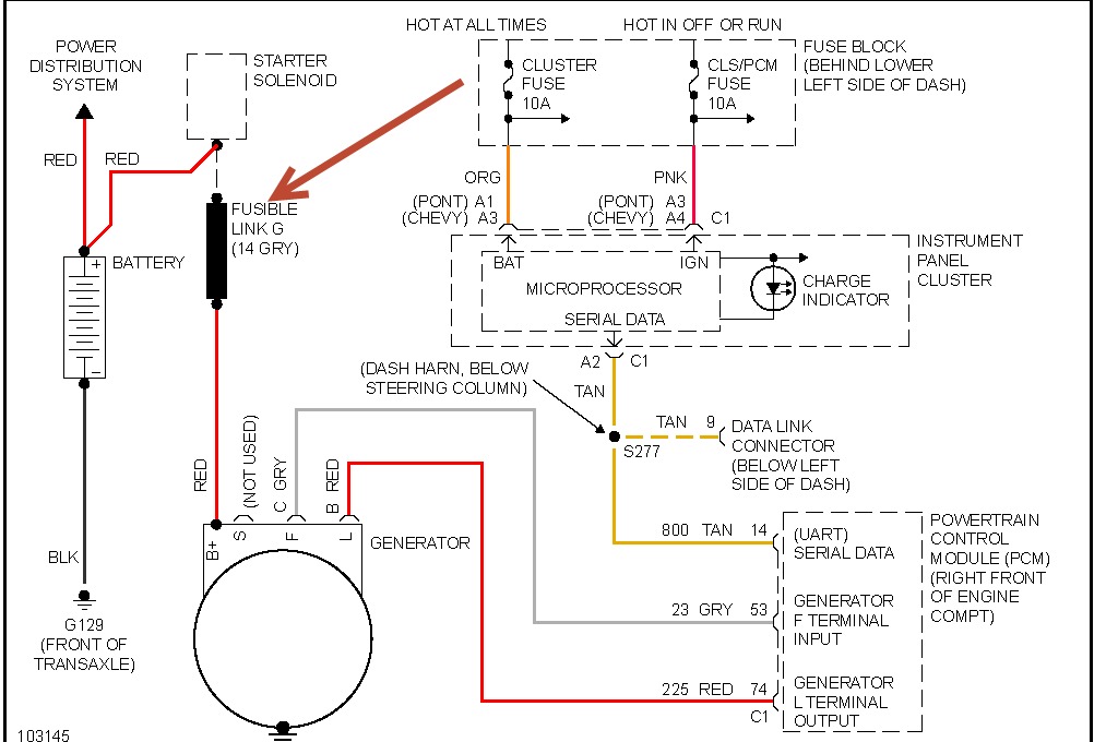
Then battery lights on constantly (now) I drove with it on here and there for maybe a week drove all the way to Chicago a hour or more drive maybe from the suburbs and the car started losing power in the gas pedal first it was the radio then airbag light then everything started clicking under the glove compartment my cluster started freaking out then it died out at the red light and wouldn't start I had a dead battery for the moment then I got it jumped took off the cables and it died right out towed it home. NOW BEFORE I drove it to Chicago I had a new battery in it and a new alternator since it was on warranty I got another new battery and a new alternator my light was still on so this is wen I started driving it with the light on. Now CONTUNING I got home swapped out the negative cable which goes from the battery to the battery tray to the engine block then I changed out the positive cable also the cable that goes from the alternator to the starter light is still on I took the car to autozone had then test the battery it passed had then test the alternator IN THE CAR it failed said the voltage regulator is bad had it BENCHED TESTED it passed four or more times also I just got a check engine light so I had them check that and it is a high voltage at the engine coolant temperature sensor I have a bunch of the wiring harness disassembled as in pulled apart I have not found any wires that seem to be burned or anything that is visible. Does anyone think it could b the ground for the PCM or do u guys have any ideas of wat I can do to try and figure out wat the problem is also when u start it up the fan is on and after a minute or two the idle kicks down
Thank u for any advice
First oil light when at operating temperature
Idles at 590-600
Then battery/alternator light comes on and off at random times hit the rpm up to 4000 rpms or so and the light goes off
Then battery lights on constantly (now) I drove with it on here and there for maybe a week drove all the way to Chicago a hour or more drive maybe from the suburbs and the car started losing power in the gas pedal first it was the radio then airbag light then everything started clicking under the glove compartment my cluster started freaking out then it died out at the red light and wouldn't start I had a dead battery for the moment then I got it jumped took off the cables and it died right out towed it home. NOW BEFORE I drove it to Chicago I had a new battery in it and a new alternator since it was on warranty I got another new battery and a new alternator my light was still on so this is wen I started driving it with the light on. Now CONTUNING I got home swapped out the negative cable which goes from the battery to the battery tray to the engine block then I changed out the positive cable also the cable that goes from the alternator to the starter light is still on I took the car to autozone had then test the battery it passed had then test the alternator IN THE CAR it failed said the voltage regulator is bad had it BENCHED TESTED it passed four or more times also I just got a check engine light so I had them check that and it is a high voltage at the engine coolant temperature sensor I have a bunch of the wiring harness disassembled as in pulled apart I have not found any wires that seem to be burned or anything that is visible. Does anyone think it could b the ground for the PCM or do u guys have any ideas of wat I can do to try and figure out wat the problem is also when u start it up the fan is on and after a minute or two the idle kicks down
Thank u for any advice
Jul 3, 2013 at 9:13 AM
