Fuel Pump Replacement

1998 PONTIAC BONNEVILLE
254,000 MILES
Avatar
RAY8791
  • MEMBER
  • 1 POST
I need to replace my fuel pump in my 1998 Pontiac Bonneville. I was just wanting to know do i have to drop the gas tank and get to the feul pump or can get to the fuel pump thur my trunk. If i remove the liner and the tire.
Jul 19, 2013 at 6:32 PM
Advertisement
Avatar
JACOBANDNICKOLAS
  • CERTIFIED EXPERT
  • 110,175 POSTS
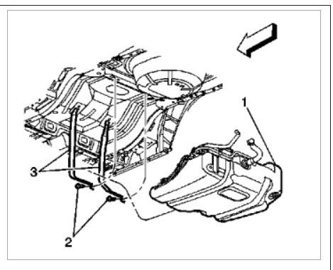
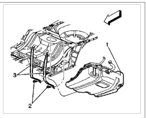
You need to remove the tank. Here is a guide to help walk you through the process with diagram below to show you how on your car.

https://www.2carpros.com/articles/how-to-replace-an-electric-fuel-pump

Check out the diagrams (Below). Please let us know if you need anything else to get the problem fixed.
Jul 19, 2013 at 6:45 PM
Avatar
WAVECATCHER555
  • MEMBER
  • 4 POSTS
Engine Mechanical problem
1998 Pontiac Bonneville 6 cyl Automatic

I was driving down the road and I could feel my car not accelerating like normal and it kept pulling back like it was out of gas or something. At the same time my check engine light came on and was blinking for about 15 seconds then stayed solid. I pulled over to the nearest gas station and then it wouldn't start, even when I put more gas in it. Just weeks ago I had replaced the fuel pump, filter, and regulator. It's also always taken a while for the car to start when cranking, I don't know if that would have something to do with it.
Jan 15, 2019 at 4:50 PM (Merged)
Advertisement
Avatar
RASMATAZ
  • CERTIFIED EXPERT
  • 75,992 POSTS
Check engine light being on means there's a problem within the engine management system the computer needs to be scanned to identify the trouble area. Autozone provides this service free. This is your starting point
Jan 15, 2019 at 4:50 PM (Merged)
Avatar
MARTINGUITAR0
  • MEMBER
  • 1 POST
My daughters "new to her" pontiac Bonneville had a stalling issue when she would go around a corner. Also would shudder after 10-20 sec of moderate acceleration. Had fuel pump replaced. The previous owner had cobbled fuel pump. The pump screen had come off and was covered with a grey substance. The car does not stall anymore but still seems to starve for fuel or maybe a ignition issue. Can someone with more experience give me advice on how to diagnose the issue?
Jan 15, 2019 at 4:50 PM (Merged)
Avatar
OBXAUTOMEDIC
  • CERTIFIED EXPERT
  • 3,711 POSTS
Hello,

If appears to be starving for fuel, have you replaced the fuel filter recently?


.
Jan 15, 2019 at 4:50 PM (Merged)
Avatar
JDL
  • CERTIFIED EXPERT
  • 16,098 POSTS
Hello, did you use a gage and check fuel pressure? 40-47 key on engine off, 30-44 engine idling. Are the plugs and plug wires ok?
Jan 15, 2019 at 4:50 PM (Merged)
Avatar
DMDTOM
  • MEMBER
  • 2 POSTS
Do i need to drop the gas tank in order to change the fuel pump? or is there an access panel in trunk or under back seat? the problem with the car is that it started to chug and buck when driving. We poured in injection cleaner, no help. changed fuel filter, ran better for a couple days then started doing same thing again but also stalling. at first it would start back up, but now the last time it would not restart. we let it sit for a few hours and went back to get car with a car hauler and it started up so we drove it on the trailer for not wanting it stall again on way home. got home car started and drove off the trailer and parked it in the yard. have not driven the car anywhere for fear of stalling in an intersection again or along the road somewhere. so i am guessing the fuel is bad. the car runs, pump heats up and stalls the engine, let it cool down and car starts up. so what i really want to know is, do i need to drop the gas tank in order to change the pump? please help with any information. girlfriend will appreciate it very much as well as myself. i am not an auto mechanic but can do a few things.
Jan 15, 2019 at 4:50 PM (Merged)
Avatar
CADIEMAN
  • CERTIFIED EXPERT
  • 3,544 POSTS
the fuel tank will need to be removed to replace that pump.
Jan 15, 2019 at 4:50 PM (Merged)
Avatar
DMDTOM
  • MEMBER
  • 2 POSTS
cadieman, thank you very much for the response. unfortunately now i have to do that job in the driveway out in the rain.
Jan 15, 2019 at 4:50 PM (Merged)
Avatar
CADIEMAN
  • CERTIFIED EXPERT
  • 3,544 POSTS
Sorry to hear that. try to pull it some where where there is cover and use jack stands.
Jan 15, 2019 at 4:50 PM (Merged)
Avatar
JUNKER35
  • MEMBER
  • 1 POST
I have replaced the fuel pump in my 1999 pontiac bonneville 3800 II and it ran for a few days, but now i am stuck back at square one. Im on a bad weather area right now. i think my lines may be froze? what do u think?
Jan 15, 2019 at 4:50 PM (Merged)
Avatar
RASMATAZ
  • CERTIFIED EXPERT
  • 75,992 POSTS
When you turn key On-Do you hear the fuel pump? If so check the fuel pressure with a gauge if its within specs-if okay check for injection pulses okay again-Check for spark,Don't hear the pump check and test the fuel pump fuse and fuel pump relay
Jan 15, 2019 at 4:50 PM (Merged)
Avatar
KRIS ANDREWS
  • MEMBER
  • 1 POST
My fuel pump on my car has gone out. In this car there is no access panel in the trunk.
My problem is that my gas tank is full of gas . The main gas line hose is in the tank, so my question is, how do I get all that gas out of tank so i can drop it? Any ideas? Please help.
Jan 15, 2019 at 4:50 PM (Merged)
Avatar
CARADIODOC
  • CERTIFIED EXPERT
  • 34,306 POSTS
Try banging on the bottom of the gas tank while a helper is cranking the engine. This is the most common type of failure on a Chrysler product, and once the shock gets them started, they stay running at least until you stop the engine. That is the less-common type of failure for GM pumps, but if it works, you can connect a hose to the pressure port and pump the gas into some cans. Instead of having to crank and/or run the engine, you can bypass the fuel pump relay, then bang on the tank to try to get the pump going.

When mechanics do this in the shop, they have the car on a hoist, then they can use a transmission jack to lower the tank. You might be able to do the same thing with a floor jack, but be ready for some frustration. You will not know which way the hoses and wires are pulling, and it is pretty certain the tank will slide off the jack.

Most shops also have a manually-operated fuel pump and tank used to empty gas tanks. You might find one of these at an auto parts store that rents or borrows tools.
Jan 15, 2019 at 4:51 PM (Merged)
Avatar
STEVE W.
  • CERTIFIED EXPERT
  • 15,113 POSTS
Two possible ways. Both start with disconnecting the fuel line at the engine or fuel filter and connecting a flexible line to it.
Next will be to connect a jumper wire to the pump power feed to send power directly from the battery. Now for the question part. With power connected to the pump and the hose stuck into a gas can (full tank you will need three empty five gallon), give the gas tank a couple good whacks with a rubber mallet or chunk of wood. What you hope happens is that the smack makes the pump turn on. If it does let it pump the gas out for you.

The other option would be to get a twelve volt universal type fuel pump, connect it to the line and use it to suck the gas out.

Then drop the tank, clean it and replace the pump module. While you are there, change the pump pigtail and check the rest of the system over. Like ground wires and such.
Jan 15, 2019 at 4:51 PM (Merged)
Avatar
COREY CRAFT
  • MEMBER
  • 1 POST
i just bought the car, it would run and miss fire, so i put plugs, and wires.in, then i replaced the fuel pump, and filter. now it won't start, just crank
Jan 15, 2019 at 4:51 PM (Merged)
Avatar
MMPRINCE4000
  • CERTIFIED EXPERT
  • 8,548 POSTS
Check that plug wires are in correct order, if OK, then you need to measure fuel pressure with mechanical gauge.
Jan 15, 2019 at 4:51 PM (Merged)
Avatar
LSHECKELL
  • MEMBER
  • 1 POST
1990 Pontiac Bonneville LE | 110,000mi |

I've had this car for about six months now and it has always run great. The other day it was running fine and I shut it off momentarily to run inside a friends house. When I started driving down the road I notice it was having trouble accelerating, then it started bogging down and running like it was not getting fuel.

I had just put gas in it so I figured that it was just bad gas. The next day I was driving and the fuel pump started making a whining noise, so I figured I needed to replace it. I ended up replacing both the fuel pump and the fuel filter as well, figuring that it was best to do both.

The crazy thing is that even with a new fuel pump, it is still making the whining noise, and the condition has worsened. Now it's next to impossible to keep it running, and it is backfiring and acting like it's out of gas, even though it has a half tank.

I know that it is getting gas because there is a valve on the line and when pushing it down gas squirts everywhere.

Is there a sensor or something that could be causing this? One thing I have noticed is that in seems to run a little better and actually stay running if you unplug the map sensor. I just want to be certain that this is the problem before I go shell out another $40 for a map sensor. (I'm already out $80 on the fuel pump and filter)
Jan 15, 2019 at 4:51 PM (Merged)
Avatar
COMADOG
  • MEMBER
  • 5 POSTS
get a hanes manual and look under codes. you can put a paper clip between the ground and the daignost plugin then turn your key to the on position, your check engine light will blink a number of times. count the blinks and look in your manual to find out what the prob. is . if u need more help hit me up.
Jan 15, 2019 at 4:51 PM (Merged)
Avatar
TROY4
  • MEMBER
  • 3 POSTS
I have the very same car SSE and my engine like kept coming on intermittinly.I grab a basic code reader for $30 and it told me the MAP & O2 sensor.I changed the O2 for $30 but it turned out to be the MAP which i got from a local scrap yard.I only got it from the scrap yard because it was really expensive new! hope this helps! [/b]
Jan 15, 2019 at 4:51 PM (Merged)
Avatar
LONEWOLF1952
  • MEMBER
  • 1 POST
Hi I am new. I've tried about everything on mine and nothing changes. runs really bad, fuel smell, no accelleration, idles rough, no power. No check engine light is on. I am at wits end on this one. Thanks for any ideas.
Jan 15, 2019 at 4:51 PM (Merged)
Avatar
A_110
  • MEMBER
  • 3 POSTS
My car wouldn't start back up the other day, it tried to tun over but would not catch. I had AAA send a maintenance guy out, he tapped the fuel pump, car still wouldn't start. Once I got the car towed home, the tow guy had me start it & it worked but if I try to drive around the corner I have to constantly restart the car over & over. The fuel pump was just replaced & the previous owner states it also needs a new gas tank. What is the problem, I know its not the starter or alternator
Jan 15, 2019 at 4:51 PM (Merged)
Avatar
BLUELIGHTNIN6
  • CERTIFIED EXPERT
  • 16,542 POSTS
is the engine light on? have fuel pressure tested and spark plugs checked
Jan 15, 2019 at 4:51 PM (Merged)
Avatar
A_110
  • MEMBER
  • 3 POSTS
yes the check engine light is always on, haven't checked the fuel pressure yet. Previous owner states the fuel pump was just changed.
Jan 15, 2019 at 4:51 PM (Merged)
Avatar
BLUELIGHTNIN6
  • CERTIFIED EXPERT
  • 16,542 POSTS
since engine light is on than need to have the diagnostic code(s) that are stored. most auto part stores will do this for free. it may help pinpoint the culprit of your issue. post the code(s) you get here and I will follow up
Jan 15, 2019 at 4:51 PM (Merged)
Avatar
A_110
  • MEMBER
  • 3 POSTS
Ok will update with that information tomorrow. Thanx
Jan 15, 2019 at 4:51 PM (Merged)
Avatar
2CP-ARCHIVES
  • MEMBER
  • 4,540 POSTS
1995 Pontiac Bonneville 3.8_mileage: 134,000. The fuel pump never turns off, from the time you start the engine you hear the buzz until you turn off the engine. The fuel pump was replaced prior to my buying this used car. Is the sensor that senses the fuel rail pressure part of the pump assembly in the tank or some where in line? I have looked at the fuel line under the hood and to the fuel rail and only see the injectors, no other in line sensors.
Jan 15, 2019 at 4:51 PM (Merged)
Avatar
2CP-ARCHIVES
  • MEMBER
  • 4,540 POSTS
The fuel pump should be running all the time that the engine in your car is started and running. You should not be hearing a buzz from the fuel pump. You may have a faulty fuel pump or a partially plugged fuel filter. There is no fuel pressure sensor in the fuel line, the fuel pressure is controlled by a regulator.
Jan 15, 2019 at 4:51 PM (Merged)
Avatar
JCSETTY
  • MEMBER
  • 1 POST
1995 pontiac bonneville, 170k miles, 3.8 liter V-6, automatic check engine light came on about 1 month ago have had it in several shops and computers all read "link error" it is sputtering all the time still drives and goes just not the pick up it did have and the dash light go out when the headlights are turned on, I have replaced the starter, water pump, cam sensor, fuel pump and given a basic tune up - plugs, wires, belt, transmission fluid & filter. Please help I like this car and would like to keep it need it to stay running or is it worth the effort?
Jan 15, 2019 at 4:51 PM (Merged)
Avatar
MERLIN2021
  • CERTIFIED EXPERT
  • 17,250 POSTS
the ecm probably has no power...must diagnose the wiring, are you up to it? or go to the dealer, or experienced tech! If you need the proceedures let me know I don't want to post em if you arent gonna do it!
Jan 15, 2019 at 4:51 PM (Merged)