cooling fan problems

1998 PONTIAC BONNEVILLE
125,000 MILES • 2WD • AUTOMATIC
Avatar
MARLEY1969
  • MEMBER
  • 1 POST
I have a 1998 pontiac bonneville and the cooling fan will not stop running. How do I fix this problem?
Feb 21, 2011 at 7:26 PM
Advertisement
Avatar
JDL
  • CERTIFIED EXPERT
  • 16,098 POSTS
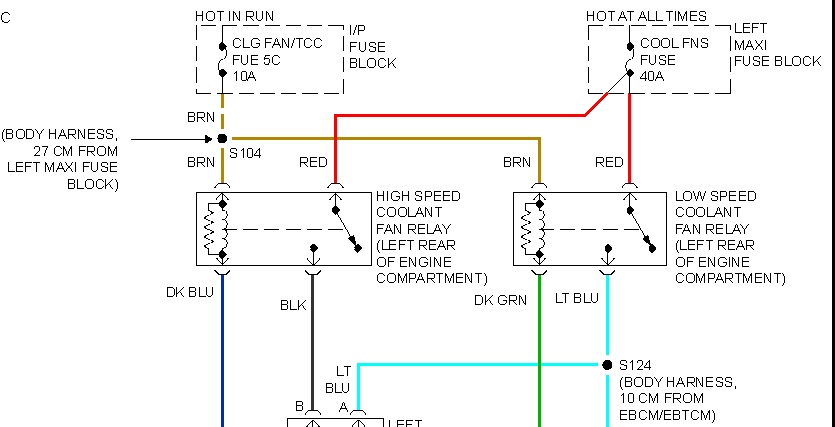
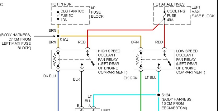
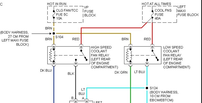
Pull the coolant fan fuse that should kill it. Any applicable trouble codes?
Feb 21, 2011 at 8:45 PM
Avatar
JDL
  • CERTIFIED EXPERT
  • 16,098 POSTS
Just to add, in the diagram, the pcm controls the ground for the coil side of relay. If ac request, the fan may run? The coolant temp sensor could cause the fan to run?
Feb 21, 2011 at 8:49 PM
Advertisement