☰
Login
Join
×
Home
Answered Questions
Repair Topics
Repair & Service Guides
Popular Questions
Warning Lights
Trouble Codes
How It Works
Testing / Diagnostics
Symptoms
Videos
Login
Become a Member
Home
Oldsmobile
88
Engine
Knock Sensor
1998 OLDSMOBILE 88
242,000 MILES
WEBBYHEAD
MEMBER
1 POST
FOLLOW
Can you tell me where the knock sensor is on this vehicle?
Mar 16, 2013 at 2:22 AM
Advertisement
JACOBANDNICKOLAS
CERTIFIED EXPERT
110,175 POSTS
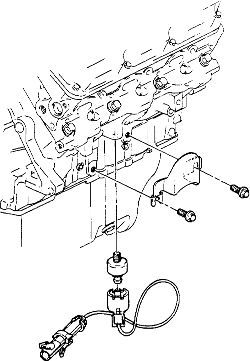
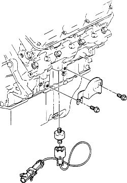
the knock sensor is mounted in the engine block cooling passage. Engine coolant in the block will drain when the sensor is removed. See pic below.
Image (Click to enlarge)
Mar 16, 2013 at 2:30 AM