cooling fans aren't working

1998 NISSAN SENTRA
111,000 MILES • 4 CYL • 2WD • AUTOMATIC
Avatar
HERZOG
  • MEMBER
  • 2 POSTS
engine cooling fans stopped working, ran hot wire to secondary fan and it works, replaced 2 fan fuses and relays
May 25, 2015 at 10:12 AM
Advertisement
Avatar
WRENCHTECH
  • CERTIFIED EXPERT
  • 20,761 POSTS
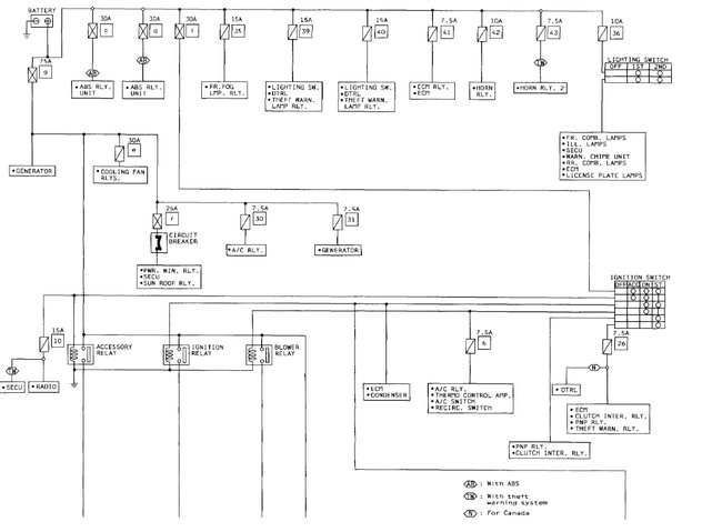
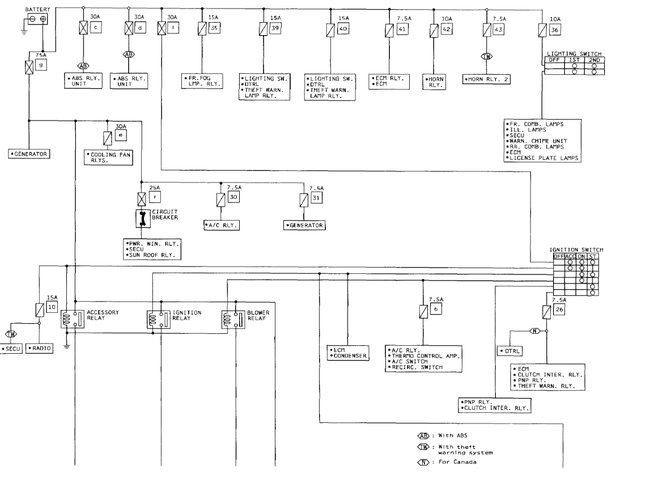
This isn't going to be as simple as asking someone online. It's an intricate circuit and someone with electrical knowledge is going to have to do some testing. https://www.2carpros.com/images/external/79005043.jpg.gif
May 25, 2015 at 10:57 AM
Avatar
HERZOG
  • MEMBER
  • 2 POSTS
thank u so much for the response, it turned out to b the sensor in the thermostat housing
May 25, 2015 at 11:16 AM
Advertisement
Avatar
AZDANNO04
  • MEMBER
  • 343 POSTS
Which sensor? The coolant sensor? I am having the same issue. I replaced with new fans/motors/relays but still not working. Which and where are the fuses located? 1998 Sentra ga16de, GXE, automatic.
Dec 18, 2020 at 10:10 AM
Avatar
STRAILER
  • CERTIFIED EXPERT
  • 53,854 POSTS
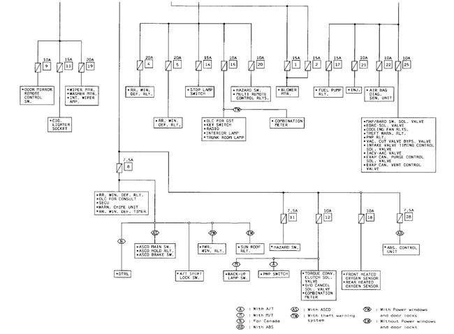
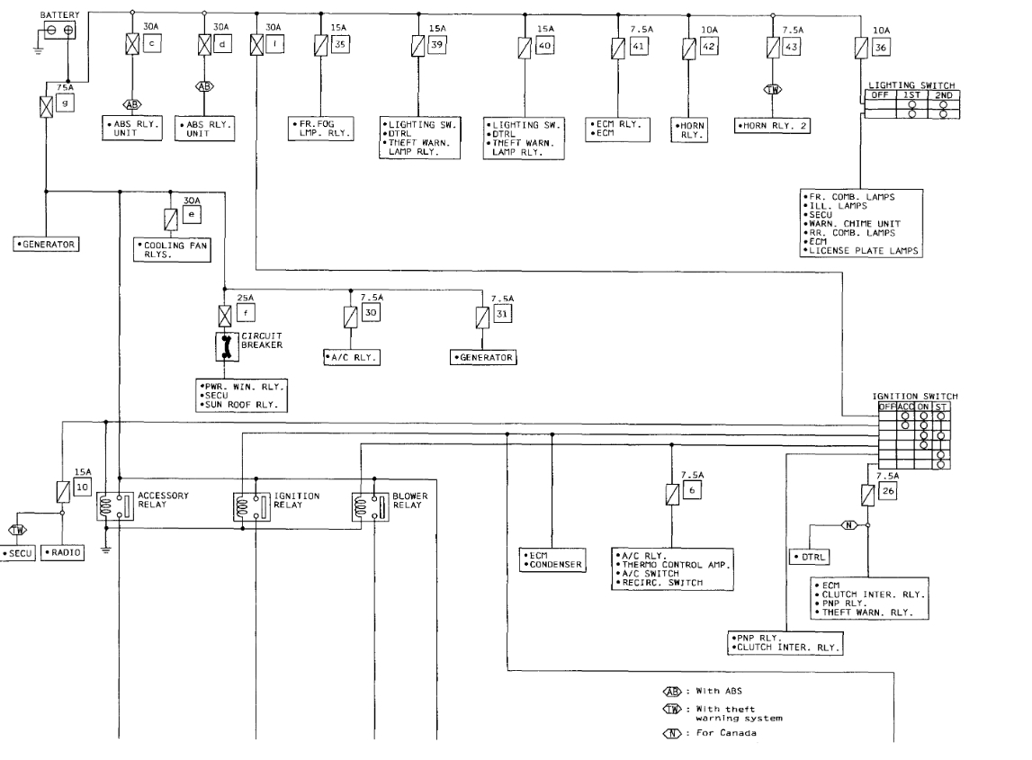
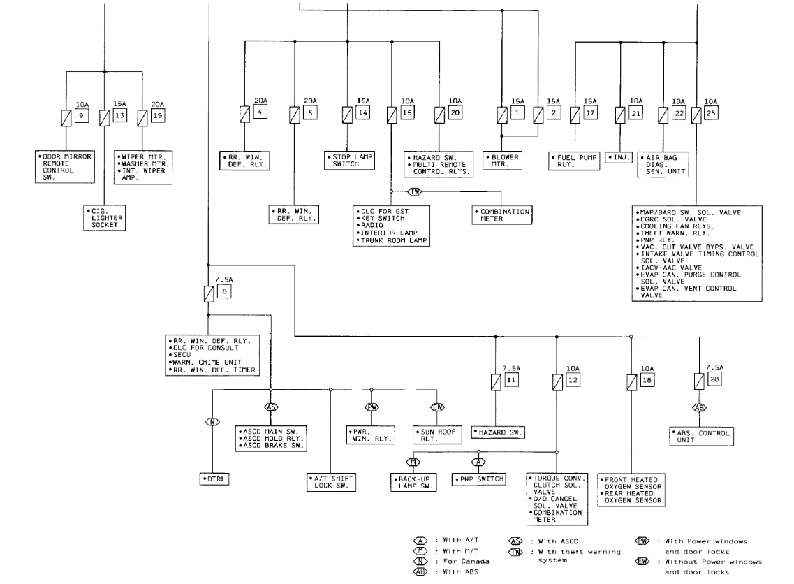
Yep, this would be the coolant sensor which is located in the diagrams below along with the fuses. Check out the diagrams (below). Let us know what happens and please upload pictures or videos of the problem.
Dec 22, 2020 at 4:41 PM