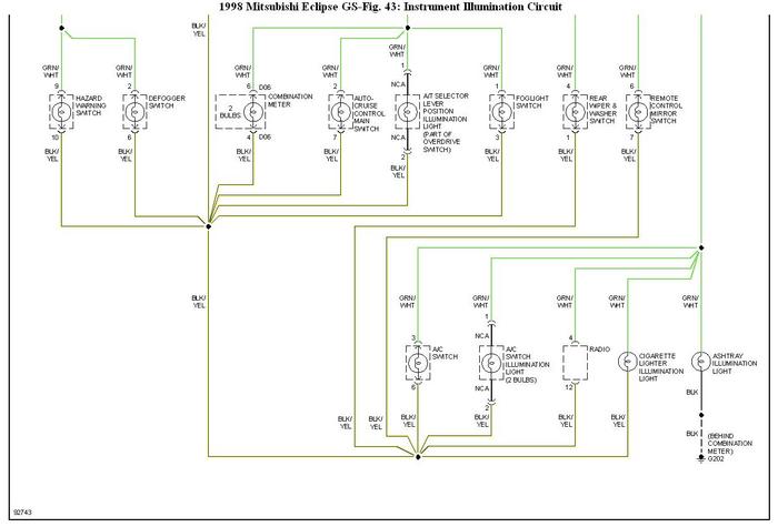
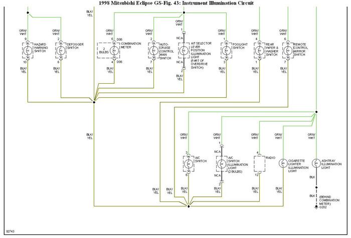
I had just installed some After-market headlights on my 1998 Eclipse. I checked my lights every time I re-routed or re-wired something on the vehicle. Unfortunately after I found a good source for my Halo rings (on the lighters hot wire), I went to check my lights again and the running lights went out/ all the turn signals headlights low/high and brake lights work, except the running lights??? I clipped an old alarm horn from the engine bay and a little light that was under the lighter connections (it was the lighting for the lighter slot). I cant seem to find a fuse that would be the running lights and I dont have a lid on my fuse box under the dash- Is there another fuse that is associated with the running lights and what do I need to do to fix this issue?... Thanks
Feb 19, 2011 at 3:07 PM







