1998 MERCURY VILLAGER
14,000 MILES
Avatar
SARAHDEE27
  • MEMBER
  • 2 POSTS
I need to change the bank 1 sensor 2 o2 sensor. Where exactly is this sensor located?
Feb 24, 2013 at 5:11 PM
Advertisement
Avatar
SARAHDEE27
  • MEMBER
  • 2 POSTS
We found PO141
Feb 24, 2013 at 8:42 PM
Avatar
KASEKENNY
  • CERTIFIED EXPERT
  • 18,907 POSTS
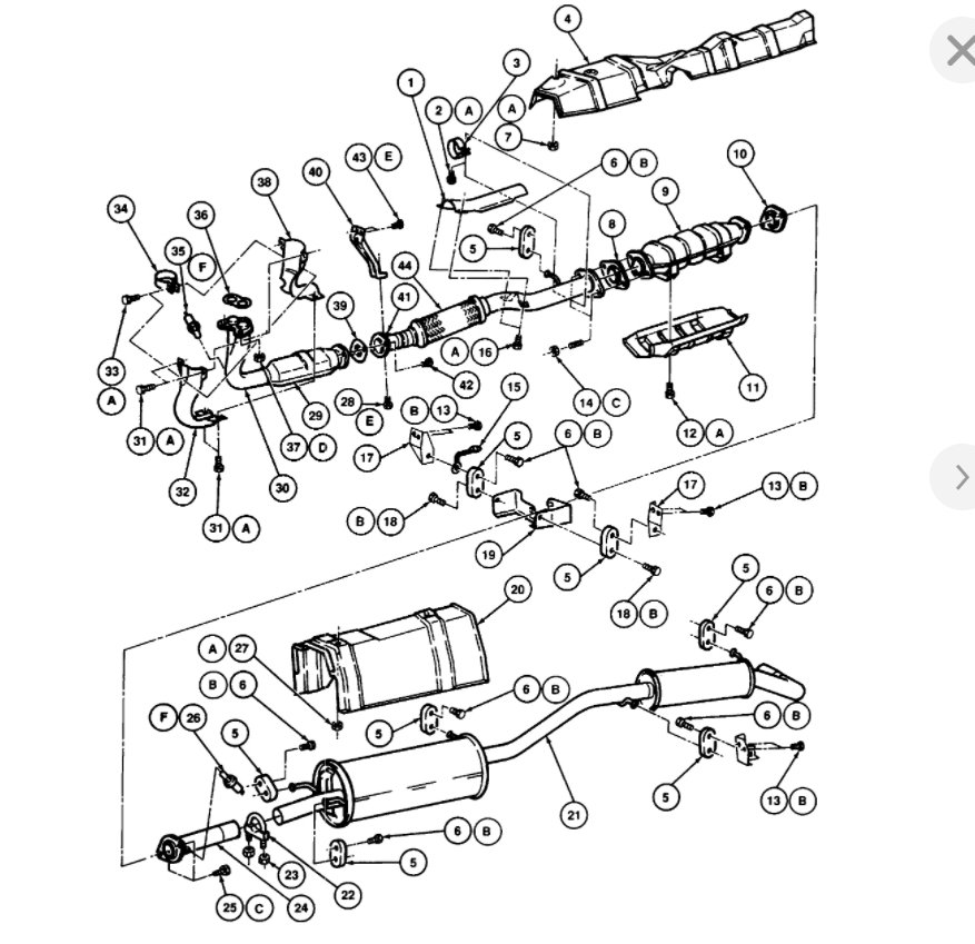
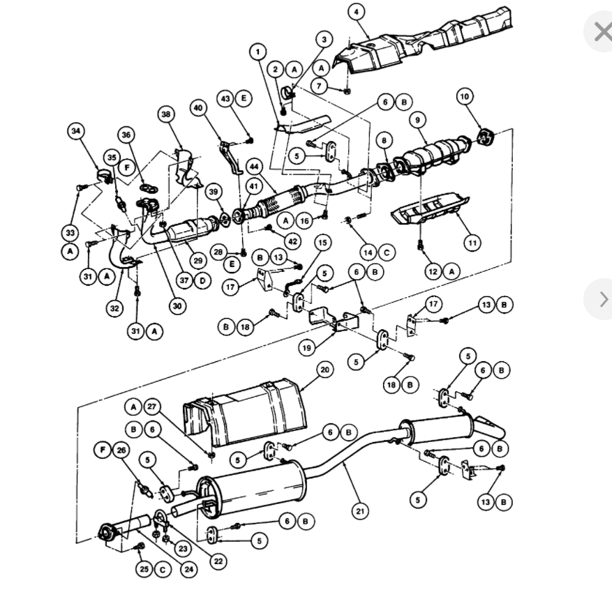
I will be attaching that info below and I will attach the testing that we need to do in order to confirm the sensor is the issue.

Here are a couple of guides that will help with this:

https://www.2carpros.com/articles/how-to-replace-an-oxygen-sensor

https://www.2carpros.com/articles/how-to-test-an-oxygen-sensor-02-sensor

Please see the attached info on the testing and the location and how to replace it.

Please run through all this material and let us know what questions you have.

Thanks
Feb 20, 2022 at 7:03 PM
Advertisement