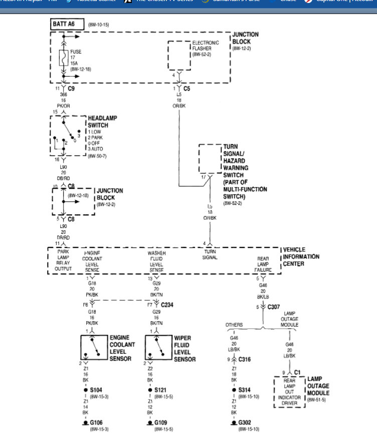
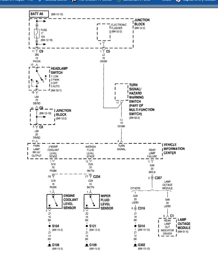
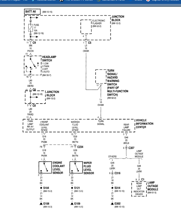
Sensor light goes on when starting stays for 5 min, then goes out, only to come on and off continuously. All fluids are full. Driving is fine, no noise or any issues.
Friends had their sensor replaced 3x theirs is a 1996 JGC at the Jeep dealer they said that it is an issue with the computer and not to bother bringing it back in?
Any help ? I am a senior who is disabled and living on 1000 per month, repeat visits to the dealership is not in my tight budget, thank you !
Friends had their sensor replaced 3x theirs is a 1996 JGC at the Jeep dealer they said that it is an issue with the computer and not to bother bringing it back in?
Any help ? I am a senior who is disabled and living on 1000 per month, repeat visits to the dealership is not in my tight budget, thank you !
Sep 13, 2013 at 11:16 PM


