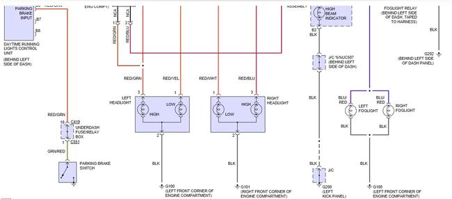
My head lights are dim i tried replacing the bulbs my volt gauge keeps jumping from 12.2 to 14.3 volts. I thought it was the altinator but i have no clue what it is i want to get it fix because it is hard to see at night.
Oct 13, 2013 at 10:26 AM



