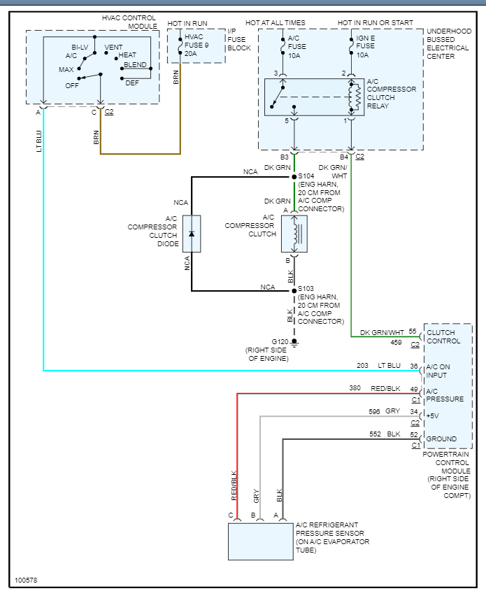
This depends on what engine you have. If you have the 2.2L then you do not have a high- and low-pressure switch. You have a pressure sensor that tells the PCM what the pressure is and the PCM will determine if this is safe to turn the compressor on.
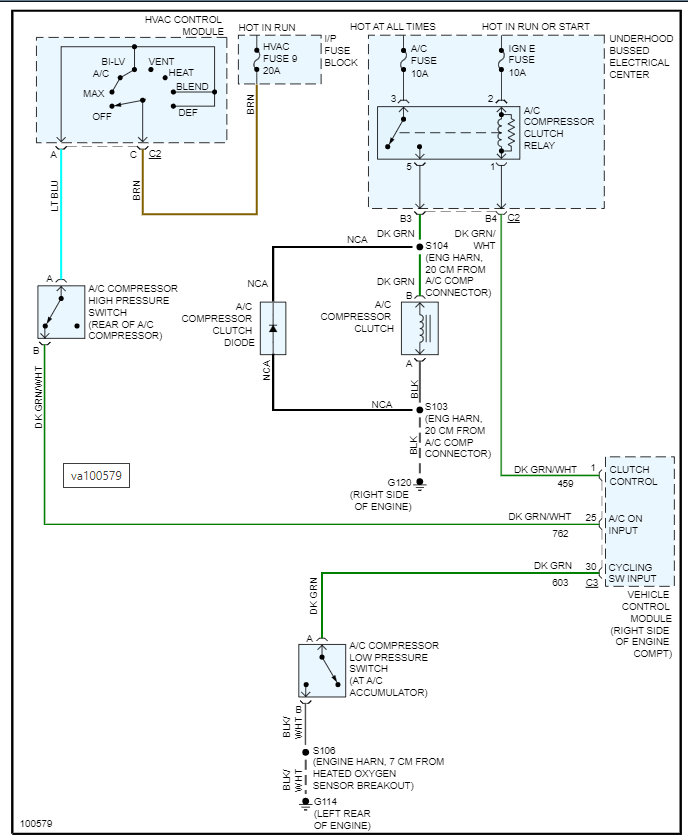
So, if you found the high-pressure switch and it is a two-wire switch and not a 3-wire switch then your engine is a 4.3L and it does have a low-pressure switch.
I would suggest we check the pressure and compare it to the chart below to see if we have an issue. Basically, we need to see what the pressure is static and then jump the compressor and it should come on. What are the pressures with the compressor on?
https://www.2carpros.com/articles/re-charge-an-air-conditioner-system
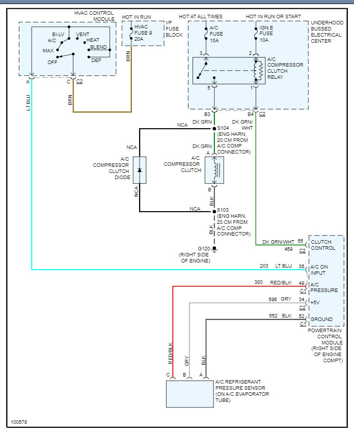
However, the low-pressure switch is located on the accumulator. I attached the wiring diagram below.
Please run through this and let me know what you find. Thanks
Images (Click to enlarge)
May 8, 2022 at 2:21 PM