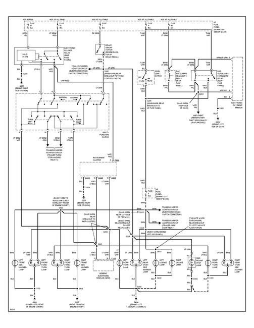
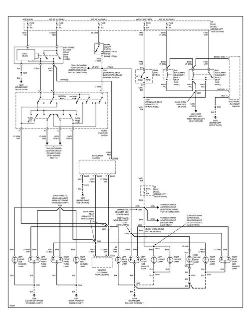
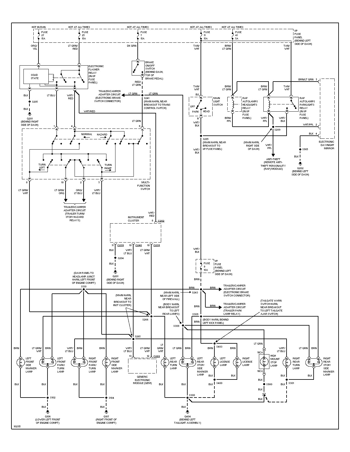
I have a 98 Cargo Van (Big box on back). Put it up for sale and was informed I had no lights on the rear end at all. Was working a week before and now nothing. This unit uses the lights similar to what is used on a trailer. 4"x4" with tail stop turn and backup lights. There is a connector behind the drivers seat that goes to the back but am not able to get any voltage on the pins.
Fuses are good, bulbs are good. What am I looking for? Thanks for the help Bill
Fuses are good, bulbs are good. What am I looking for? Thanks for the help Bill
Aug 12, 2013 at 7:04 PM

