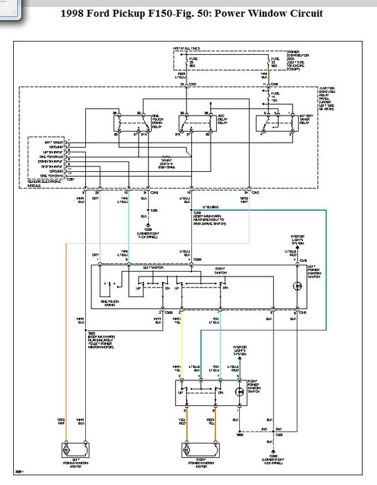
Driver side window switch not working

1998 FORD F-150
161,000 MILES
Avatar
DONKEY123
  • MEMBER
  • 1 POST
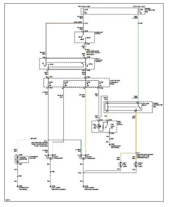
1998 f150 4x4 4.6l Also running lights stay on until i disconnect the battery post. left headlight only works on bright beam.

drivers window switch quit working today, along with the left headlight only working on brights. marker lights will not shut off, i disconnect the battery post. there was two blown fuses under the hood, 15a and 20a which i'm not sure what they go to but i changed them.
Feb 24, 2012 at 1:14 AM
Advertisement
Avatar
DRCRANKNWRENCH
  • CERTIFIED EXPERT
  • 3,380 POSTS
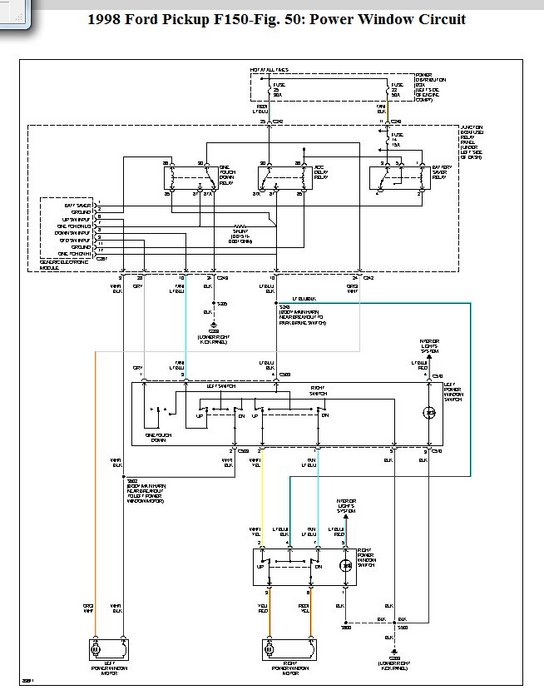
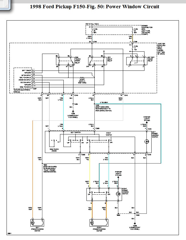
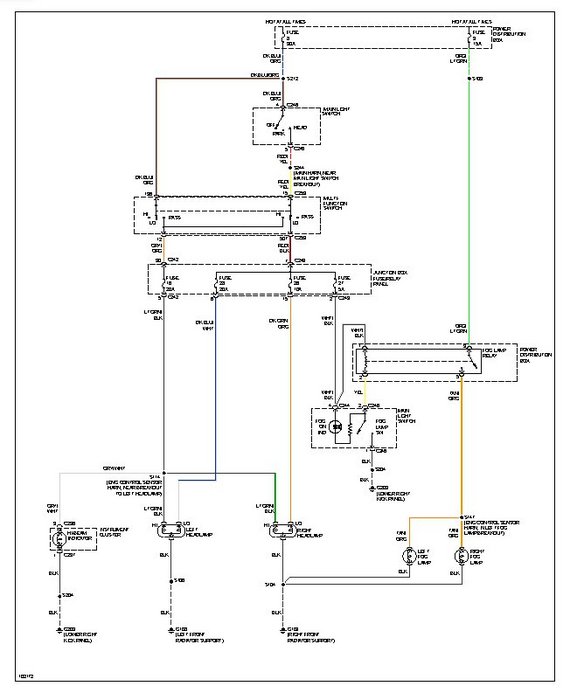
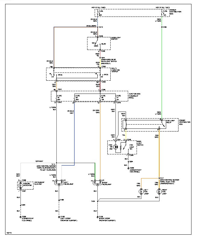
You have a short somewhere. I am giving you the wiring diagrams for the power windows and the headlights circuits.
Check all the grounds for each and find if they share any common areas where a short form exposed wires could cause a short. It sounds like the foglamp relay might have gotten toated as well so it may need replacement.
Feb 24, 2012 at 1:41 PM