heater motor/ ac/ heat won't come on

1998 FORD ESCORT
15,100 MILES
Avatar
MBICKLEY
  • MEMBER
  • 1 POST
heater motor/ ac/ heat won't come on. checked fuses, changed heater motor. worked fine up till two days ago.
Nov 21, 2011 at 11:52 PM
Advertisement
Avatar
DRCRANKNWRENCH
  • CERTIFIED EXPERT
  • 3,380 POSTS
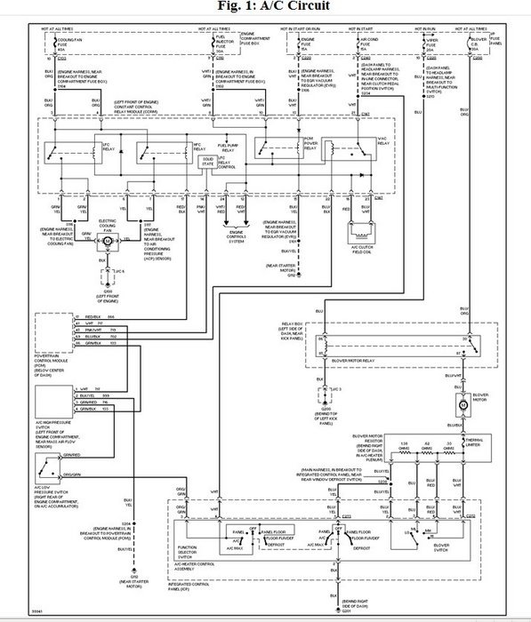
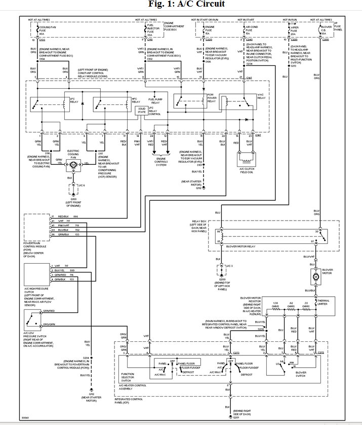
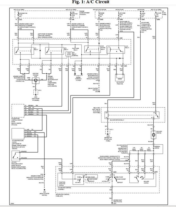
The blower motor first uses the wiper fuse as power to trip the realy for the motor. make sure that fused gets checked. I am including a wiring diagram so you can follow the circuit and eliminate all of these possiblities. The ground for this wire may have come loose, but your wipers would not function if this were the case, but I would keep it in mind if all else fails as you never know if there could be an issue with the wiper system affecting the blower motor, note the arrow pointing to the wiper in diagram. Then the relay could have failed and needs replacement. Next the blower resistor is a common failure point for blower motor operation, it may need replacement and check the ground for it. It will look burnt out when inspected most of the time. Next is the blower switch which is part of the A/C-Heater controls multi-function switch. The switch could be bad or the multi-function unit shares a common ground wire and mount which could be broken or loose.
Nov 22, 2011 at 12:29 AM