The fuse that keeps blowing is the #14 instrument panel and charging fuse please help

1998 FORD E-SERIES VAN
412,000 MILES
Avatar
JMULL1967
  • MEMBER
  • 2 POSTS
I have a 1998 Ford E350 diesel cargo van. 7.3 liter engine that I recently replaced the fuel pump on and it continues to blow the #14 fuse. I fully charged both batteries to 100% and the fuse blows when I try to start the van. Can you please help me figure this out?
Dec 2, 2011 at 9:35 PM
Advertisement
Avatar
DRCRANKNWRENCH
  • CERTIFIED EXPERT
  • 3,380 POSTS
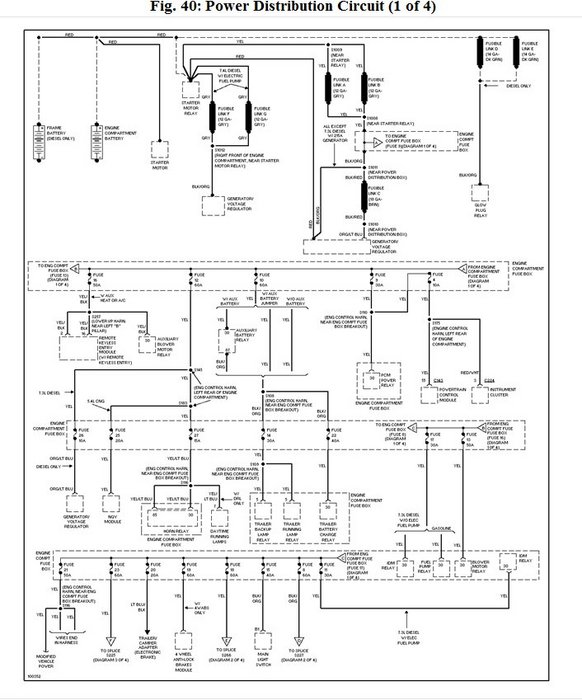
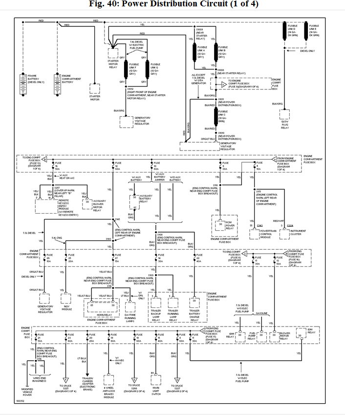
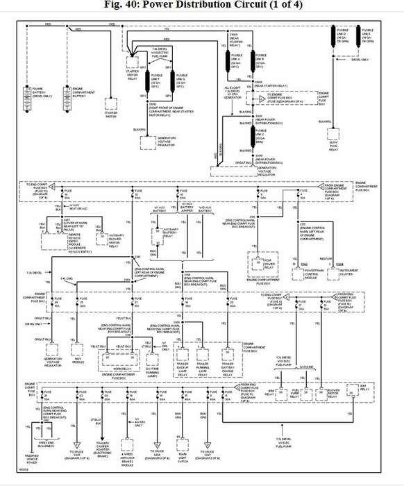
I am giving you the power distribution wiring diagram where you can see that the circuit goes into the eningine compartment and is part of the main battery relay circuit. So, check the wires using the diagram and check the battery connections at the ground where it is connected to the block/chassis for fit and corrosion. Do the same with the postive cable at the starter.
Dec 3, 2011 at 12:30 AM