1998 Ford E-Series Van camshaft synchronizer needs replaced

1998 FORD E-SERIES VAN
80,000 MILES • 4.2L • 6 CYL • 2WD • AUTOMATIC
Avatar
PATDDRIVER
  • MEMBER
  • 1 POST
Could you tell me how to replace the camshaft synchronizer Please
Jul 16, 2014 at 9:41 AM
Advertisement
Avatar
HMAC300
  • CERTIFIED EXPERT
  • 48,601 POSTS
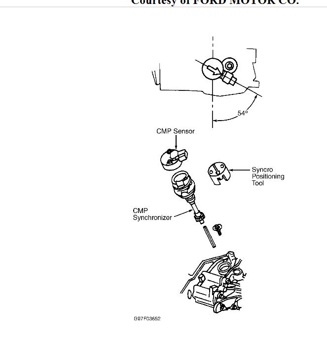
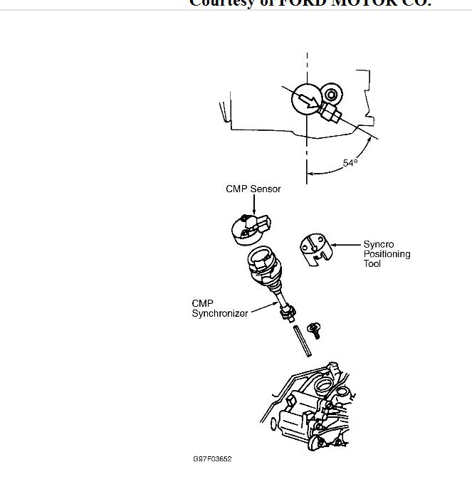
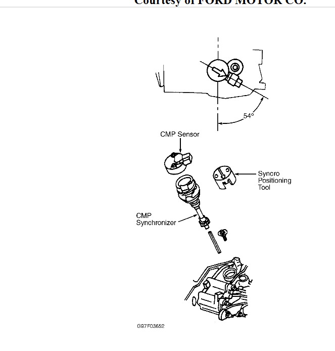
you need a special tool or scanner to install this so things like fuel don't get out of whack. see pics.
Jul 16, 2014 at 10:13 AM