Starter wiring please

1998 FORD CONTOUR
Avatar
  • MEMBER
  • 13 POSTS
wiring diagram of how battery, starter, and alternator hook up to mega fuse?

I love this site rocks!
Jan 19, 2013 at 12:56 AM
Advertisement
Avatar
JDL
  • CERTIFIED EXPERT
  • 16,098 POSTS
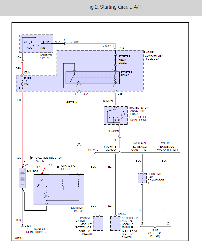
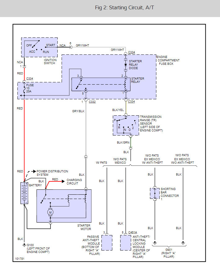
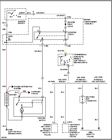
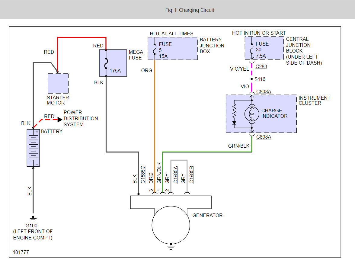
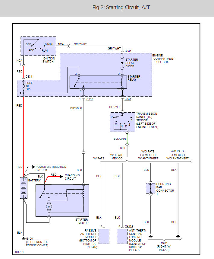
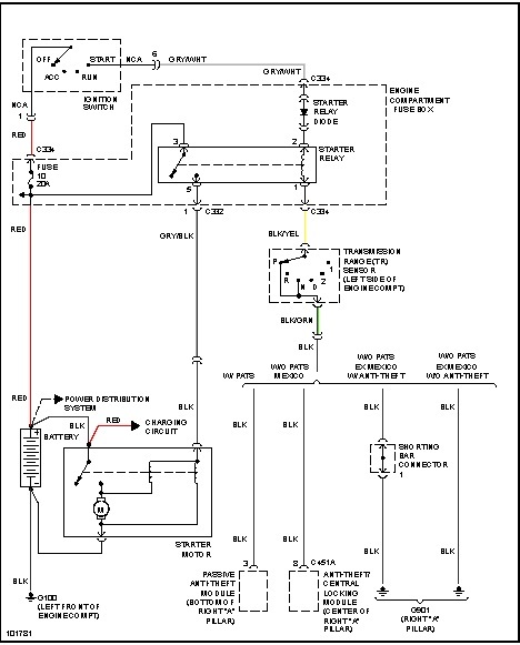
Below is starter wiring diagram. Any testing at starter or starter relay, make sure the tranny is in park or neutral and the parking brake is set.

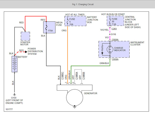
Here are some wiring diagrams and a guide to help us get the problem fixed.

https://www.2carpros.com/articles/how-to-use-a-test-light-circuit-tester

Please let us know what happens.

Cheers
Jan 20, 2013 at 7:16 PM
Avatar
  • MEMBER
  • 13 POSTS
The way its was hooked up is 1 wire from starter to 175 mega fuse, 1 to fuse box, and the 1 grounding the starter to solenoid and ground to battery. The mega fuse has 2 posts, 1 from positive, 1 from starter, and 1 from alternator. When I test the voltage it reads 0, which makes me think its not hooked up right? I did not take it apart so I am lost at how it should be connected. My car makes a single click like starter isn't getting enough voltage? Please any help is useful because I am working on it alone.
Jan 21, 2013 at 2:21 AM
Advertisement
Avatar
JDL
  • CERTIFIED EXPERT
  • 16,098 POSTS
It sounds like the starter is bad but to but sure let's do a simple test by following this guide. Check out toward the bottom.

https://www.2carpros.com/articles/car-cranks-but-wont-start

Here isa guide to help you see what you are in for when changing it out.

https://www.2carpros.com/articles/how-to-replace-a-starter-motor

Please let us know what happens.

Cheers, Ken
Jan 21, 2013 at 2:46 PM
Avatar
  • MEMBER
  • 13 POSTS
I tested the 2 bolts that the fuse is connected to, and it says 0? i think its hooked up wrong? I have the starter, alternator, and battery connected to that fuse?

The test I did on the start I touched the bolts and I was getting 12v. Like I said I didn't take the starter out, my dad did. I remember a bunch of wires that was in the way, but I don't see them now? I think my dad broke them off. After a bit I managed to get all the wires on from your diagrams and it is all fixed.

Thanks for your help!
Jan 24, 2013 at 6:02 PM
Avatar
STRAILER
  • CERTIFIED EXPERT
  • 53,855 POSTS
Glad you could get it fixed, that kind of problem can be tough. Please use 2CarPros anytime we are here to help

Cheers, Ken
Oct 27, 2017 at 3:32 PM