Brake lights do not work

1998 FORD CONTOUR
200,000 MILES • 2.0L • 4 CYL • FWD • AUTOMATIC
Avatar
CBORLAND
  • MEMBER
  • 1 POST
Our car's brake lights do not work when the pedal is depressed, but the light in the back window does. We have replaced the brake pedal and turn signal multi-function switch, replaced both light bulbs, tested the wires to be sure there was power to them. Also checked the fuses. What are we missing?
Nov 30, 2013 at 4:54 PM
Advertisement
Avatar
JACOBANDNICKOLAS
  • CERTIFIED EXPERT
  • 110,175 POSTS
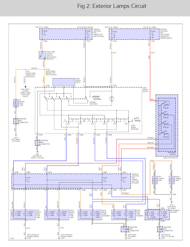
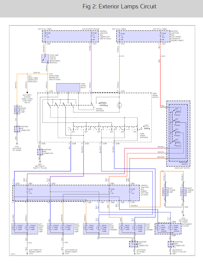
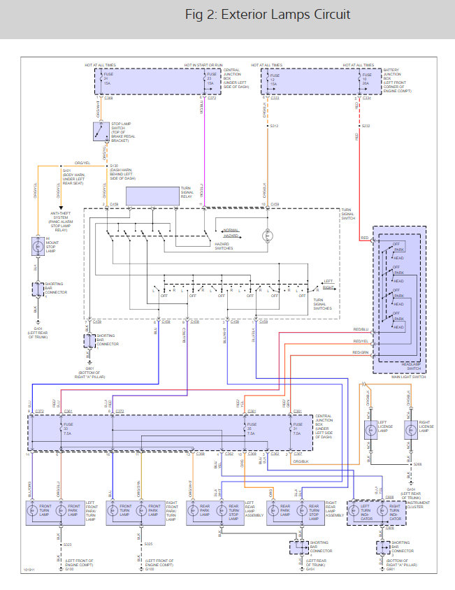
It sounds like you lost power to the multi function switch. Here is a guide that will show you how to check to see where:

https://www.2carpros.com/articles/how-to-use-a-test-light-circuit-tester

Below are the blinker wiring diagrams so you can see how the system works.

Please run down this guide and report back.

Cheers
Nov 30, 2013 at 6:54 PM
Avatar
KENDRARUSSELL
  • MEMBER
  • 1 POST
I figured out it was fuse number 23 15 amp that needed to be replaced.



May 3, 2018 at 7:05 PM
Advertisement
Avatar
BUICK BOI
  • MEMBER
  • 1 POST
I don't have any brake lights when I look at the diagram it makes absolutely no sense. so I'm back to where I was before no brake light and the battery drains out every day and I know it has something to do with the brake lights.
Dec 2, 2020 at 9:15 AM
Avatar
JACOBANDNICKOLAS
  • CERTIFIED EXPERT
  • 110,175 POSTS
Hi,

Recheck fuse 24 in the fuse box under the dash (pic 1). Confirm there is power in and out from the fuse. If there is, check for power at the orange/white wire at the brake light switch. Do that and let me know what you find.

I have a feeling the issue is in the brake light switch itself. You could pull fuse 24 and see if the draw stops or if the battery doesn't drain. Here is a link that explains how to find a power draw. Also, the second link explains how to test wiring.

https://www.2carpros.com/articles/car-battery-dead-overnight

https://www.2carpros.com/articles/how-to-check-wiring

Let me know.
Joe
Dec 2, 2020 at 6:18 PM