1998 DODGE DAKOTA
146,000 MILES
Avatar
STEVEDANLEY
  • MEMBER
  • 1 POST
Wiper motor not working...replace wiper motor,fuse and relay, still not working. Help?
Jan 31, 2013 at 5:11 PM
Advertisement
Avatar
JDL
  • CERTIFIED EXPERT
  • 16,098 POSTS
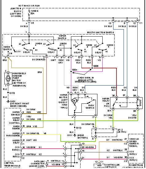
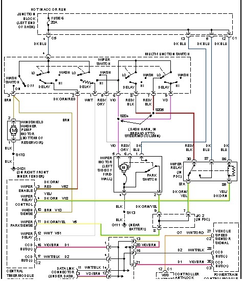
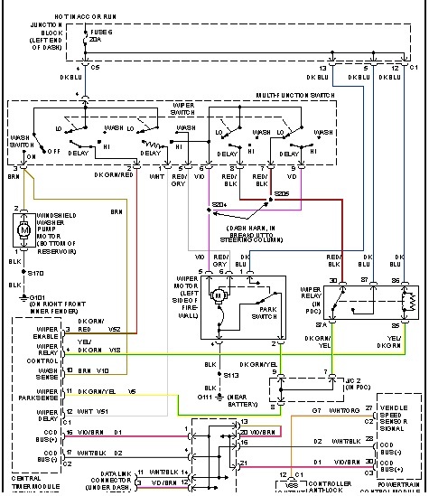
Did you check for voltage, anywhere, use a voltage tester/testlite. In the diagram, fuse 6--20amp, check for voltage at fuse circuit, goes hot with the key on.
In the diagram, the wires on top of wiper motor are voltage. The black wire at the bottom is ground. Could be issue with multifunction switch? I'd check voltage and ground, first.
Jan 31, 2013 at 5:31 PM
Avatar
HUNTERQLEE
  • MEMBER
  • 1 POST
1996 Dodge Dakota

My son has a 1995 or 1996 Dakota. His wipers will not come on until the truck warms up, usually serval minutes after he has run the truck. He put a can of Cozy (some kind of canned heat) on the wiper motor over night and the next morning they worked when he first turned them on. Is this something wrong with the wiper motor?
Dec 11, 2020 at 4:09 PM (Merged)
Advertisement
Avatar
JACOBANDNICKOLAS
  • CERTIFIED EXPERT
  • 110,175 POSTS
Hi:
It sounds like the motor is just wearing out. When brushes wear down, they may not be making contact with the aramature. Keep in mind, unlike water, steel expands when it gets hot, and shrinks when it gets cold.

Joe
Dec 11, 2020 at 4:09 PM (Merged)
Avatar
TAYLOR95
  • MEMBER
  • 2 POSTS
How do I replace my my windshield wiper motor?
Dec 11, 2020 at 4:09 PM (Merged)
Avatar
DANNY L
  • CERTIFIED EXPERT
  • 5,648 POSTS
Hello, I'm Danny.

I've attached steps below as you've requested. Hope this helps and thanks for using 2CarPros........................................
Dec 11, 2020 at 4:09 PM (Merged)
Avatar
SMITHB36
  • MEMBER
  • 1 POST
i expect i need to remove the vent cowling below the wiper blades to reattach the motor. how do i rmove the blades from their pivot base? there is a silver clip looking thing but i"m having difficulty removing the blades from the base. i appreciate the assistance.
Dec 11, 2020 at 4:09 PM (Merged)
Avatar
JACOBANDNICKOLAS
  • CERTIFIED EXPERT
  • 110,175 POSTS
Hi:

Yes you do have to remove the cowl at the bottom of the windshield. To remove the wipers, lift the blade from the windshield as far as it goes. Next, where the blade attaches to the post, you will find a small lever. With a screwdriver, carefully open the lever so the arm can be removed. Keep in mind, the arm and post can corrode; therefore, it may require some effort to remove. make sure that the retainer (the lever) is pulled out as far as it goes. It is what prevents the wiper arm from falling off.

If you have any other questions, let me know.

Joe
Dec 11, 2020 at 4:09 PM (Merged)
Avatar
BDEMOTTS
  • MEMBER
  • 1 POST
Electrical problem
1995 Dodge Dakota 6 cyl Two Wheel Drive

How do you replace the wiper motor on a 95 Dakota 3.9L
Dec 11, 2020 at 4:09 PM (Merged)
Avatar
JACOBANDNICKOLAS
  • CERTIFIED EXPERT
  • 110,175 POSTS
IT is somewhat involved, but I can give you a general overview. First, disconnect the battery. Next, remove the electrical connection. Remove the cowl at the base of the windshield so you have access to the linkage and can disconnect if from the motor. Now just unbolt the motor from the firewall. Reverse sequence to replace.
Dec 11, 2020 at 4:09 PM (Merged)