☰
Login
Join
×
Home
Answered Questions
Repair Topics
Repair & Service Guides
Popular Questions
Warning Lights
Trouble Codes
How It Works
Testing / Diagnostics
Symptoms
Videos
Login
Become a Member
Home
Chrysler
Cirrus
Electrical
Fuse Panel
Diagram
fuse box layout
1998 CHRYSLER CIRRUS
27,000 MILES
JOSEPHLEBRUN
MEMBER
1 POST
FOLLOW
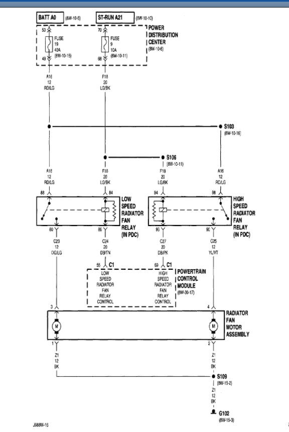
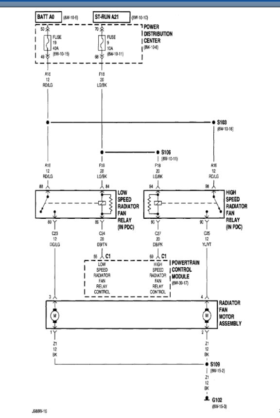
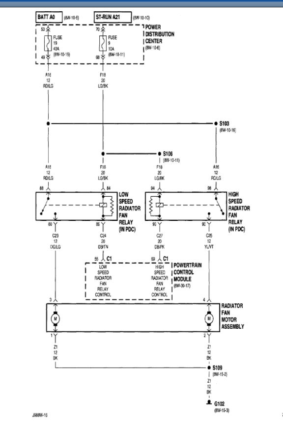
overheat problem, need to check fan fuse
Mar 31, 2012 at 8:14 PM
Advertisement
KASEKENNY
CERTIFIED EXPERT
18,907 POSTS
Looks like you are looking at fuse 19 and 9 in the PDC. I am attaching the info below for this. However, you also have relays so here are a couple guides that will help with testing the fuses and relays:
https://www.2carpros.com/articles/how-to-check-a-car-fuse
https://www.2carpros.com/articles/how-to-check-an-electrical-relay-and-wiring-control-circuit
Depending on what you find, you may need this guide to help with the overheating issue:
https://www.2carpros.com/articles/symptoms-of-an-overheating-engine
Please run through this info and we can go from there. Thanks
Images (Click to enlarge)
Feb 16, 2022 at 10:27 AM