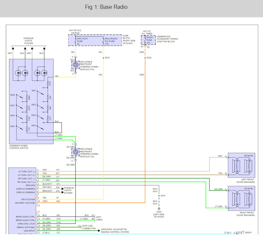
Or is it more likely the security system not allowing power to the fuel pump. I have no power going to my fuel pump. Had to disconnect negative battery cable to do repairs and have an aftermarket stereo so cannot enter a security code through the radio. Have replaced the MAF sensor, the fuel pump, the fuel pump relay and rebuilt connectors in harness to the fuel pump. Have no power going through the wire harness to the fuel pump when I halfway turn the key to engage the fuel pump. Can you please help?
Sep 4, 2011 at 12:21 PM


