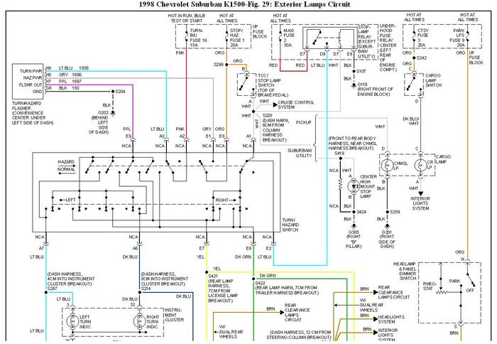
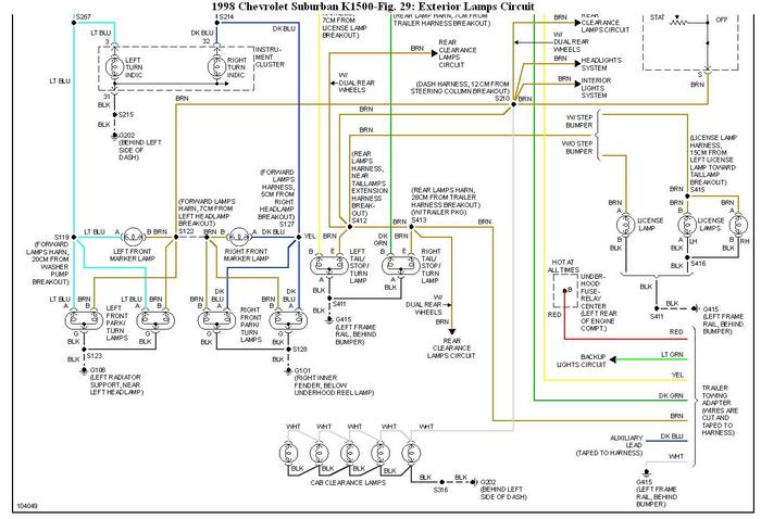
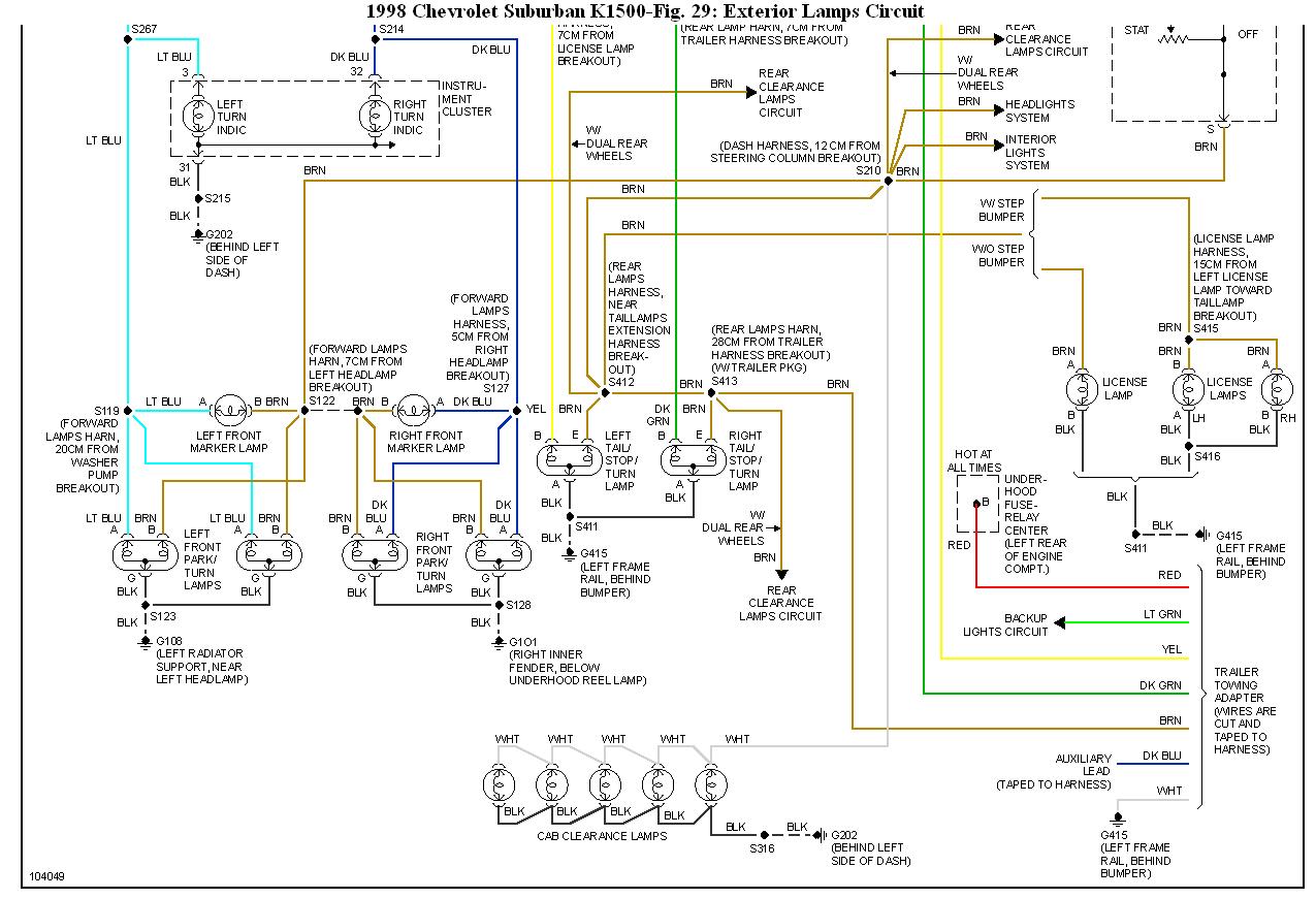
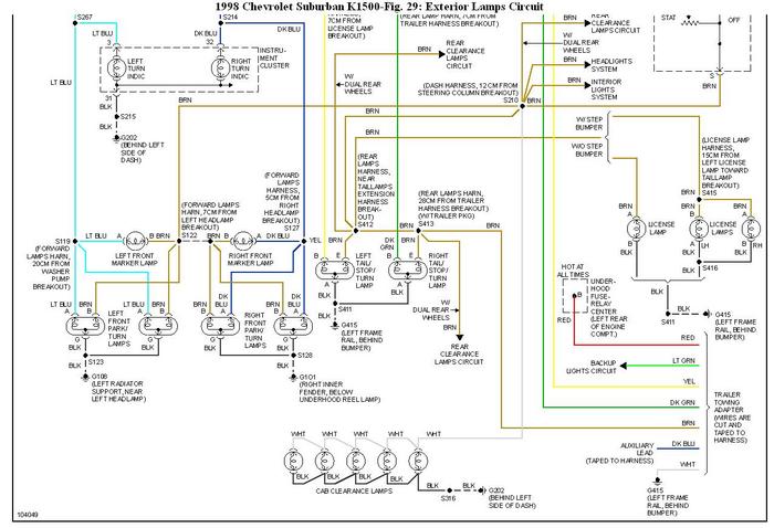
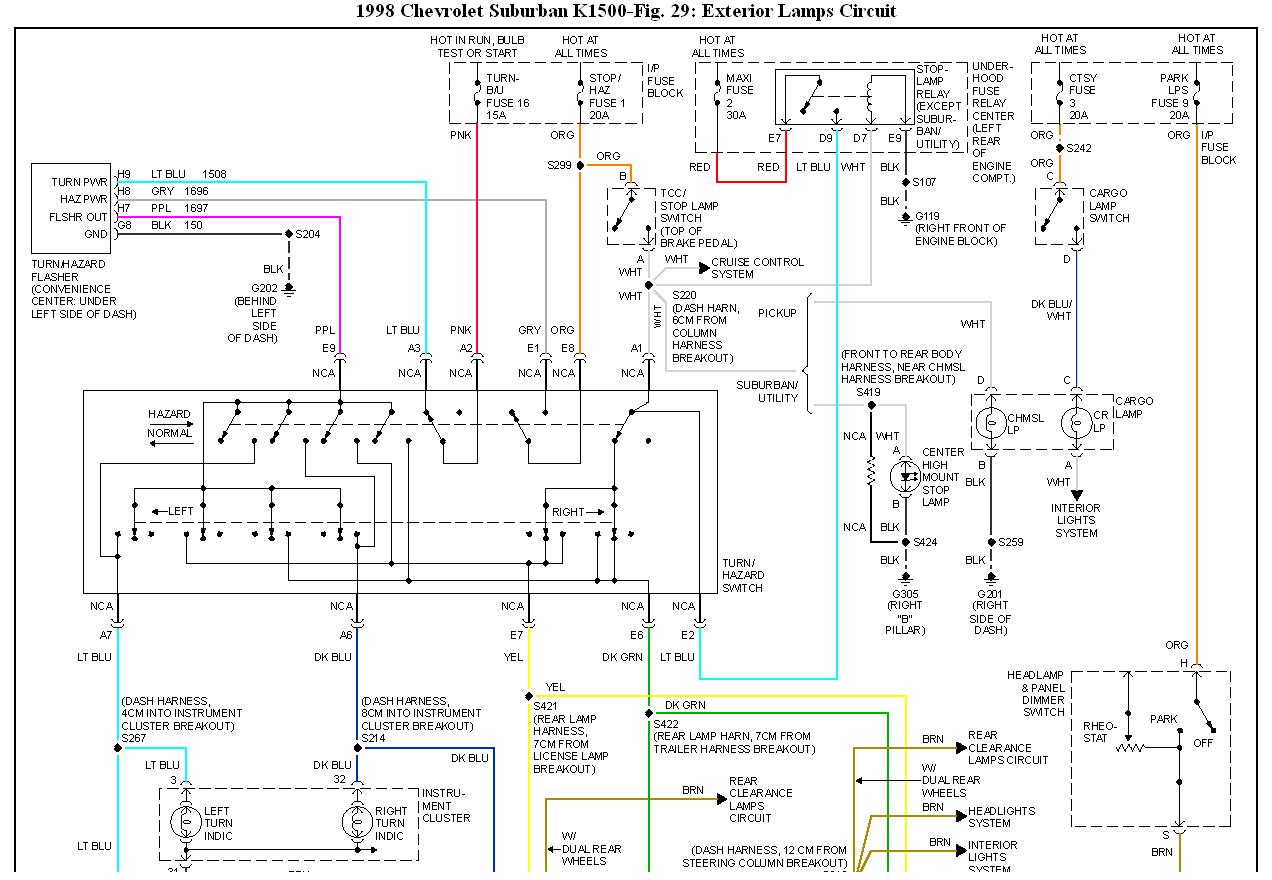
1998 chev suburban Interior and taillights intermittently go out frequently, replaced the light switch, problem has not gone away. ran a new ground from the motor to body to frame? what can I do to stop the maddness?
Feb 17, 2011 at 4:50 PM

