rear tailgate window latch won't open

1998 CHEVROLET SUBURBAN
160,000 MILES
Avatar
GREGFREE
  • MEMBER
  • 1 POST
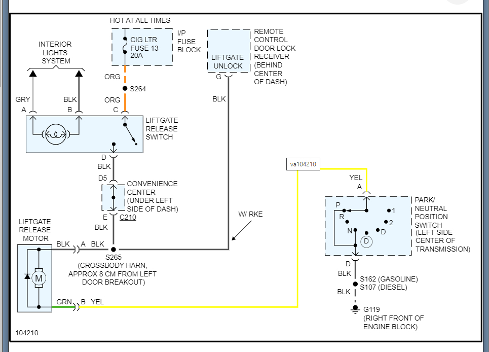
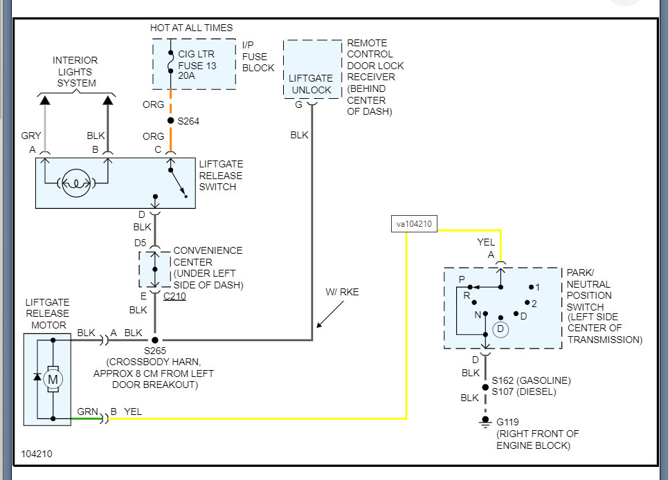
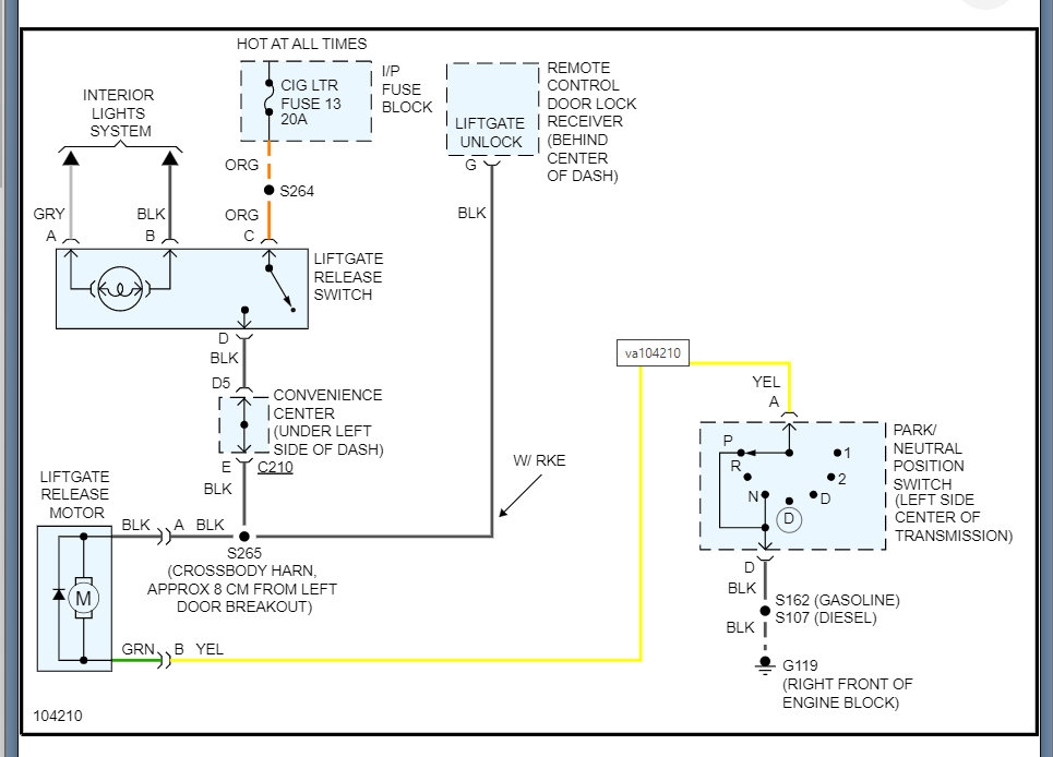
Power going to latch, you can here it. Won't release the glass?
Dec 5, 2011 at 12:36 AM
Advertisement
Avatar
KASEKENNY
  • CERTIFIED EXPERT
  • 18,907 POSTS
We need to remove the trim panel and find out what is happening inside. However, I suspect the rod that controls the latch has come loose.

This is not uncommon on these vehicles. Here is a guide that will help with removing the panel. It is not for this rear hatch, but the process is basically the same.

https://www.2carpros.com/articles/door-panel-removal

Please see the info attached and let us know what you find. Thanks
Feb 9, 2022 at 4:44 PM