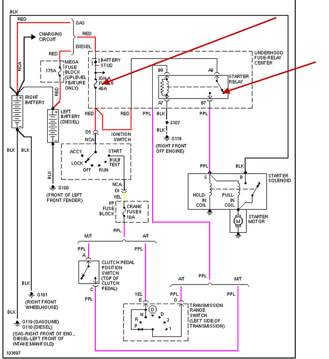
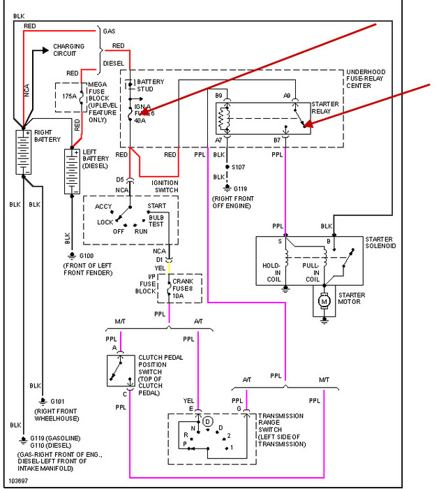
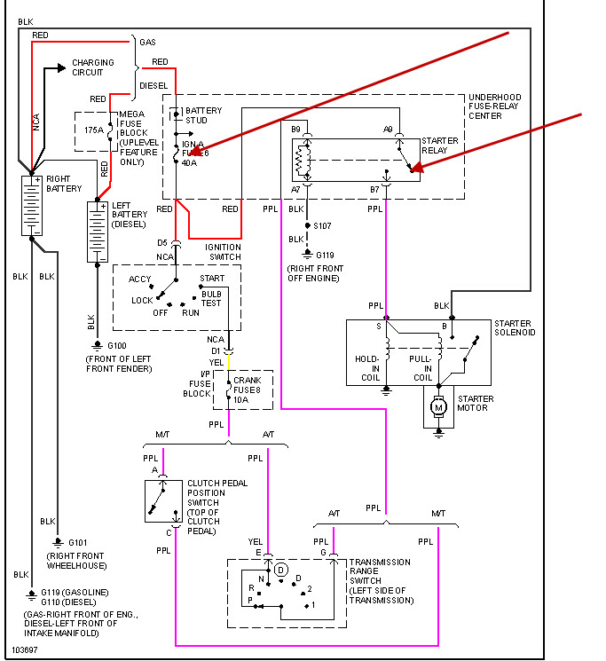
My Cheyenne acted up the other day, it bucked and sputtered then the anti lock brake light and brake light started to flash. Even my fuel gauge needle started bouncing around. I made it to a parking lot and shut it off. Tried to restart the vehicle and there was no power to the ignition, no headlights, radio or interior lights. I turn the key off then back on and put the vehicle in neutral and back to park. Turned the key off and back on again then I go headlights, radio and etc. and it started. I just got a phone call from my daughter and it did the same thing almost 5 days later. I had her cycle the key and still nothing.
Mar 15, 2012 at 7:00 PM
