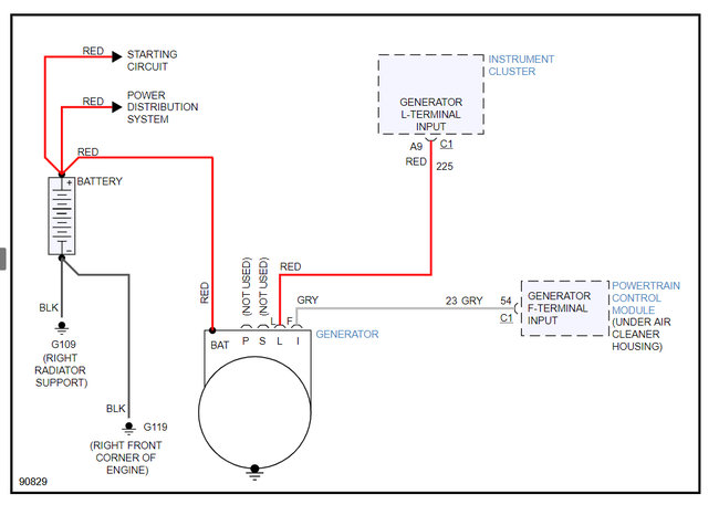
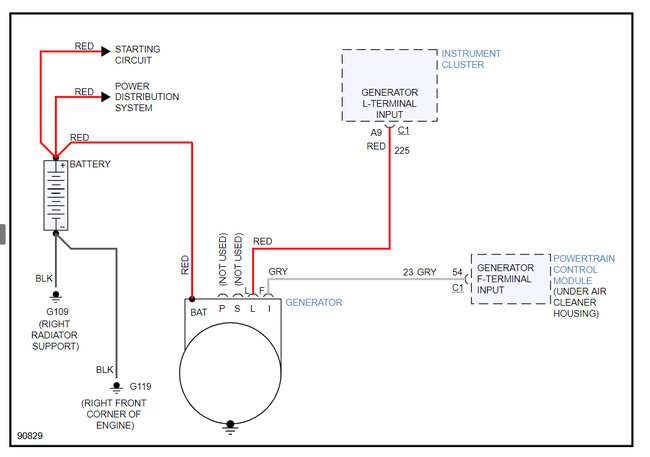
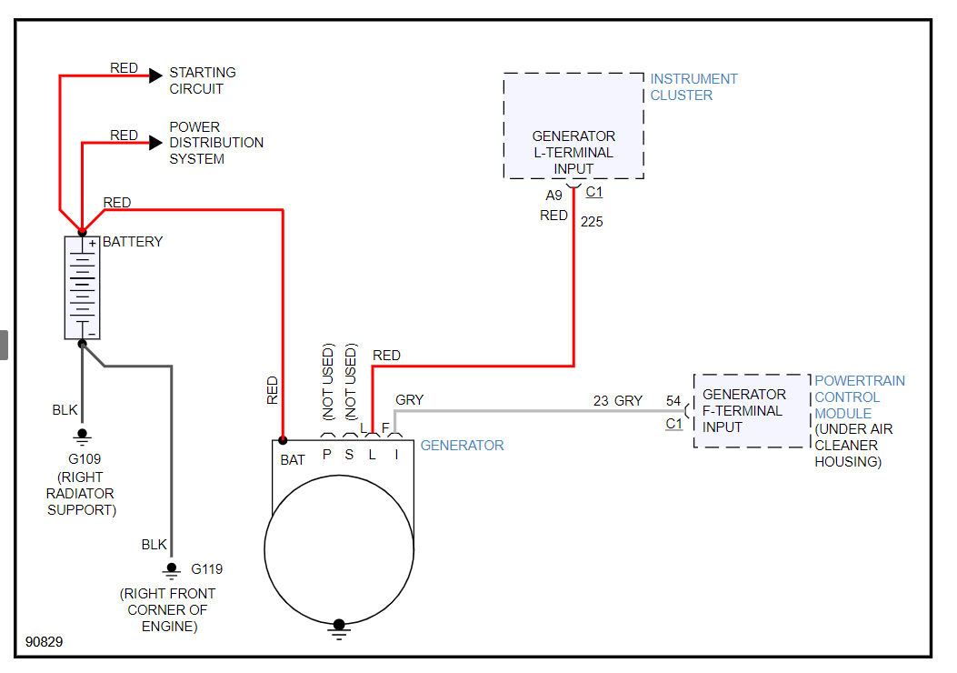
it seems to be that the connector to the alternator was yanked away for some reason...left were two wires, I bought a new connector, which came with three wires...how do i connect the three wires to the two or three wire problem?
Jan 12, 2012 at 10:26 PM



