blinkers don't work

1998 CADILLAC ELDORADO
170,000 MILES
Avatar
BLAKEGARCIA
  • MEMBER
  • 1 POST
the blinkers aren't working checked fuses bought a new blinker relay don't have a clue so what should i do new blinker, switch??
Sep 3, 2012 at 8:39 PM
Advertisement
Avatar
KASEKENNY
  • CERTIFIED EXPERT
  • 18,907 POSTS
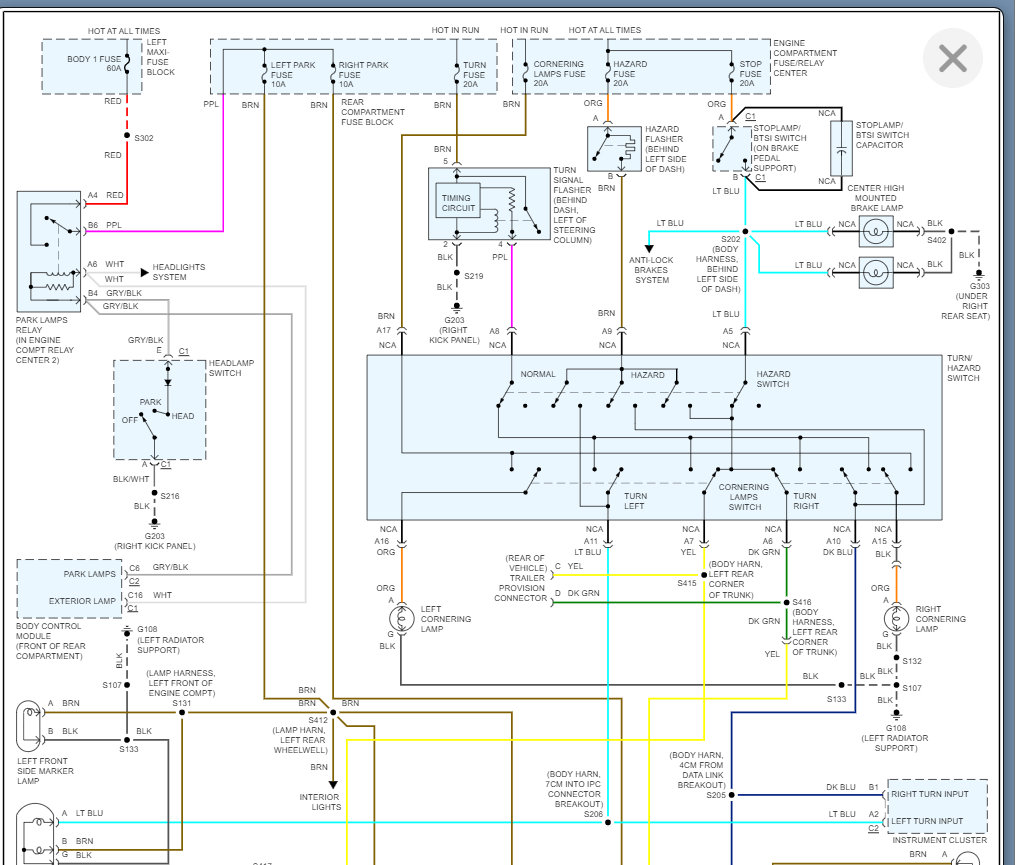
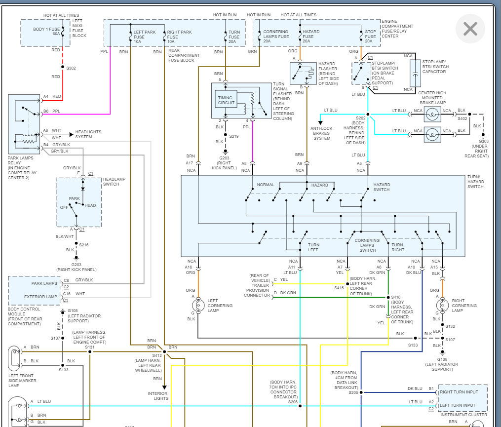
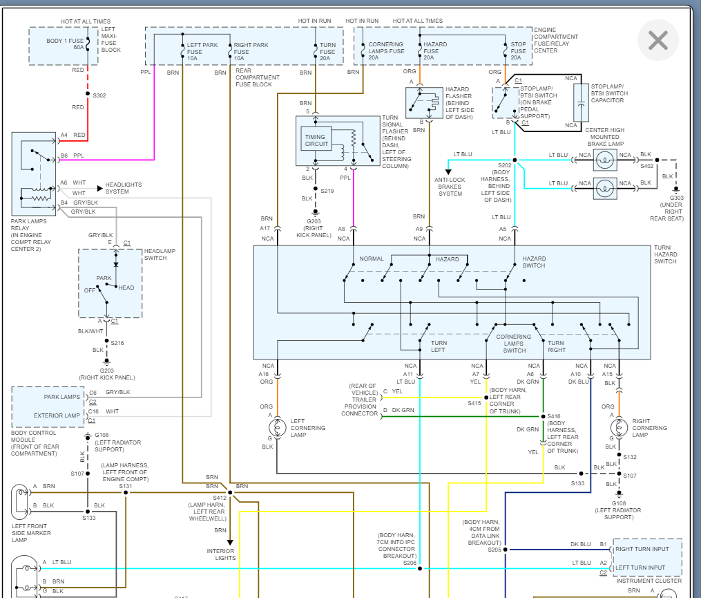
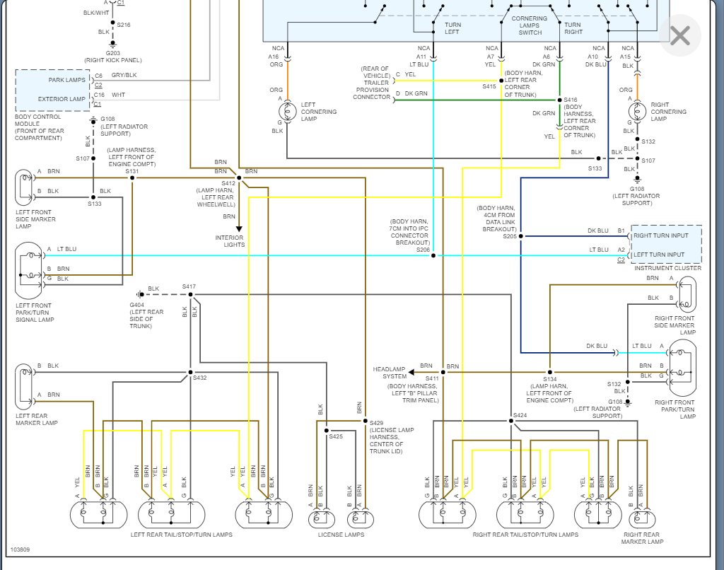
The most likely cause of this is a turn switch but we need to start with checking the voltage coming out of the switch and find out if they are being commanded on.

Here are a couple of guides that will help with this:

https://www.2carpros.com/articles/how-to-check-wiring

https://www.2carpros.com/articles/turn-signals-not-working-blinker

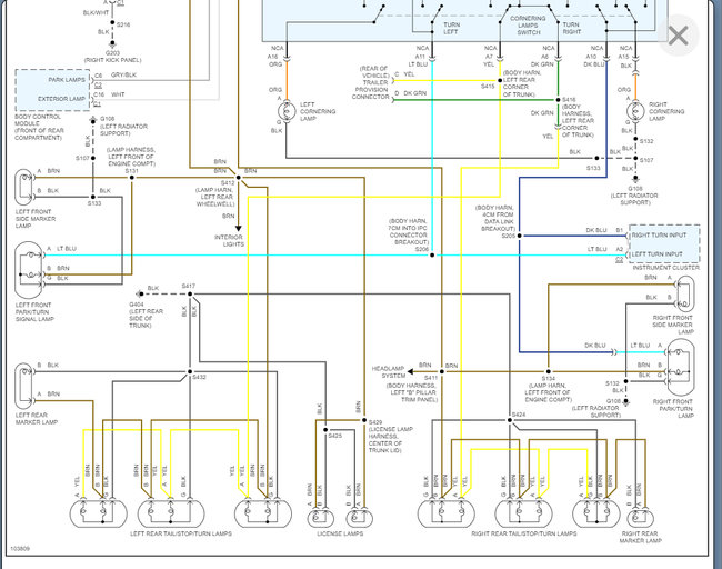
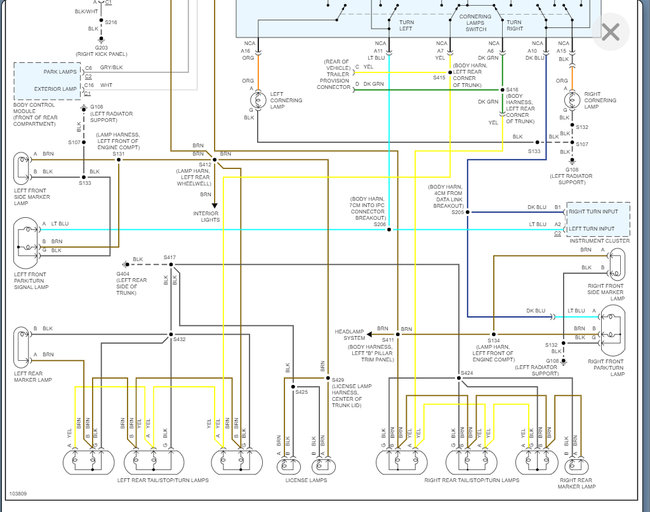
I am attaching the wiring diagram below, but we need to check power on the light blue and yellow wire coming out of the turn switch.

Once we know what they are when they are turned on, we will have a better idea where to go.

Please run through this info and let me know what questions you have on this.

Thanks
Feb 19, 2022 at 7:19 PM