a/c relay location

1998 CADILLAC DEVILLE
66,000 MILES • V8 • FWD • AUTOMATIC
Avatar
PMAKKI
  • MEMBER
  • 7 POSTS
Exactly where is the a/c compressor relay located. Do you know which one it is, there are about 4 of them. Got picture?
Mar 6, 2011 at 5:45 PM
Advertisement
Avatar
STRAILER
  • CERTIFIED EXPERT
  • 53,854 POSTS
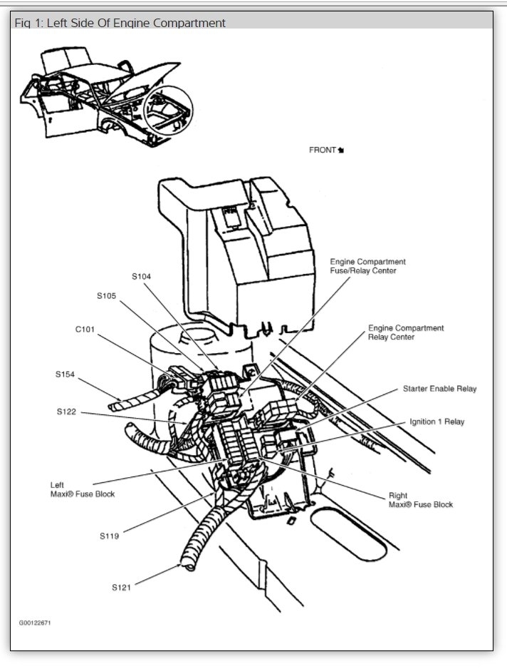
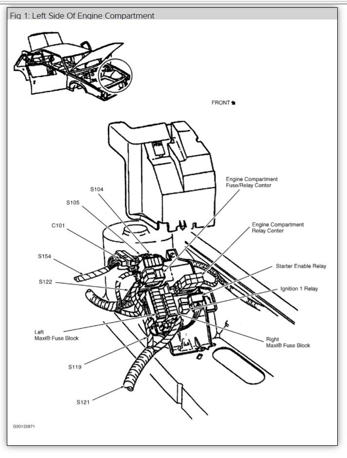
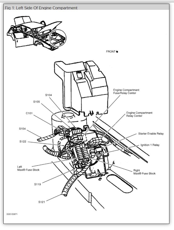
A/C Compressor Relay - In engine compartment fuse/relay center. Here are some diagrams (below) to show you where the fuse and relay for the system are. Here is a guide that will help you test both the fuse and the relay

https://www.2carpros.com/articles/how-to-check-a-car-fuse

and

https://www.2carpros.com/articles/how-to-check-an-electrical-relay-and-wiring-control-circuit

Please let us know if you need anything else to get the problem fixed. Check the last diagram below.
Mar 6, 2011 at 8:44 PM
Avatar
PMAKKI
  • MEMBER
  • 7 POSTS
Ok, found the fuse and the relay, appreciate it. I love this site :)
Mar 6, 2011 at 10:05 PM
Advertisement