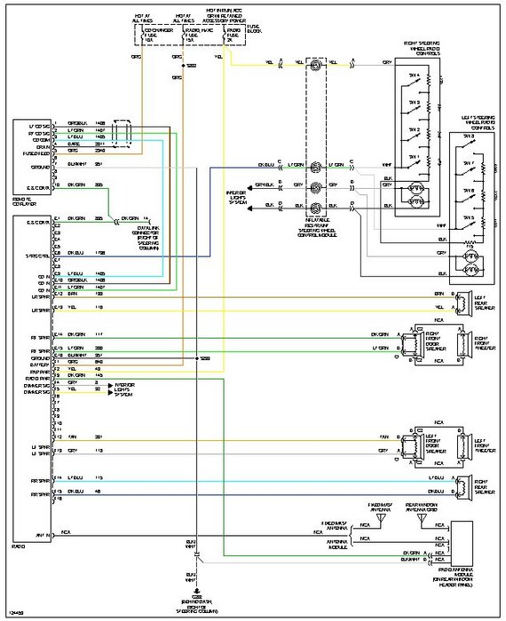
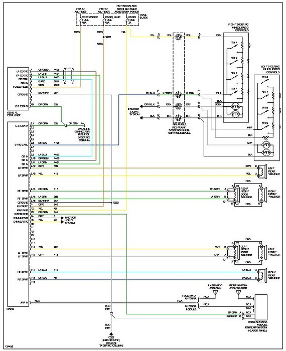
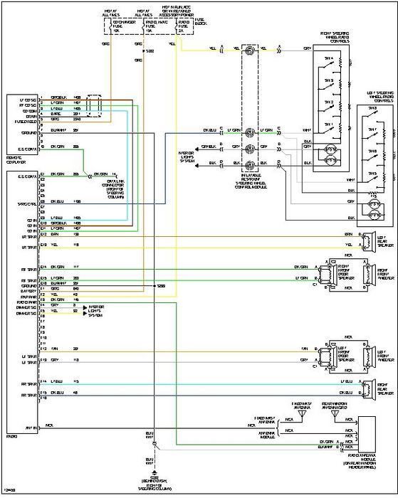
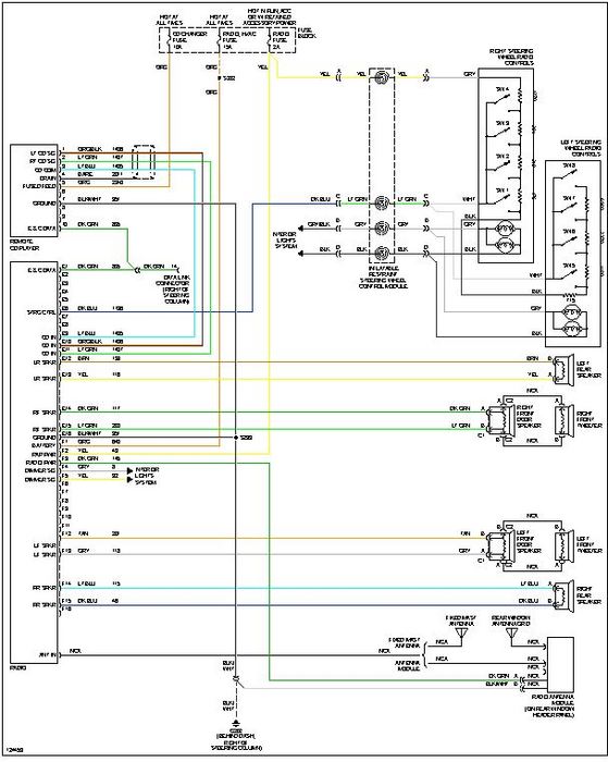
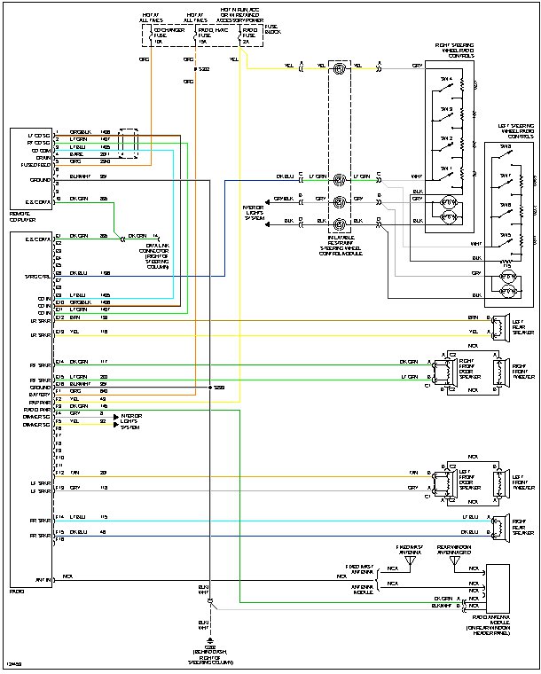
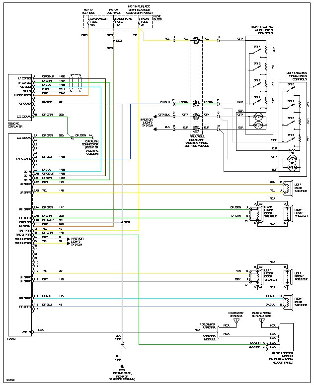
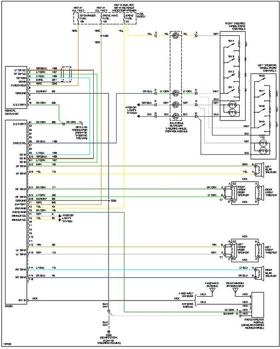
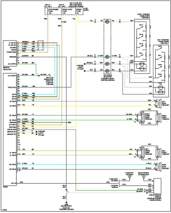
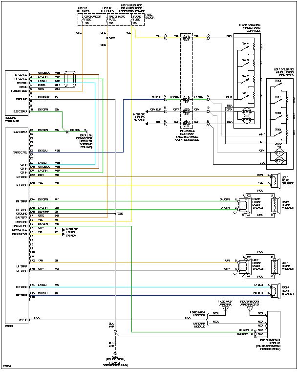
what/where is the wire for the steering wheel audio control for a 98 buick regal? I have a new aftermarket double din thats compatible with steering wheel control but the 2 wires i have on the back of my new double din have to tie into the steering wheel. all i need to no is wheres are which wires is the ones to the steering wheel control audio? the wires that goes to the radio
Mar 3, 2012 at 10:26 PM




